Page top

2020/10 生产终止

MX-Z2000H系列

光纤激光刻印设备

MX-Z2000H系列

不仅是金属深雕·浅雕,也可对应树脂·薄膜印字,精密加工。从电子零件到汽车零件皆可对应

MX-Z20□□H-V1系列预定于2027年3月底订货截止。

该页面所登载的内容是基于生产终止以前的产品样本制作而成的参考信息,产品的特点/种类/规格/配件等可能与现在所使用的不同。请在使用时确认系统的兼容性及安全性。

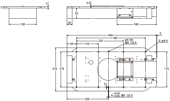
(单位:mm)

设备头部

MX-Z2000H系列 外形尺寸 1

控制部

MX-Z2000H系列 外形尺寸 2

操作器功能选装件

相机附件外尺寸

MX-9150/MX-9151

MX-Z2000H系列 外形尺寸 5