Page top

K8DT-AW

单相过、欠电流继电器

K8DT-AW

可根据电流变化检测装置和电机的异常状态,一台即可同时监控过电流和欠电流

(单位:mm)

单相过欠电流继电器

K8DT-AW1
K8DT-AW2
K8DT-AW3

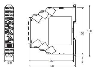
K8DT-AW 外形尺寸 1

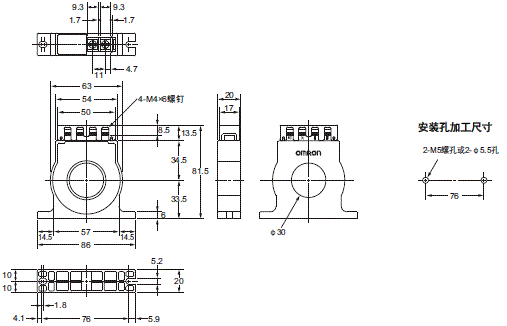
专用CT

K8AC-CT200L

K8DT-AW 外形尺寸 2

注: 专用CT是与K8DT-AW3组合使用的专用品。 接线时请对端子k及端子l接线。 (端子kt及端子lt不使用。)

选装件(另售)

●前盖

Y92A-D1A

K8DT-AW 外形尺寸 5

导轨安装用另售件

支承导轨

PFP-100N
PFP-50N

K8DT-AW 外形尺寸 7