Page top

E3S-DB

透明体检测光电传感器

E3S-DB

对各种透明体具有极为优异的检测性能

E3S-DB系列部分产品预定于2021年1月底订货截止。

(单位:mm)

无指定尺寸公差:公差等级 IT16

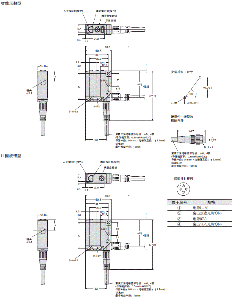
本体

导线引出型
E3S-DBN1□(T)
E3S-DBP1□(T)
接插件中继型
E3S-DBN3□(T)
E3S-DBP3□(T)

E3S-DB 外形尺寸 3

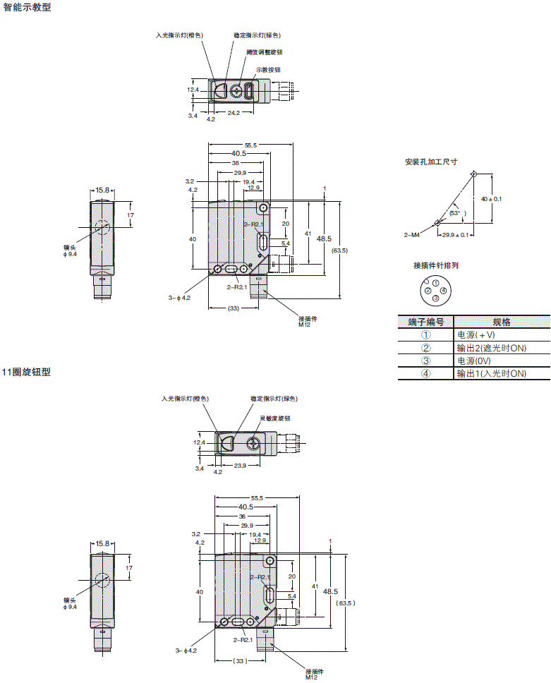
M12接插件型
E3S-DBN2□(T)
E3S-DBP2□(T)

E3S-DB 外形尺寸 4

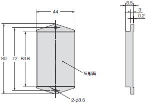
附件(另售)

反射板

E39-R1S/E39-R1K*

E3S-DB 外形尺寸 7

材质:<反射面>丙烯树脂
   <背面>ABS
* 仅E39-R1K的反射面带有涂层

特殊偏光反射板

E39-RP1

E3S-DB 外形尺寸 9

材质:<反射面>丙烯树脂
   <背面>ABS

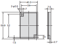
反射板

E39-R21

E3S-DB 外形尺寸 11

材质:<反射面>异丁烯树脂(PMMA)
   <背面>聚对苯二甲酸丁二醇酯(PBT)

E39-R8

E3S-DB 外形尺寸 12

材质:<反射面>丙烯树脂
   <背面>ABS

E39-RS10

E3S-DB 外形尺寸 13

材质:<反射面>异丁烯树脂(PMMA)

E39-RS11

E3S-DB 外形尺寸 14

材质:<反射面>异丁烯树脂(PMMA)

安装配件

E39-L192

E3S-DB 外形尺寸 16

E39-L193

E3S-DB 外形尺寸 17