Page top

A30NK

钥匙型旋转开关

A30NK

φ30mm 钥匙型旋钮开关 短小机型和配线方向的变更实现了控制柜的小型化 新增简单配线的Push-In Plus端子台型 提高操作性和安全性

(单位:mm)

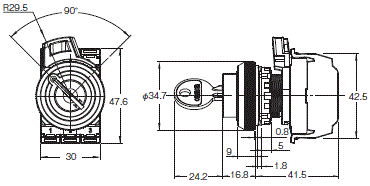
钥匙型旋钮开关

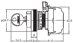
2位(金属边框)
A30NK-2M□-01□A-G

A30NK 外形尺寸 2

A30NK-2M□-01□A-P

A30NK 外形尺寸 3

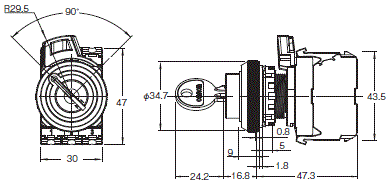
3位(金属边框)
A30NK-3M□-01□A-G

A30NK 外形尺寸 4

A30NK-3M□-01□A-P

A30NK 外形尺寸 5

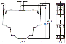
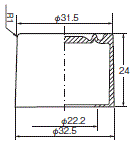
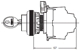
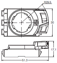
连接时的进深尺寸

(螺钉端子台型)

A30NK 外形尺寸 7

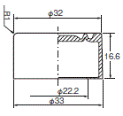
2接点单元安装时的进深尺寸

(Push-In Plus端子台型)

A30NK 外形尺寸 9

端子配置图

BOTTOM VIEW(螺钉端子台型)

A30NK 外形尺寸 11

BOTTOM VIEW(Push-In Plus端子台型)

A30NK 外形尺寸 12

端子连接图

A30NK 外形尺寸 13

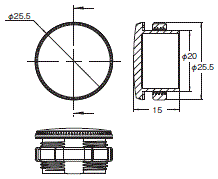
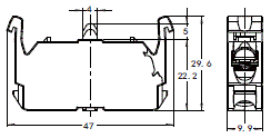
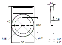
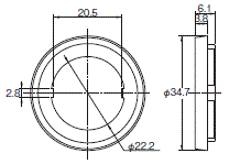
单品(共用)

安装台
A22NZ-H-01

A30NK 外形尺寸 15

螺钉端子台规格

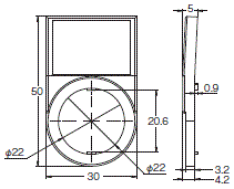
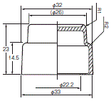
开关部
A22NZ-S-G1□

A30NK 外形尺寸 17

Push-In Plus端子台规格

开关部(1接点)
A22NZ-S-P1□

A30NK 外形尺寸 19

开关部(2接点)
A22NZ-S-P2□

A30NK 外形尺寸 20

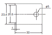
附件和工具

保护盖
A22NZ-A-303

A30NK 外形尺寸 22

面板插头(树脂)
A22NZ-A-401

A30NK 外形尺寸 23

面板插头(金属)
A22NZ-A-402

A30NK 外形尺寸 24

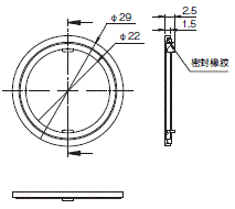
限位圈
A22NZ-A-403

A30NK 外形尺寸 25

止转片
A22NZ-A-50501

A30NK 外形尺寸 26

增强板
A22NZ-A-C01

A30NK 外形尺寸 27

控制盒
A22NZ-A-B01Y

A30NK 外形尺寸 28

防水罩

・平型用 A22Z-3600F

A30NK 外形尺寸 30

・凸出型用 A22Z-3600T

A30NK 外形尺寸 31

・全保护罩用 A22Z-3600G

A30NK 外形尺寸 32

φ30用树脂附件
A22Z-A30

A30NK 外形尺寸 33

铭牌单元

・标准 A22NZ-A-50103

A30NK 外形尺寸 35

・大型 A22NZ-A-51103

A30NK 外形尺寸 36

雕刻版

・标准型用 A22Z-3443□-□

A30NK 外形尺寸 38

・大型用 A22Z-3453□

A30NK 外形尺寸 39

紧固扳手
A22NZ-A-301

A30NK 外形尺寸 40

LED灯更换工具
A22NZ-A-302

A30NK 外形尺寸 41

盖紧固工具
A22Z-3908

A30NK 外形尺寸 42