Page top

MY-GS

微型功率继电器

MY-GS

通用继电器畅销的MY标配机械指示灯,可确认接点的动作状态

微型功率继电器 MY-GS

切实满足客户的迫切需求

(单位:mm)

本体

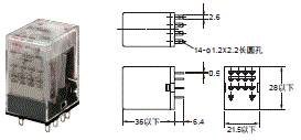
MY2-GS-R
MY2N-GS-R
MY2N-D2-GS-R
MY2N-CR-GS-R

MY-GS 外形尺寸 1

MY2IN-GS-R
MY2IN-D2-GS-R
MY2IN-CR-GS-R

MY-GS 外形尺寸 2

端子配置/内部连接图(底视图)

MY-GS 外形尺寸 3

注1. AC规格备有线圈断线自诊断功能。
 2. 使用线圈浪涌吸收用二极管内置型时,请在确认线圈极性后正确接线。
 3. LED的颜色为AC红色、DC绿色。
 4. 动作指示灯显示线圈的通电情况,并非根据接点动作进行显示。

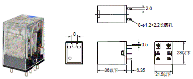
MY4-GS-R
MY4N-GS-R
MY4N-D2-GS-R
MY4N-CR-GS-R

MY-GS 外形尺寸 5

MY4IN-GS-R
MY4IN-D2-GS-R
MY4IN-CR-GS-R

MY-GS 外形尺寸 6

端子配置/内部连接图(底视图)

MY-GS 外形尺寸 7

注1. AC规格备有线圈断线自诊断功能。
 2. 使用线圈浪涌吸收用二极管内置型时,请在确认线圈极性后正确接线。
 3. LED的颜色为AC红色、DC绿色。
 4. 动作指示灯显示线圈的通电情况,并非根据接点动作进行显示。

选装件(另售)

连接插座

表面连接插座

PYFZ-08-E

MY-GS 外形尺寸 12

PYFZ-14-E

MY-GS 外形尺寸 13

PYF08A-N

MY-GS 外形尺寸 14

PYF14A-N

MY-GS 外形尺寸 15

PYF-08-PU

MY-GS 外形尺寸 16

PYF-14-PU

MY-GS 外形尺寸 17

背面连接插座

PY08-02

MY-GS 外形尺寸 19

PY14-02

MY-GS 外形尺寸 20

插座用附件

固定支架

PYC-A1
1套(2个)

MY-GS 外形尺寸 22

PYC-P

MY-GS 外形尺寸 23

插座安装高度(单位:mm)

正面连接插座时

PYFZ-□-E
PYF□□A-N

MY-GS 外形尺寸 25

PYF-08-PU

MY-GS 外形尺寸 26

PYF-14-PU

MY-GS 外形尺寸 27

背面连接插座时

PY□□-02

MY-GS 外形尺寸 28