Page top

CP1W-AD / DA / MAD

模拟输入输出单元

CP1W-AD / DA / MAD

1个单元的模拟输入输出最多8点/高分辨率1/12,000

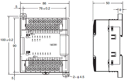
(单位:mm)

CP1W-AD04□、CP1W-DA021/04□、CP1W-MAD□□

CP1W-AD / DA / MAD 外形尺寸 1