Page top

F3W-MA

智能屏蔽触发器

F3W-MA

以多光轴光电传感器为基础的综合型屏蔽传感器

(单位:mm)

如果安装标准调整配件(F39-LGA)

在背面安装时

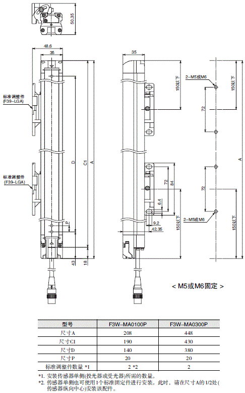
F3W-MA 外形尺寸 2

侧面安装

F3W-MA 外形尺寸 3

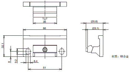
标准调整用配件(F39-LGA)

F3W-MA 外形尺寸 4

如果安装标准固定配件(F39-LGF)

正面安装时

F3W-MA 外形尺寸 6

侧面安装

F3W-MA 外形尺寸 7

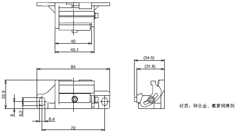
标准固定件(另售:F39-LGF)

F3W-MA 外形尺寸 8

在F3SG-RA上安装F3W-MA安装配件(F39-LGMA□)和标准调整件(F39-LGA)时

F3W-MA 外形尺寸 9

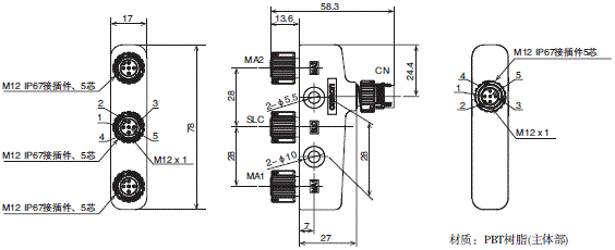
附件

投光器用单侧接插件电缆(另售:F39-JG□A-L)

F3W-MA 外形尺寸 11

受光器用单侧接插件电缆(另售:F39-JG□A-D)

F3W-MA 外形尺寸 12
F3W-MA 外形尺寸 13

投光器用两侧接插件电缆:电缆延长时的连接用电缆(另售:F39-JG□B-L)

F3W-MA 外形尺寸 14

受光器用两侧接插件电缆:电缆延长时的连接用电缆(另售:F39-JG□B-D)

F3W-MA 外形尺寸 15
F3W-MA 外形尺寸 16

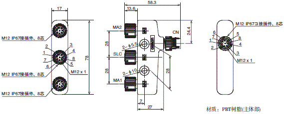
投光器用4连接器插头/插座 两侧接插件(另售:F39-GCN4-L)

F3W-MA 外形尺寸 17

受光器用4连接器插头/插座 两侧接插件(另售:F39-GCN4-D)

F3W-MA 外形尺寸 18