Page top

D4A-□N

一般用限位开关

D4A-□N

密封性、耐冲击性、耐强度的小型限位开关

D4A-□N部分产品已于2023年3月底订货截止。D4A系列部分产品预定于2025年3月底订货截止。

(单位:mm)

成套型号

(型号中的框指示开关盒类型。)

滚珠摆杆型开关

注:提供了侧面旋转类型的摆杆(可选)。

标准型
D4A-3□01N, D4A-4□01N
高灵敏度型
D4A-3□02N, D4A-4□02N
低转矩
D4A-3□03N, D4A-4□03N
高灵敏度型/低转矩
D4A-3□04N, D4A-4□04N
顺序操作
D4A-4□17N
中心操作
D4A-4□18N

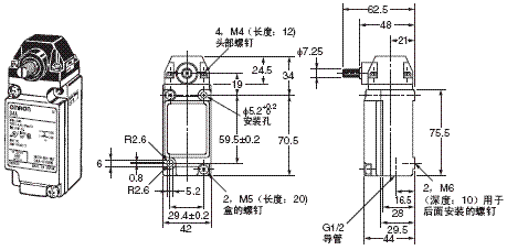
D4A-□N 外形尺寸 6 D4A-3[]01N_Dim

保持型
D4A-3□05N, D4A-4□05N

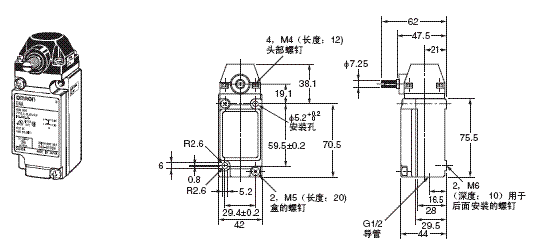
D4A-□N 外形尺寸 8

注: 上述各机型的外形尺寸中的未注公差为±0.4mm。

型号 SPDT双断
动作特性 D4A-D4A-
3[]01N
D4A-3□02N D4A-3□03N D4A-3□04N D4A-3□05N
动作力 OF最大 0.39N·m 0.39N·m 0.2N·m 0.2N·m 0.39N·m
回复力 RF最大 0.05N·m 0.05N·m --- --- ---
预行程 PT最大 15° (12°) 7° (6°) 15° (12°) 7° (6°) 65° (60°)
过行程 OT最大 70° 75° 70° 75° 20°
应差距离 MD最大 5° (4°) 4° (3°) 5° (4°) 4° (3°) 35° (30°)

型号 DPDT双断
动作特性 D4A-
4□01N
D4A-
4□02N
D4A-
4□03N
D4A-
4□04N
D4A-
4□05N
D4A-
4□17N
D4A-
4□18N
动作力 OF最大 0.39N·m 0.39N·m 0.2N·m 0.2N·m 0.39N·m 0.39N·m 0.39N·m
回复力 RF最大 0.05N·m 0.05N·m --- --- --- 0.05N·m 0.02N·m
预行程 PT最大 15° (12°) 7° (6°) 15° (12°) 7° (6°) 65° (60°) 1阶段: 19° (15°)
过行程 OT最大 70° 75° 70° 75° 20° 12° (10°) 65°
应差距离 MD最大 7° (6°) 5° (4°) 7° (6°) 5° (4°) 35° (30°) 2阶段: 5° (4°)

注: 括号中的数字为平均值。

侧面柱塞型开关

标准型
D4A-3□06N, D4A-4□06N

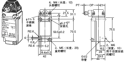
D4A-□N 外形尺寸 15 D4A-3[]06N_Dim

水平滚珠
D4A-3□07-HN, D4A-4□07-HN

D4A-□N 外形尺寸 17 D4A-3[]07-HN_Dim

垂直滚珠
D4A-3□07-VN, D4A-4□07-VN

D4A-□N 外形尺寸 19 D4A-3[]07-VN_Dim

可调式
D4A-3□08N, D4A-4□08N

D4A-□N 外形尺寸 21

型号 SPDT双断 DPDT双断
动作特性 D4A-3□06N D4A-3□07-HN D4A-3□07-VN D4A-3□08N D4A-4□06N D4A-4□07-HN D4A-4□07-VN D4A-4□08N
动作力 OF最大 19.61 N 19.61 N 19.61 N 19.61 N 19.61 N 19.61 N 19.61 N 19.61 N
回复力 RF最大 4.90 N 4.90 N 4.90 N 4.90 N 4.90 N 4.90 N 4.90 N 4.90 N
预行程 PT最大 2.4mm 2.4mm 2.4mm 2.4mm 2.4mm 2.4mm 2.4mm 2.4mm
过行程 OT最大 5.1mm 5.1mm 5.1mm 5.1mm 5.1mm 5.1mm 5.1mm 5.1mm
应差距离 MD最大 MD最大 0.6mm 0.6mm 0.6mm 0.6mm 1.0mm 1.0mm 1.0mm 1.0mm
OP* 34±0.8mm 44±0.8mm 44±0.8mm 41~47.5mm 34±0.8mm 44±0.8mm 44±0.8mm 41~47.5mm

*动作位置

顶部柱塞型开关

标准型
D4A-3□09N, D4A-4□09N

D4A-□N 外形尺寸 26 D4A-3[]09N_Dim

滚珠柱塞型
D4A-3□10N, D4A-4□10N

D4A-□N 外形尺寸 28 D4A-3[]10N_Dim

可调式
D4A-3□11N, D4A-4□11N

D4A-□N 外形尺寸 30 D4A-3[]11N_Dim

注:叉式摆杆锁定型只能用于D4A-□□05N型号。

D4A-□N 外形尺寸 32

触须型

弹簧钢丝
D4A-3□12N, D4A-4□12N

D4A-□N 外形尺寸 35 D4A-3[]12N_Dim

注:1.不锈钢触须可从出来轴方向(即从顶部)之外的任意方向操作。
2.不锈钢触须的最佳操作范围是从顶端开始的全长1/3距离内。

塑料触须
D4A-3□14N, D4A-4□14N

D4A-□N 外形尺寸 38

注:1.不锈钢触须可从出来轴方向(即从顶部)之外的任意方向操作。
2.不锈钢触须的最佳操作范围是从顶端开始的全长1/3距离内。

触须线
D4A-3□15N, D4A-4□15N

D4A-□N 外形尺寸 41

注:1.不锈钢触须可从出来轴方向(即从顶部)之外的任意方向操作。
2.不锈钢触须的最佳操作范围是从顶端开始的全长1/3距离内。

盘簧型
D4A-3□16N, D4A-4□16N

D4A-□N 外形尺寸 44 D4A-3[]16N_Dim

注:1.不锈钢触须可从出来轴方向(即从顶部)之外的任意方向操作。
2.不锈钢触须的最佳操作范围是从顶端开始的全长1/3距离内。

注: 上述各机型的外形尺寸中的未注公差为±0.4mm。

型号 SPDT双断 DPDT双断
动作特性 D4A-3□12N D4A-3□14N D4A-3□15N D4A-3□16N D4A-4□12N D4A-4□14N D4A-4□15N D4A-4□16N
动作力
OF最大
0.98 N 1.47 N 0.98 N 1.47 N
预行程
PT最大
15° (5°) 15° (5°) 15° (5°) 15° (5°)

注:括号中的数字为平均值。

摆杆(用于滚珠摆杆型开关)

注: 任何D4A-0003N或D4A-0004N头部都不应用于可调式滚珠摆杆型,否则由于可调式滚珠摆杆型的总重量相当大,可能导致出现机械故障。可替代使用标准负载头部(D4A-0001N或D4A-0002N)。

滚珠摆杆型
D4A-A00

滚珠摆杆型
D4A-A10

D4A-□N 外形尺寸 53 D4A-A00_Dim
D4A-□N 外形尺寸 54 D4A-A10_Dim

滚珠摆杆型
D4A-A20

滚珠摆杆型
D4A-A30

D4A-□N 外形尺寸 57 D4A-A20_Dim
D4A-□N 外形尺寸 58 D4A-A30_Dim

滚珠摆杆型
D4A-B06

D4A-□N 外形尺寸 60 D4A-B06_Dim

可调式滚珠摆杆型
D4A-C00

可调式滚珠摆杆型
D4A-D00

D4A-□N 外形尺寸 63 D4A-C00_Dim
D4A-□N 外形尺寸 64 D4A-D00_Dim

叉式摆杆锁定型
D4A-E30

叉式摆杆锁定型
D4A-E20

D4A-□N 外形尺寸 68 D4A-E30_Dim
D4A-□N 外形尺寸 69 D4A-E20_Dim

叉式摆杆锁定型
D4A-E10

叉式摆杆锁定型
D4A-E00

D4A-□N 外形尺寸 73 D4A-E10_Dim
D4A-□N 外形尺寸 74 D4A-E00_Dim

尼龙环摆杆型
D4A-F00

D4A-□N 外形尺寸 76 D4A-F00_Dim

注:上述各机型的外形尺寸中的未注公差为±0.4mm。

头部和摆杆位置

操作头部可定位和锁定在四个90° 位置的任一位置,且摆杆可锁定在绕限位开关轴360° 范围的任何位置。而且摆杆可反转并连接到轴上(参见右手侧下面的图) 。因此摆杆兼容挡块的较广的移动范围。

叉式摆杆锁定型只能用于保持型(D4A-0005N)。

D4A-□N 外形尺寸 81 D4A-[]N_Dim5

摆杆位置

D4A-A00

D4A-A10

D4A-□N 外形尺寸 85 D4A-A00_Dim
D4A-□N 外形尺寸 86 D4A-A10_Dim

D4A-A20

D4A-A30

D4A-□N 外形尺寸 89 D4A-A20_Dim
D4A-□N 外形尺寸 90 D4A-A30_Dim