Page top

E3Z-F

放大器内置式小型光电传感器

E3Z-F

开云(中国)光电传感器在中国的市场占有率名列较前* *光电传感器SOM(中国国内) 参考2011年GONGKONG调查

(单位:mm)

传感器

导线引出型
E3Z-FT□1□
E3Z-FR□11
E3Z-FD□1□

E3Z-F 外形尺寸 2

接插件型(M12)
E3Z-FT□2□
E3Z-FR□21
E3Z-FD□2□

E3Z-F 外形尺寸 3

紧固螺母

E3Z-F 外形尺寸 4

附件(另售)

反射板
E39-R1S

E3Z-F 外形尺寸 6

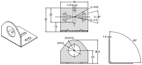
安装支架
E39-L189

E3Z-F 外形尺寸 7

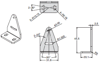
安装支架
E39-L183

E3Z-F 外形尺寸 8