Page top

WL-N / WLG

2回路限位开关

WL-N / WLG

可根据使用环境和用途进行选择,2回路限位开关

深入了解WL-N/WL 限位开关

高耐环境性,高耐久性,使用更方便的限位开关!

(单位:mm)

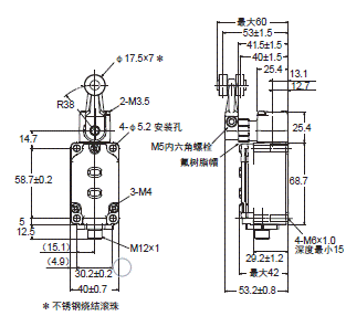
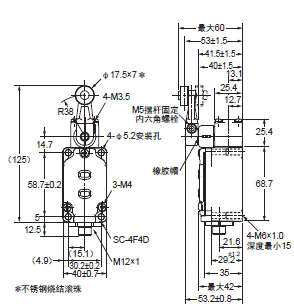
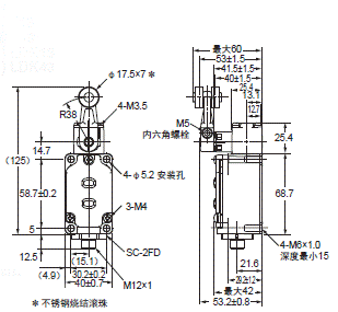
一般型

注:各机种的外形尺寸图中,未注公差为±0.4mm。

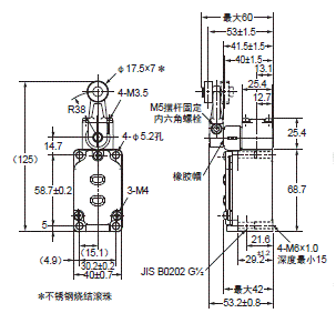
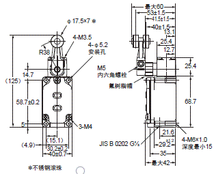
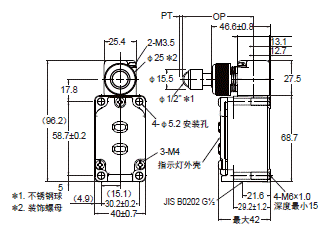
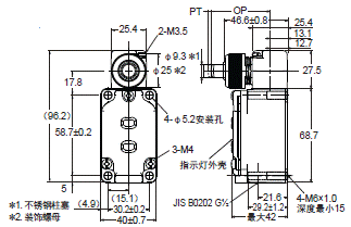
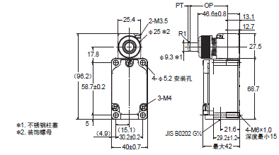
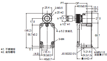
滚珠摆杆

螺钉紧固端子

滚珠摆杆R38

WLCA2 (-55) -N
WLCA2-2 (55) -N
WLCA2-2N (55) -N

WL-N / WLG 外形尺寸 4

滚珠摆杆R38 带动作指示灯

LED
WLCA2- (55) LD-N
WLCA2-2 (55) LD-N
WLCA2-2N (55) LD-N
氖灯
WLCA2- (55) LE-N
WLCA2-2 (55) LE-N
WLCA2-2N (55) LE-N

WL-N / WLG 外形尺寸 5

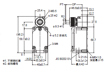
滚珠摆杆R38

WLG2 (-55)
WLGCA2 (-55)

WL-N / WLG 外形尺寸 6

滚珠摆杆R38 带动作指示灯

LED
WLG2-(55) LD
WLGCA2-(55) LD
氖灯
WLG2- (55) LE
WLGCA2-(55) LE

WL-N / WLG 外形尺寸 7

动作特性

WL-N / WLG 外形尺寸 8

螺钉紧固端子

滚珠摆杆R50

WLCA2-7-N

WL-N / WLG 外形尺寸 10

滚珠摆杆R50 带动作指示灯

LED
WLCA2-7LD-N
氖灯
WLCA2-7LE-N

WL-N / WLG 外形尺寸 11

滚珠摆杆R63

WLCA2-8-N

WL-N / WLG 外形尺寸 12

滚珠摆杆R63 带动作指示灯

LED
WLCA2-8LD-N
氖灯
WLCA2-8LE-N

WL-N / WLG 外形尺寸 13

动作特性

WL-N / WLG 外形尺寸 14

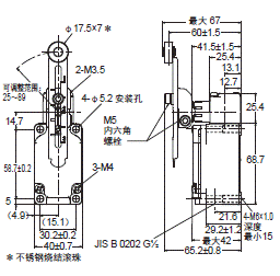
螺钉紧固端子

可调式滚珠摆杆(R25~89mm)

WLCA12 (-55) -N
WLCA12-2-N
WLCA12-2N-N

WL-N / WLG 外形尺寸 16

可调式滚珠摆杆(R25~89mm) 带动作指示灯

LED
WLCA12- (55) LD-N
WLCA12-2LD-N
WLCA12-2NLD-N
氖灯
WLCA12- (55) LE-N
WLCA12-2LE-N
WLCA12-2NLE-N

WL-N / WLG 外形尺寸 17

可调式滚珠摆杆(R25~89mm)

WLG12

WL-N / WLG 外形尺寸 18

可调式滚珠摆杆(R25~89mm) 带动作指示灯

LED
WLG12-LD
氖灯
WLG12-LE

WL-N / WLG 外形尺寸 19

动作特性

WL-N / WLG 外形尺寸 20

* 摆杆长度为38mm时的数值。

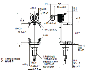
直出接插件型

滚珠摆杆R38 带动作指示灯

LED
WLCA2-LDK13A-N
WLCA2- (55) LDK13-N
WLCA2-LDK43A-N
WLCA2- (55) LDK43-N

WL-N / WLG 外形尺寸 22

滚珠摆杆R38 带动作指示灯

LED
WLG2- (55) LDK13
WLG2- (55) LDK43
WLGCA2- (55) LDK13
WLGCA2- (55) LDK43

WL-N / WLG 外形尺寸 23

动作特性

WL-N / WLG 外形尺寸 24

预制线接插件型

滚珠摆杆R38 带动作指示灯

LED
螺钉式(M12)
WLCA2- (55) LD-M1J-N
WLCA2- (55) LD-M1GJ-N
WLCA2- (55) LD-DGJ-N
WLCA2- (55) LD-DK1EJ-N
Smartclick
WLCA2 (55) LD-DTGJ-N
WLCA2-LD-DTK1EJ-N

WL-N / WLG 外形尺寸 26

滚珠摆杆R38 带动作指示灯

LED
螺钉式(M12)
WLG2- (55) LD-M1J
WLG2- (55) LD-M1GJ
WLG2- (55) LD-M1JB
WLG2- (55) LD-DGJ03
WLG2- (55) LD-DK1EJ03
Smartclick
WLG2- (55) LD-M1TJ
WLG2- (55) LD-M1TGJ
WLG2- (55) LD-M1TJB
WLG2- (55) LD-DTGJ03
WLG2- (55) LD-DTK1EJ03

WL-N / WLG 外形尺寸 27

动作特性

WL-N / WLG 外形尺寸 28

柱塞

螺钉紧固端子

密封顶部滚珠柱塞

WLD28 (-55) -N

WL-N / WLG 外形尺寸 31

密封顶部滚珠柱塞 带动作指示灯

LED
WLD28- (55) LD-N
氖灯
WLD28- (55) LE-N

WL-N / WLG 外形尺寸 32

顶部滚珠柱塞

WLD2 (-55) -N

WL-N / WLG 外形尺寸 33

顶部滚珠柱塞 带动作指示灯

LED
WLD2-(55)LD-N
氖灯
WLD2-(55)LE-N

WL-N / WLG 外形尺寸 34

密封顶部柱塞

WLD18-N

WL-N / WLG 外形尺寸 35

密封顶部柱塞 带动作指示灯

LED
WLD18-LD-N
氖灯
WLD18-LE-N

WL-N / WLG 外形尺寸 36

密封顶部球式柱塞

WLD38-N

WL-N / WLG 外形尺寸 37

密封顶部球式柱塞 带动作指示灯

LED
WLD38-LD-N
氖灯
WLD38-LE-N

WL-N / WLG 外形尺寸 38

动作特性

WL-N / WLG 外形尺寸 39

螺钉紧固端子

侧面柱塞

WLSD (-55) -N

WL-N / WLG 外形尺寸 41

侧面柱塞 带动作指示灯

LED
WLSD- (55) LD-N
氖灯
WLSD-LE-N

WL-N / WLG 外形尺寸 42

侧面滚珠柱塞

WLSD2 (-55) -N

WL-N / WLG 外形尺寸 43

侧面滚珠柱塞 带动作指示灯

LED
WLSD2- (55) LD-N
氖灯
WLSD2-LE-N

WL-N / WLG 外形尺寸 44

侧面球式柱塞

WLSD3-N

WL-N / WLG 外形尺寸 45

侧面球式柱塞 带动作指示灯

LED
WLSD3-LD-N
氖灯
WLSD3-LE-N

WL-N / WLG 外形尺寸 46

动作特性

WL-N / WLG 外形尺寸 47

直出接插件型

密封顶部滚珠柱塞
带动作指示灯

LED
WLD28- (55) LDK13-N
WLD28- (55) LDK43-N

WL-N / WLG 外形尺寸 49

预制线接插件型

密封顶部滚珠柱塞 带动作指示灯
螺钉式(M12)

LED
WLD28- (55) LD-M1J-N
WLD28- (55) LD-M1GJ-N
WLD28- (55) LD-DGJ-N
WLD28- (55) LD-DK1EJ-N

WL-N / WLG 外形尺寸 51

动作特性

WL-N / WLG 外形尺寸 52

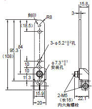
触须

螺钉紧固端子

可调式棒式摆杆(25~140mm)

WLCL (-55) -N
WLCL-2-N
WLCL-2N-N

WL-N / WLG 外形尺寸 55

可调式棒式摆杆(25~140mm) 带动作指示灯

LED
WLCL- (55) LD-N
WLCL-2LD-N
WLCL-2NLD-N
氖灯
WLCL-LE-N
WLCL-2LE-N
WLCL-2NLE-N

WL-N / WLG 外形尺寸 56

可调式棒式摆杆(25~140mm)

WLGL

WL-N / WLG 外形尺寸 57

可调式棒式摆杆(25~140mm)  带动作指示灯

LED
WLGL-LD
氖灯
WLGL-LE

WL-N / WLG 外形尺寸 58

动作特性

WL-N / WLG 外形尺寸 59

* 棒长度为140mm时的数值。

螺钉紧固端子

可调式棒式摆杆(350~380mm)

WLCAL4-N

WL-N / WLG 外形尺寸 61

可调式棒式摆杆(350~380mm)  带动作指示灯

LED
WLCAL4-LD-N
氖灯
WLCAL4-LE-N

WL-N / WLG 外形尺寸 62

动作特性

WL-N / WLG 外形尺寸 63

注:WLCAL4-N、WLCAL4-LD-N、WLCAL4-LE-N的驱动杆自重大,在有些安装方向,可能会导致复位不良,应始终将驱动杆朝下安装。
* 棒长度为380mm时的数值。

螺钉紧固端子

弹簧棒式摆杆

WLCAL5-N

WL-N / WLG 外形尺寸 65

弹簧棒式摆杆 带动作指示灯

LED
WLCAL5-LD-N
氖灯
WLCAL5-LE-N

WL-N / WLG 外形尺寸 66

动作特性

WL-N / WLG 外形尺寸 67

注:WLCAL5-N、WLCAL5-LD-N、WLCAL5-LE-N的驱动杆自重大,在有些安装方向,可能会导致复位不良,应始终将驱动杆朝下安装。
* 棒长度为380mm时的数值。

触须

螺钉紧固端子

盘簧

WLNJ (-55) -N

WL-N / WLG 外形尺寸 70

盘簧 带动作指示灯

LED
WLNJ- (55) LD-N
氖灯
WLNJ-LE-N

WL-N / WLG 外形尺寸 71

盘簧(多圈)

WLNJ-30-N

WL-N / WLG 外形尺寸 72

盘簧(多圈)  带动作指示灯

LED
WLNJ-30LD-N
氖灯
WLNJ-30LE-N

WL-N / WLG 外形尺寸 73

动作特性

WL-N / WLG 外形尺寸 74

* 指弹簧、棒或钢丝前端的值。

触须

螺钉紧固端子

树脂棒

WLNJ-2 (55) -N

WL-N / WLG 外形尺寸 77

树脂棒 带动作指示灯

LED
WLNJ-2(55)LD-N
氖灯
WLNJ-2LE-N

WL-N / WLG 外形尺寸 78

钢丝

WLNJ-S2-N

WL-N / WLG 外形尺寸 79

钢丝 带动作指示灯

LED
WLNJ-S2LD-N
氖灯
WLNJ-S2LE-N

WL-N / WLG 外形尺寸 80

动作特性

WL-N / WLG 外形尺寸 81

* 指弹簧、棒或钢丝前端的值。

叉式锁定摆杆

螺钉紧固端子

WLCA32-41-N
WLCA32-42-N
WLCA32-43-N
WLCA32-44-N

WL-N / WLG 外形尺寸 83

带动作指示灯

LED
WLCA32-41LD-N
WLCA32-43LD-N
氖灯
WLCA32-41LE-N
WLCA32-42LE-N
WLCA32-43LE-N

WL-N / WLG 外形尺寸 84

动作特性

WL-N / WLG 外形尺寸 85

耐环境型

滚珠摆杆

螺钉紧固端子

滚珠摆杆R38

耐热型
WLCA2-TH-N
WLCA2-2TH-N
WLCA2-2NTH-N
耐寒型
WLCA2-TC-N
WLCA2-2TC-N
WLCA2-2NTC-N
耐腐蚀型
WLCA2-RP-N
耐候性型
WLCA2-P1-N

WL-N / WLG 外形尺寸 89

滚珠摆杆R38

耐热型
WLG2-TH
WLGCA2-TH
耐寒型
WLG2-TC
WLGCA2-TC
耐腐蚀型
WLCA2-RP-N
耐候性型
WLCA2-P1-N

WL-N / WLG 外形尺寸 90

动作特性

WL-N / WLG 外形尺寸 91

电缆直出型

滚珠摆杆R38

耐冷却剂型
WLCA2-RP60-N
WLCA2-2RP60-N
塑封端子-139
WLCA2-139-N
WLCA2-2139-N
WLCA2-2N139-N

WL-N / WLG 外形尺寸 93

滚珠摆杆R38 带动作指示灯

耐冷却剂规格
WLCA2-RP60LD2-N
WLCA2-RP60LD3-N
WLCA2-2RP60LD2-N
WLCA2-2RP60LD3-N
塑封端子-139
WLCA2-139LD2-N
WLCA2-139LD3-N
WLCA2-2139LD2-N
WLCA2-2139LD3-N

WL-N / WLG 外形尺寸 94

滚珠摆杆R38

塑封端子-140
WLCA2-140-N
WLCA2-2N140-N
塑封端子-141
WLCA2-141-N

WL-N / WLG 外形尺寸 95

滚珠摆杆R38 带动作指示灯

塑封端子-141
WLCA2-141LD2-N
WLCA2-141LD3-N

WL-N / WLG 外形尺寸 96

动作特性

WL-N / WLG 外形尺寸 97

滚珠摆杆R38 

耐冷却剂型
WLG2-RP60
塑封端子-139
WLG2-139

WL-N / WLG 外形尺寸 98

滚珠摆杆 R38 带动作指示灯

耐冷却剂规格
WLG2-RP60LD2
WLG2-RP60LD3
WLGCA2-RP60LD2
WLGCA2-RP60LD3
塑封端子-139
WLG2-139LD3

WL-N / WLG 外形尺寸 99

滚珠摆杆R38 

塑封端子-140
WLG2-140
塑封端子-141
WLG2-141

WL-N / WLG 外形尺寸 100

滚珠摆杆R38 带动作指示灯

塑封端子-140
WLG2-140LD2
WLG2-140LD3
塑封端子-141
WLG2-141LD2
WLG2-141LD3
WLGCA2-141LD3

WL-N / WLG 外形尺寸 101

动作特性

WL-N / WLG 外形尺寸 102

螺钉紧固端子

可调式滚珠摆杆(R25~89mm)

耐热型
WLCA12-TH-N
WLCA12-2TH-N
WLCA12-2NTH-N
耐寒型
WLCA12-TC-N
WLCA12-2TC-N
WLCA12-2NTC-N
耐候性型
WLCA12-P1-N
耐腐蚀型
WLCA12-RP-N

WL-N / WLG 外形尺寸 104

可调式滚珠摆杆(R25~89mm)

耐热型
WLG12-TH
耐寒型
WLG12-TC
耐候性型
WLG12-P1
耐腐蚀型
WLG12-RP

WL-N / WLG 外形尺寸 105

动作特性

WL-N / WLG 外形尺寸 106

注:摆杆长度为38mm时的数值。

电缆直出型

可调式滚珠摆杆(R25~89mm)

耐冷却剂规格
WLCA12-RP60-N
塑封端子-139
WLCA12-139-N

WL-N / WLG 外形尺寸 108

可调式滚珠摆杆(R25~89mm)

塑封端子-140
WLCA12-140-N
塑封端子-141
WLCA12-141-N

WL-N / WLG 外形尺寸 109

动作特性

WL-N / WLG 外形尺寸 110

注:摆杆长度为38mm时的数值。

柱塞

螺钉紧固端子

密封顶部滚珠柱塞

耐热规格
WLD28-TH-N
耐寒规格
WLD28-TC-N
耐腐蚀规格
WLD28-RP-N

WL-N / WLG 外形尺寸 113

顶部滚珠柱塞

耐热规格 WLD2-TH-N

WL-N / WLG 外形尺寸 114

侧面柱塞

耐热规格
WLSD-TH-N
耐寒规格
WLSD-TC-N
耐腐蚀规格
WLSD-RP-N

WL-N / WLG 外形尺寸 115

侧面滚珠柱塞

耐热规格
WLSD2-TH-N
耐寒规格
WLSD2-TC-N
耐腐蚀规格
WLSD2-RP-N

WL-N / WLG 外形尺寸 116

动作特性

WL-N / WLG 外形尺寸 117

电缆直出型

密封顶部滚珠柱塞

耐冷却剂规格
WLD28-RP60-N
塑封端子-139
WLD28-139-N

WL-N / WLG 外形尺寸 119

密封顶部滚珠柱塞

塑封端子-140
WLD28-140-N

WL-N / WLG 外形尺寸 120

顶部滚珠柱塞

耐冷却剂规格
WLD2-RP60-N

WL-N / WLG 外形尺寸 121

侧面柱塞

塑封端子-139型
WLSD-139-N

WL-N / WLG 外形尺寸 122

侧面滚珠柱塞

耐冷却剂规格
WLSD2-RP60-N
塑封端子-139
WLSD2-139-N

WL-N / WLG 外形尺寸 123

侧面滚珠柱塞

塑封端子-140
WLSD2-140-N

WL-N / WLG 外形尺寸 124

动作特性

WL-N / WLG 外形尺寸 125

触须

螺钉紧固端子

盘簧

耐热规格
WLNJ-TH-N
耐寒规格
WLNJ-TC-N
耐腐蚀规格
WLNJ-RP-N

WL-N / WLG 外形尺寸 128

树脂棒

耐腐蚀规格
WLNJ-2RP-N

WL-N / WLG 外形尺寸 129

动作特性

WL-N / WLG 外形尺寸 130

* 指弹簧、棒或钢丝前端的值。

电缆直出型

盘簧

耐冷却剂规格
WLNJ-RP60-N
塑封端子-139
WLNJ-139-N

WL-N / WLG 外形尺寸 132

盘簧

塑封端子-140
WLNJ-140-N

WL-N / WLG 外形尺寸 133

树脂棒

耐冷却剂规格
WLNJ-2RP60-N
塑封端子-139
WLNJ-2139-N

WL-N / WLG 外形尺寸 134

树脂棒

塑封端子-140
WLNJ-2140-N

WL-N / WLG 外形尺寸 135

动作特性

WL-N / WLG 外形尺寸 136

* 指弹簧、棒或钢丝前端的值。

防溅型

滚珠摆杆

滚珠摆杆R38

内六角摆杆
带动作指示灯(LED)
WLCA2-LDS-N
带动作指示灯(氖灯)
WLCA2-LES-N

WL-N / WLG 外形尺寸 139

滚珠摆杆R38

内六角摆杆
带动作指示灯(LED)
WLG2-LDS
WLGCA2-LDS
带动作指示灯(氖灯)
WLG2-LES
WLGCA2-LES

WL-N / WLG 外形尺寸 140

滚珠摆杆R38

双螺母摆杆
带动作指示灯(LED)
WLCA2-LDAS-N
带动作指示灯(氖灯)
WLCA2-LEAS-N

WL-N / WLG 外形尺寸 141

滚珠摆杆R38

双螺母摆杆
带动作指示灯(LED)
WLG2-LDAS
带动作指示灯(氖灯)
WLG2-LEAS

WL-N / WLG 外形尺寸 142

动作特性

WL-N / WLG 外形尺寸 143

预制线接插件型(螺钉式)

滚珠摆杆R38

内六角摆杆
带动作指示灯(LED)
WLCA2-LDS-M1J-1-N
WLCA2-LDS-DGJS-N

WL-N / WLG 外形尺寸 145

滚珠摆杆R38

内六角摆杆
螺钉式(M12)
带动作指示灯(LED)
WLG2-LDS-DGJS03
WLG2-LDS-DK1EJ03
WLG2-55LDS-M1J-1
WLG2-55LDS-M1GJ-1
WLG2-55LDS-DGJS03
WLG2-LDS-M1J-1
WLG2-LDS-M1GJ-1
WLGCA2-LDS-M1J-1
WLGCA2-LDS-M1GJ-1

WL-N / WLG 外形尺寸 146

预制线接插件型(Smartclick)

滚珠摆杆 R38

内六角摆杆
带动作指示灯(LED)
WLCA2-LDS-DTGJS-N

WL-N / WLG 外形尺寸 148

滚珠摆杆R38

内六角摆杆
Smartclick
带动作指示灯(LED)
WLG2-LDS-DTGJS03
WLG2-55LDS-M1TGJ

WL-N / WLG 外形尺寸 149

动作特性

WL-N / WLG 外形尺寸 150

密封顶部滚珠柱塞

带动作指示灯
LED
WLD28-LDS-N
氖灯
WLD28-LES-N

WL-N / WLG 外形尺寸 151

密封顶部滚珠柱塞

螺钉式(M12)
WLD28-LDS-M1J-1-N
WLD28-LDS-M1GJ-1-N
WLD28-LDS-DGJS-N
Smartclick
WLD28-LDS-DTGJS-N

WL-N / WLG 外形尺寸 152

动作特性

WL-N / WLG 外形尺寸 153

长寿命型

滚珠摆杆

螺钉紧固端子

滚珠摆杆R38

带动作指示灯(LED)
WLMCA2-LD-N

WL-N / WLG 外形尺寸 157

滚珠摆杆R38

带动作指示灯(LED)
WLMG2-LD

WL-N / WLG 外形尺寸 158

滚珠摆杆R38

带动作指示灯(LED)
WLMGCA2-LD

WL-N / WLG 外形尺寸 159

动作特性

WL-N / WLG 外形尺寸 160

接插件直出型

滚珠摆杆R38

带动作指示灯(LED)
WLMCA2-LDK13A-N
WLMCA2-LDK43A-N
WLMCA2-LDK13-N
WLMCA2-LDK43-N

WL-N / WLG 外形尺寸 162

滚珠摆杆R38

带动作指示灯(LED)
WLMG2-LDK13A
WLMG2-LDK43A
WLMG2-LDK13
WLMG2-LDK43

WL-N / WLG 外形尺寸 163

滚珠摆杆R38

带动作指示灯(LED)
WLMGCA2-LDK13A
WLMGCA2-LDK43A
WLMGCA2-LDK13
WLMGCA2-LDK43

WL-N / WLG 外形尺寸 164

动作特性

WL-N / WLG 外形尺寸 165

预制线接插件型

滚珠摆杆R38

带动作指示灯(LED)
螺钉式(M12)
WLMCA2-LD-M1J-N
WLMCA2-LD-AGJ-N
WLMCA2-LD-DGJ-N
Smartclick
WLMCA2-LD-DTGJ-N

WL-N / WLG 外形尺寸 167

滚珠摆杆R38

带动作指示灯(LED)
螺钉式(M12)
WLMG2-LD-M1J
WLMG2-LD-DGJ03

WL-N / WLG 外形尺寸 168

滚珠摆杆R38

带动作指示灯(LED)
螺钉式(M12)
WLMGCA2-LD-M1J
Smartclick
WLMGCA2-LD-DTGJ03

WL-N / WLG 外形尺寸 169

动作特性

WL-N / WLG 外形尺寸 170

共通附件(另售)

传感器I/O接插件
XS2F-A421-□□0-F
XS2F-D421-□D0
XS2F-D421-□□0-F

WL-N / WLG 外形尺寸 172

XS5F-D421-□80-F

WL-N / WLG 外形尺寸 173

端子片
WL-N端子片

WL-N / WLG 外形尺寸 174

侧面安装片
WLN-P001

WL-N / WLG 外形尺寸 175

SC-2F

WL-N / WLG 外形尺寸 176

SC-2FAD

WL-N / WLG 外形尺寸 177

SC-4F4AD

WL-N / WLG 外形尺寸 178

SC-4F4D

WL-N / WLG 外形尺寸 179

注1:上述各机种的外形尺寸图中,未注公差为±0.4mm。
注2:( )中的数字为接插件端子编号。

驱动杆单品

WL-1A100

标准摆杆

WL-N / WLG 外形尺寸 183

WL-1A115

塑料滚珠

WL-N / WLG 外形尺寸 185

WL-1A400

轴承滚珠

WL-N / WLG 外形尺寸 187

WL-1A118

滚珠宽度30 尼龙滚珠

WL-N / WLG 外形尺寸 189

WL-1A105

双螺母紧固

WL-N / WLG 外形尺寸 191

WL-1A103S

防溅用

WL-N / WLG 外形尺寸 193

WL-1A105S

防溅用

WL-N / WLG 外形尺寸 195

WL-1A200

摆杆长度50、滚珠宽度15

WL-N / WLG 外形尺寸 197

WL-1A300

摆杆长度63

WL-N / WLG 外形尺寸 199

注:外形尺寸图中,未注公差为±0.4mm。

WL-2A100

WL-N / WLG 外形尺寸 201

WL-2A111

塑料滚珠

WL-N / WLG 外形尺寸 203

WL-2A107

双螺母紧固

WL-N / WLG 外形尺寸 205

WL-2A108

塑料滚珠

WL-N / WLG 外形尺寸 207

WL-2A122

WL-N / WLG 外形尺寸 208

WL-2A106

WL-N / WLG 外形尺寸 209

WL-2A130

WL-N / WLG 外形尺寸 210

WL-2A104

WL-N / WLG 外形尺寸 211

WL-2A110

WL-N / WLG 外形尺寸 212

WL-2A105

WL-N / WLG 外形尺寸 213

WL-2A105

WL-N / WLG 外形尺寸 214

WL-1A110

WL-N / WLG 外形尺寸 215

注:外形尺寸图中,未注公差为±0.4mm。

WL-4A100

WL-N / WLG 外形尺寸 217

WL-4A201

WL-N / WLG 外形尺寸 218

WL-3A100

WL-N / WLG 外形尺寸 219

WL-3A106

双螺母紧固

WL-N / WLG 外形尺寸 221

WL-3A108

WL-N / WLG 外形尺寸 222

WL-3A200

WL-N / WLG 外形尺寸 223

WL-3A203

WL-N / WLG 外形尺寸 224

WL-4A112

WL-N / WLG 外形尺寸 225

WL-2A129

WL-N / WLG 外形尺寸 226

WL-5A101

WL-N / WLG 外形尺寸 227

WL-5A103

WL-N / WLG 外形尺寸 228

WL-5A105

WL-N / WLG 外形尺寸 229

注1:外形尺寸图中,未注公差为±0.4mm。
注2:使用可调式滚珠(棒式)摆杆时,请将摆杆朝下使用。 此外,还可能出现Telegraphing (开关因惯性而反复ON、OFF的现象),敬请注意。