Page top

WL / WLM

2回路限位开关/长寿命2回路限位开关

WL / WLM

可根据使用环境和用途进行选择,品种丰富的2回路限位开关

WL高灵敏度型、高精度型的部分型号(微小负载系列)WL01G2系列、WL01GCA2系列于2019年3月底订货截止。WL、WL-N部分产品已于2021年10月底订货截止。WL系列部分产品预定于2025年3月底订货截止。

(单位:mm)

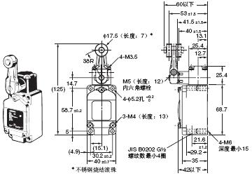
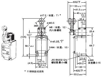
一般型

标准型

标准型

旋转摆杆型

各型号的WL□为标准型, WL01□为微小负载型。

滚珠摆杆R38型
WLCA2
WL01CA2

WL / WLM 外形尺寸 5

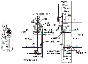
滚珠摆杆R50型
WLCA2-7
WL01CA2-7

WL / WLM 外形尺寸 6

滚珠摆杆R63型
WLCA2-8
WL01CA2-8

WL / WLM 外形尺寸 7

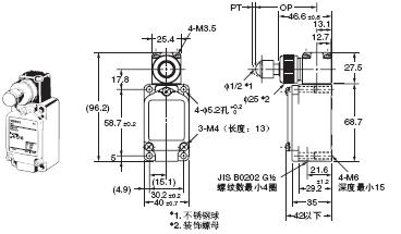
可调式滚珠摆杆型
WLCA12
WL01CA12

WL / WLM 外形尺寸 8

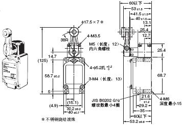
可调式棒式摆杆型(25~140mm)
WLCL
WL01CL

WL / WLM 外形尺寸 9

叉式摆杆锁定型
WLCA32-41~44
WL01CA32-41~44

WL / WLM 外形尺寸 10

注:各机种的外形尺寸图中, 未注公差为±0.4mm。

WL / WLM 外形尺寸 12

*1. WLCA12、WL01CA12的动作特性是指摆杆长度为38mm时的数值。
*2. WLCL、WL01CL的动作特性是指棒长度为140mm时的数值。

柱塞型

各型号的WL□为标准型, WL01□为微小负载型。

顶部柱塞型
WLD
WL01D

WL / WLM 外形尺寸 14

水平柱塞型
WLSD
WL01SD

WL / WLM 外形尺寸 15

顶部滚珠柱塞型
WLD2
WL01D2

WL / WLM 外形尺寸 16

水平滚珠柱塞型
WLSD2
WL01SD2

WL / WLM 外形尺寸 17

顶部球式柱塞型
WLD3
WL01D3

WL / WLM 外形尺寸 18

水平球式柱塞型
WLSD3
WL01SD3

WL / WLM 外形尺寸 19

密封顶部滚珠柱塞型
WLD28
WL01D28

WL / WLM 外形尺寸 20

注: 各机种的外形尺寸图中,未注公差为±0.4mm。

WL / WLM 外形尺寸 22

触须型

各型号的WL□为标准型、WL01□为微小负载型。

盘簧型
WLNJ
WL01NJ

WL / WLM 外形尺寸 24

盘簧型(多圈)
WLNJ-30
WL01NJ-30

WL / WLM 外形尺寸 25

盘簧型(树脂棒)
WLNJ-2
WL01NJ-2

WL / WLM 外形尺寸 26

钢丝型
WLNJ-S2
WL01NJ-S2

WL / WLM 外形尺寸 27

注:各机种的外形尺寸图中, 未注公差为±0.4mm。

WL / WLM 外形尺寸 29

* 带*的机种的场合, 指的是弹簧或钢丝前端的值。

过行程

一般型、高灵敏度型

各型号的WL□为标准型、WL01□为微小负载型。

滚珠摆杆R38型
WLH2
WL01H2
WLG2
WL01G2

WL / WLM 外形尺寸 32

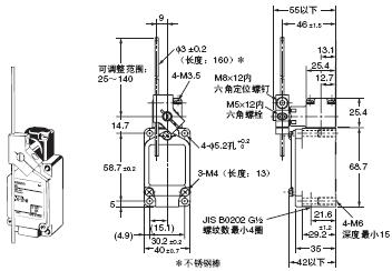
可调式棒式摆杆型
WLHL
WL01HL
WLGL
WL01GL

WL / WLM 外形尺寸 33

可调式滚珠摆杆型
WLH12
WL01H12
WLG12
WL01G12

WL / WLM 外形尺寸 34

可调式棒式摆杆型
WLHAL4
WL01HAL4

WL / WLM 外形尺寸 35

弹簧棒式摆杆型
WLHAL5
WL01HAL5

WL / WLM 外形尺寸 36

注: 各机种的外形尺寸图中,未注公差为±0.4mm。

注:WLHAL4、WL01HAL4、WLHAL5、WL01HAL5的驱动杆自重大, 在有些安装方向, 可能会导致复位不良。应始终将驱动杆朝下安装。
*1. WLH12、WL01HL12、WLG12、WL01G12的动作特性指的是摆杆长度为38mm时的数值。
*2. WLHL、WL01HL、WLGL、WL01GL的动作特性指的是棒长度为140mm时的数值。
*3. WLHAL4、WL01HAL4的动作特性指的是棒长度为380mm时的数值。

WL / WLM 外形尺寸 38

WLH12、WL01H12的摆杆长度为89mm时OF、RF的参考值

WL / WLM 外形尺寸 39

90°动作型

各型号的WL□为标准型、WL01□为微小负载型。

滚珠摆杆型
WLCA2-2N
WL01CA2-2N

WL / WLM 外形尺寸 41

滚珠摆杆型
WLCA2-2
WL01CA2-2

WL / WLM 外形尺寸 42

可调式滚珠摆杆型
WLCA12-2N
WL01CA12-2N

WL / WLM 外形尺寸 43

可调式滚珠摆杆型
WLCA12-2
WL01CA12-2

WL / WLM 外形尺寸 44

可调式棒式摆杆型
WLCL-2N
WL01CL-2N

WL / WLM 外形尺寸 45

可调式棒式摆杆型
WLCL-2
WL01CL-2

WL / WLM 外形尺寸 46

注:各机种的外形尺寸图中, 未注公差为±0.4mm。

*1. WLCA12-2N、WL01CA12-2N的动作特性指的是摆杆长度为38mm时的数值。
*2. WLCL-2N、WL01CL-2N的动作特性指的是棒长度为140mm时的数值。

WL / WLM 外形尺寸 48

WLCA12-2N、WL01CA12-2N摆杆的长度为89mm时, OF、RF的参考值。

WL / WLM 外形尺寸 49

高精度型

各型号的WL□为标准型、WL01□为微小负载型。

滚珠摆杆型
WLGCA2
WL01GCA2

WL / WLM 外形尺寸 51

注:各机种的外形尺寸图中, 未注公差为±0.4mm。

WL / WLM 外形尺寸 53

传感器I/O接插件型开关

直出接插件型/预制线接插件型

关于适用电缆请参见catalog。

滚珠摆杆型

各型号的WL□为标准型、WL01□为微小负载型。

标准型(WLCA2)、高精度型(WLGCA2)、
过行程型一般型(WLH2)、过行程型高灵敏度型(WLG2)

接插件型

WL / WLM 外形尺寸 58

预制线接插件型

WL / WLM 外形尺寸 59

注1. WLG2型只有设置位置显示板的外形不同。
2. 各机种的外形尺寸图中, 未注公差为±0.4mm。
3. 上图为带动作指示灯型。

WL / WLM 外形尺寸 61

顶部滚珠柱塞型(WLD2)

直出接插件型

WL / WLM 外形尺寸 63

预制线接插件型

WL / WLM 外形尺寸 64

注1. 各机种的外形尺寸图中, 未注公差为±0.4mm。
2. 上图为带动作指示灯型。

WL / WLM 外形尺寸 66

动作指示灯型

滚珠摆杆型
WLCA2-LE/LD
WL01CA2-LE/LD

WL / WLM 外形尺寸 68

注:各机种的外形尺寸图中, 未注公差为±0.4mm。

WL / WLM 外形尺寸 70

防溅型

滚珠摆杆型(螺丝端子型)
WLCA2-□S/WL01□-□S
WLH2-□S/WLG2-□S
WLGCA2-□S

WL / WLM 外形尺寸 72

滚珠摆杆型(预制线接插件型)
WLCA2-□S-M1J*/WL01□-□S-M1J*
WLH2-□S-M1J*/WLG2-□S-M1J*
WLGCA2-□S-M1J*

* 不同芯线的外形尺寸相同。

WL / WLM 外形尺寸 73

密封顶部滚珠柱塞型(螺丝端子型)
WLD28-□S

WL / WLM 外形尺寸 74

密封顶部滚珠柱塞型(预制线接插件型)
WLD28-□S-M1J*

* 不同芯线的外形尺寸相同。

WL / WLM 外形尺寸 75

注:各机种的外形尺寸图中, 未注公差为±0.4mm。

WL / WLM 外形尺寸 77

长寿命型

旋转摆杆型

滚珠摆杆型(螺丝端子型)
WLM□-LD

WL / WLM 外形尺寸 80

滚珠摆杆型(直出接插件型)
WLM□-LD□

WL / WLM 外形尺寸 81

滚珠摆杆型(预制线接插件型)
WLM□-LD□

WL / WLM 外形尺寸 82

注: 各机种的外形尺寸图中,未注公差为±0.4mm。

WL / WLM 外形尺寸 84

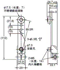
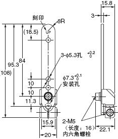
驱动杆(仅摆杆)

摆杆(仅适用于旋转摆杆型。)

WL-1A100
标准摆杆

WL / WLM 外形尺寸 87

WL-1A115
树脂滚珠

WL / WLM 外形尺寸 88

WL-1A400
轴承滚珠

WL / WLM 外形尺寸 89

WL-1A118
尼龙滚珠:
滚珠宽:30mm

WL / WLM 外形尺寸 90

WL-1A105
双螺母

WL / WLM 外形尺寸 91

WL-1A103S
防溅用

WL / WLM 外形尺寸 92

WL-1A200
摆杆长:50
滚珠宽:15

WL / WLM 外形尺寸 93

WL-1A300
摆杆长:63

WL / WLM 外形尺寸 94

WL-2A100

WL / WLM 外形尺寸 95

WL-2A111
树脂滚珠

WL / WLM 外形尺寸 96

WL-2A107
双螺母

WL / WLM 外形尺寸 97

WL-2A108
树脂滚珠

WL / WLM 外形尺寸 98

WL-2A122

WL / WLM 外形尺寸 99

WL-2A106

WL / WLM 外形尺寸 100

WL-2A130

WL / WLM 外形尺寸 101

WL-2A104

WL / WLM 外形尺寸 102

WL-2A110

WL / WLM 外形尺寸 103

WL-2A105

WL / WLM 外形尺寸 104

WL-1A106

WL / WLM 外形尺寸 105

WL-1A110

WL / WLM 外形尺寸 106

WL-4A100

WL / WLM 外形尺寸 107

WL-4A201

WL / WLM 外形尺寸 108

WL-3A100

WL / WLM 外形尺寸 109

WL-3A106
双螺母

WL / WLM 外形尺寸 110

WL-3A108

WL / WLM 外形尺寸 111

WL-3A200

WL / WLM 外形尺寸 112

WL-3A203

WL / WLM 外形尺寸 113

WL-4A112

WL / WLM 外形尺寸 114

WL-2A129

WL / WLM 外形尺寸 115

WL-5A101
WL-5A100为塑料滚珠

WL / WLM 外形尺寸 116

WL-5A103
WL-5A102为塑料滚珠

WL / WLM 外形尺寸 117

WL-5A105
WL-5A104为塑料滚珠

WL / WLM 外形尺寸 118

注1. 各机种的外形尺寸图中, 未注公差为±0.4mm。
2. 使用可调式滚珠(棒式) 摆杆时, 请使摆杆朝下。此外, 有可能出现摇摆现象(开关由于惯性反复ON、OFF的现象), 请注意。