Page top

E5DC-800/E5DC-B-800

温控器(数字调节仪)(22.5mm宽DIN导轨安装型)

E5DC-800/E5DC-B-800

E5DC-800安装至DIN导轨,可理想连接 人机界面和PLC。作为E5□C-800系列的一部分,提供了 简易操作和高性能。扩充了Push-In Plus端子台型的产品阵容。

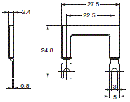
(单位:mm)

控制器

E5DC-800

E5DC-800/E5DC-B-800 外形尺寸 2

E5DC-B-800

E5DC-800/E5DC-B-800 外形尺寸 3
E5DC-800/E5DC-B-800 外形尺寸 4

• 建议面板厚度为1~8 mm。
• 垂直方向上不可进行组合安装。(在温控器间保持规定的安装间隔)。
• 当安装两台或两台以上的数字温控器时,请确保周围温度没有超出规格表中指定的允许工作温度范围。

附件(另售)

端子单元
E5DC-SCT1S

E5DC-800/E5DC-B-800 外形尺寸 6

Push-In Plus端子单元
E5DC-SCT1B

E5DC-800/E5DC-B-800 外形尺寸 7

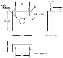
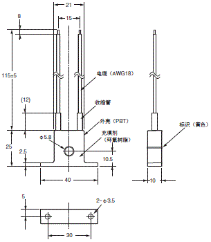
电流检测器电流检测器

E54-CT1

E5DC-800/E5DC-B-800 外形尺寸 9

E54-CT1L

E5DC-800/E5DC-B-800 外形尺寸 10

贯通电流(Io)与输出电压(Eo)(参考值)
E54-CT1或E54-CT1L

E5DC-800/E5DC-B-800 外形尺寸 11

加热器最大持续电流: 50A (50/60Hz)
线圈数: 400±2
线圈电阻: 18±2 Ω

E54-CT3

E5DC-800/E5DC-B-800 外形尺寸 12

E54-CT3附件

E5DC-800/E5DC-B-800 外形尺寸 13

E54-CT3L

E5DC-800/E5DC-B-800 外形尺寸 14

贯通电流(Io)与输出电压(Eo)(参考值)
E54-CT3或E54-CT3L

E5DC-800/E5DC-B-800 外形尺寸 15

加热器最大持续电流: 120 A (50/60Hz)
(用于开云(中国)数字温控器的加热器最大持续电流为50A。)
线圈数: 400±2
线圈电阻: 8±0.8 Ω

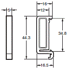
安装适配器
Y92F-53 (2个装)

E5DC-800/E5DC-B-800 外形尺寸 16

不与产品随附。
柜面安装时,请另行订购。

短杆
Y92S-P11 (4个装)

E5DC-800/E5DC-B-800 外形尺寸 17

请用于E5DC-800多联使用时的跨接接线(电源、通信等)。

终端板
PFP-M

E5DC-800/E5DC-B-800 外形尺寸 18

DIN导轨
PFP-100N
PFP-50N

E5DC-800/E5DC-B-800 外形尺寸 19

*括号内的数字为PFP-50N的尺寸。

隔片
PFP-S

E5DC-800/E5DC-B-800 外形尺寸 20

单元标签
Y92S-L2

E5DC-800/E5DC-B-800 外形尺寸 21

使用数字面板仪表的单位标签。
请从单位标签表中选择°C或°F。

端盖
Y92F-54 (2个装)

E5DC-800/E5DC-B-800 外形尺寸 22

请用于E5DC-800/E5DC-B-800柜面安装时,隐藏本体与面板的间隙。

端子盖
E53-COV26

E5DC-800/E5DC-B-800 外形尺寸 23

E5DC-B-800 Push-In Plus端子单元安装有公头和母头端子盖(E53-COV26)。
端子盖丢失或损坏时,请另行订购。