Page top

E5□Z

数字温控器

E5□Z

1/16、1/8、1/4 DIN温控器加入畅销的 E5□Z系列

(单位:mm)

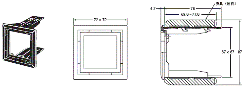
E5CZ/E5CZ-U

E5CZ
端子型号

E5□Z 外形尺寸 2

注: 请勿取下端子块。

E5□Z 外形尺寸 3

• 建议面板厚度为1~5mm。
• 垂直方向上不可进行组合安装。 (在温控器间保持规定的安装间隔)。
• 为了使温控器具备防水能力,可将防水垫安装至温控器。
• 安装了两个或以上的控制器时,
 应确保周围温度不超过规格中规定的使用环境温度。

E5CZ-U
插入式型号

E5□Z 外形尺寸 4

注: E5CZ-U不带防水功能。

E5□Z 外形尺寸 5

• 建议面板厚度为1~5mm。
• 垂直方向上不可进行组合安装。(在温控器间保持规定的安装间隔)。
• 安装了两个或以上的控制器时,
 应确保周围温度不超过规格中规定的使用环境温度。

E5AZ/E5EZ

E5AZ

E5□Z 外形尺寸 7

注: 要从外壳上取下控制器,请在按下前面板顶部钩子的同时使用螺丝刀松开前面板底部的螺丝。

E5□Z 外形尺寸 8

• 建议面板厚度为1~8mm。
• 垂直方向上不可进行组合安装。
 (在温控器间保持规定的安装间隔)。
• 为了使温控器具备防水能力,可将防水垫安装至温控器。
• 安装了两个或以上的控制器时,
 应确保周围温度不超过规格中规定的使用环境温度。

E5EZ
端子型号

E5□Z 外形尺寸 9

注: 要从外壳上取下控制器,请在按下前面板顶部钩子的同时使用螺丝刀松开前面板底部的螺丝。

E5□Z 外形尺寸 10

• 建议面板厚度为1~8mm。
• 垂直方向上不可进行组合安装。(在温控器间保持规定的安装间隔)。
• 为了使温控器具备防水能力,可将防水垫安装至温控器。
• 安装了两个或以上的控制器时,
 应确保周围温度不超过规格中规定的使用环境温度。

E5EZ-PRR

E5□Z 外形尺寸 11

面板裁切

E5□Z 外形尺寸 12

• 建议面板厚度为1~8mm。
• 垂直方向上不可进行组合安装(在温控器间保持规定的安装间隔)。
• 当安装两台或两台以上的温控器时,
 请确保周围温度没有超过规格表中指定的允许工作温度范围。

附件

USB串行转换电缆(另售)

E58-CIFQ1

E5□Z 外形尺寸 15

端子盖(另售)

E53-COV17

E5□Z 外形尺寸 17

注: 请勿使用E53-COV10。

E53-COV11
(提供双盖)
(另售)

E5□Z 外形尺寸 18

E53-COV18 (只用于E5EZ-PRR)

E5□Z 外形尺寸 19

防水垫

Y92S-29 (用于DIN 48 × 48)

E5□Z 外形尺寸 21

防水垫丢失或损坏时,请另行订购。
防水包装保护构造相当于IP66 (室内使用)。
(防水垫可能会因工作环境等因素发生老化、收缩或硬化。 因此,为确保始终符合IP66中(室内使用)指定的防水等级要求,建议进行定期更换。 定期更换时间因工作环境而定, 用户需根据现场情况进行确认。 可将1年作为一个大致的标准。 若未进行定期更换,开云(中国)公司对其防水等级将不负任何责任。)
无防水构造要求时,则无需安装防水垫。
注: E5CZ-U不带防水功能。

Y92S-P4 (DIN 96 × 96用)

E5□Z 外形尺寸 22

Y92S-P4 (DIN 48 × 96用)

E5□Z 外形尺寸 23

防水垫丢失或损坏时,请另行订购。
防水包装保护构造相当于IP66 (室内使用)。
(防水垫可能会因工作环境等因素发生老化、收缩或硬化。 因此,为确保始终符合IP66中(室内使用)指定的防水等级要求,建议进行定期更换。 定期更换时间因工作环境而定, 用户需根据现场情况进行确认。 可将1年作为一个大致的标准。 若未进行定期更换,开云(中国)公司对其防水等级将不负任何责任。)
无防水构造要求时,则无需安装防水垫。

单元标签(另售)

Y92S-L1类型

E5□Z 外形尺寸 26

电流变送器(另售)

E54-CT1

E5□Z 外形尺寸 28

E54-CT3

E5□Z 外形尺寸 29

E54-CT3附件

E5□Z 外形尺寸 30

连接示例

E5□Z 外形尺寸 31

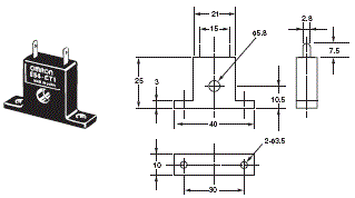
适配器(另售)

注1. E5B□已有面板时,使用该适配器。
 2. 仅黑色有售。

Y92F-45

E5□Z 外形尺寸 33

安装到E5CZ

E5□Z 外形尺寸 34

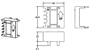
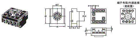
E5CZ-U接线插座(另售)

前面接线式插座
P2CF-11

E5□Z 外形尺寸 36

注: 带手指保护的型号(P2CF-11-E)也有售。

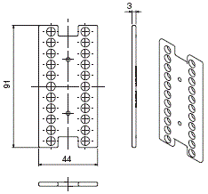
背面接线式插座
P3GA-11

E5□Z 外形尺寸 37

注1. 使用其它插座将影响精度, 只能使用规定的插座。
 2. 带手指保护的保护盖(Y92A-48G)也有售。