Page top

E3X-ZD

数字光纤传感器

E3X-ZD

简便的E3X-ZD系列 能简单操作的光纤传感器

E3X-ZD系列预定于2026年9月底订货截止。

(单位:mm)

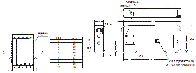
放大器单元

导线引出型
E3X-ZD11
E3X-ZD41

E3X-ZD 外形尺寸 2

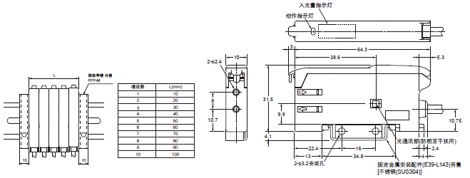
接插件型
E3X-ZD6
E3X-ZD8

E3X-ZD 外形尺寸 3

省配线接插件单元

母接插件 E3X-CN11

E3X-ZD 外形尺寸 5

子接插件
E3X-CN12

E3X-ZD 外形尺寸 6