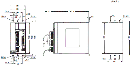
(单位:mm)
AC伺服电机/驱动器“G5系列”脉冲串输入型
信息更新: 2013年5月16日
(单位:mm)
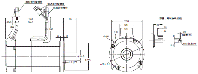
无制动器
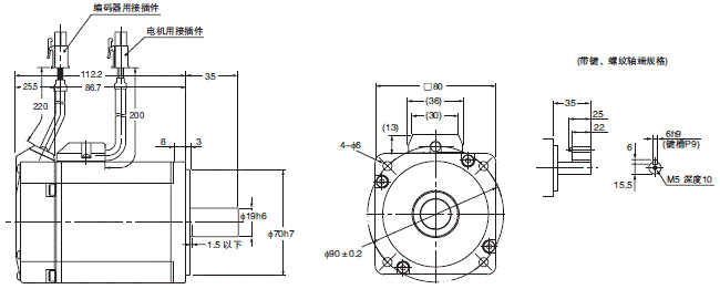
R88M-KE05030H(-S2)
R88M-KE10030H(-S2)
| 型号 | 尺寸(mm) | ||
|---|---|---|---|
| LL | LM | LN | |
| R88M-KE05030□-Z | 72 | 48 | 26.5 |
| R88M-KE10030□-Z | 92 | 68 | 46.5 |
带制动器
R88M-KE05030H-B(S2)
R88M-KE10030H-B(S2)
| 型号 | 尺寸(mm) | ||
|---|---|---|---|
| LL | LM | LN | |
| R88M-KE05030□-B□-Z | 102 | 78 | 26.5 |
| R88M-KE10030□-B□-Z | 122 | 98 | 46.5 |
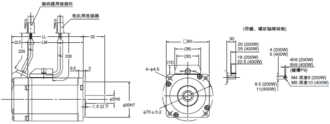
无制动器
R88M-KE20030H(-S2)
R88M-KE40030H(-S2)
| 型号 | 尺寸(mm) | ||
|---|---|---|---|
| LL | LM | LN | |
| R88M-KE20030□-Z | 79.5 | 57 | 11 |
| R88M-KE40030□-Z | 99 | 76.5 | 14 |
注:标准的轴形状为直轴。型号后面有“S2”时带键、螺纹孔。
型号后面带“O”的为带油封规格,电机本体尺寸不变。
带制动器
R88M-KE20030H-B(S2)
R88M-KE40030H-B(S2)
| 型号 | 尺寸(mm) | ||
|---|---|---|---|
| LL | LM | LN | |
| R88M-K20030□-B□-Z | 116 | 93.5 | 11 |
| R88M-K40030□-B□-Z | 135.5 | 113 | 14 |


注:标准的轴形状为直轴。型号后面有“S2”时带键、螺纹孔。
型号后面带“O”的为带油封规格,电机本体尺寸不变。
无制动器
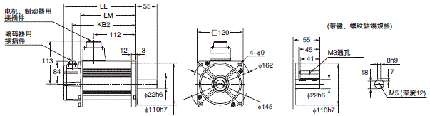
R88M-KE1K030H(-S2)
R88M-KE1K530H(-S2)
R88M-KE2K030H(-S2)
带制动器
R88M-KE1K030H-B(S2)
R88M-KE1K530H-B(S2)
R88M-KE2K030H-B(S2)
| 型号 | 尺寸(mm) | |||
|---|---|---|---|---|
| LL | LM | KB1 | KB2 | |
| R88M-KE1K030□-Z | 142 | 97 | 66 | 122 |
| R88M-KE1K530□-Z | 160.5 | 115.5 | 84.5 | 140.5 |
| R88M-KE2K030□-Z | 179.5 | 134.5 | 103.5 | 159.5 |
| R88M-KE1K030□-B□-Z | 169 | 124 | 66 | 149 |
| R88M-KE1K530□-B□-Z | 187.5 | 142.5 | 84.5 | 167.5 |
| R88M-KE2K030□-B□-Z | 206.5 | 161.5 | 103.5 | 186.5 |
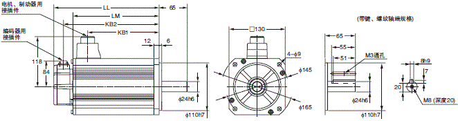
无制动器
R88M-KE3K030H(-S2)
带制动器
R88M-KE3K030H-B(S2)
| 型号 | 尺寸(mm) | ||
|---|---|---|---|
| LL | LM | LN | |
| R88M-KE3K030□-Z | 191 | 146 | 171 |
| R88M-KE3K030□-B□-Z | 216 | 171 | 196 |
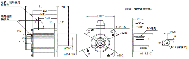
无制动器
R88M-KE4K030H(-S2)
R88M-KE5K030H(-S2)
带制动器
R88M-KE4K030H-B(S2)
R88M-KE5K030H-B(S2)
| 型号 | 尺寸(mm) | |||
|---|---|---|---|---|
| LL | LM | KB1 | KB2 | |
| R88M-KE4K030□-Z | 209 | 164 | 127 | 189 |
| R88M-KE5K030□-Z | 244 | 199 | 162 | 224 |
| R88M-KE4K030□-B□-Z | 237 | 192 | 127 | 217 |
| R88M-KE5K030□-B□-Z | 272 | 227 | 162 | 252 |
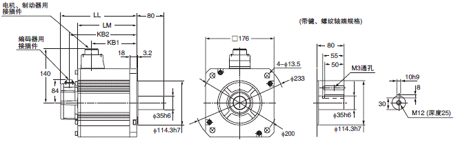
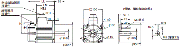
无制动器
R88M-KE1K020H(-S2)
R88M-KE1K520H(-S2)
R88M-KE2K020H(-S2)
R88M-KE3K020H(-S2)
带制动器
R88M-KE1K020H-B(S2)
R88M-KE1K520H-B(S2)
R88M-KE2K020H-B(S2)
R88M-KE3K020H-B(S2)
| 型号 | 尺寸(mm) | |||||
|---|---|---|---|---|---|---|
| LL | LR | LM | S | KB1 | KB2 | |
| R88M-KE1K020□-Z | 139 | 55 | 94 | 22 | 60 | 119 |
| R88M-KE1K520□-Z | 156.5 | 55 | 111.5 | 22 | 77.5 | 136.5 |
| R88M-KE2K020□-Z | 174 | 55 | 129 | 22 | 95 | 154 |
| R88M-KE3K020□-Z | 209 | 65 | 164 | 24 | 127 | 189 |
| R88M-KE1K020□-B□-Z | 167 | 55 | 122 | 22 | 60 | 147 |
| R88M-KE1K520□-B□-Z | 184.5 | 55 | 139.5 | 22 | 77.5 | 164.5 |
| R88M-KE2K020□-B□-Z | 202 | 55 | 157 | 22 | 95 | 182 |
| R88M-KE3K020□-B□-Z | 237 | 65 | 192 | 24 | 127 | 217 |
无制动器
R88M-KE4K020H(-S2)
R88M-KE5K020H(-S2)
带制动器
R88M-KE4K020H-B(S2)
R88M-KE5K020H-B(S2)
| 型号 | 尺寸(mm) | |||
|---|---|---|---|---|
| LL | LM | KB1 | KB2 | |
| R88M-KE4K020□-Z | 178 | 133 | 96 | 158 |
| R88M-KE5K020□-Z | 197 | 152 | 115 | 177 |
| R88M-KE4K020□-B□-Z | 207 | 162 | 96 | 187 |
| R88M-KE5K020□-B□-Z | 226 | 181 | 115 | 206 |
注:标准的轴形状为直轴。型号后面有“S2”时带键、螺纹孔。
型号后面带“O”的为带油封规格,电机本体尺寸不变。
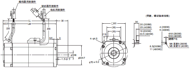
无制动器
R88M-KE90010H(-S2)
带制动器
R88M-KE90010H-B(S2)
| 型号 | 尺寸(mm) | ||
|---|---|---|---|
| LL | LM | KB2 | |
| R88M-KE90010□-Z | 156.5 | 111.5 | 136.5 |
| R88M-KE90010□-B□-Z | 184.5 | 139.5 | 164.5 |
无制动器
R88M-KE2K010H(-S2)
R88M-KE3K010H(-S2)
带制动器
R88M-KE2K010H-B(S2)
R88M-KE3K010H-B(S2)
| 型号 | 尺寸(mm) | |||
|---|---|---|---|---|
| LL | LM | KB1 | KB2 | |
| R88M-KE2K010□-Z | 164.5 | 119.5 | 82.5 | 144.5 |
| R88M-KE3K010□-Z | 210.5 | 165.5 | 128.5 | 190.5 |
| R88M-KE2K010□-B□-Z | 193.5 | 148.5 | 82.5 | 173.5 |
| R88M-KE3K010□-B□-Z | 239.5 | 194.5 | 128.5 | 219.5 |
注:标准的轴形状为直轴。型号后面有“S2”时带键、螺纹孔。
型号后面带“O”的为带油封规格,电机本体尺寸不变。
信息更新: 2013年5月16日