Page top

LYJ

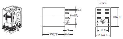
一般通用继电器

LYJ

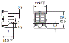
电弧屏障装备高绝缘强度(AC2,000V)

(单位:mm)

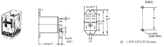
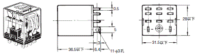
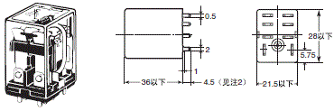
焊接/插入端子继电器

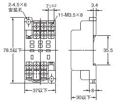
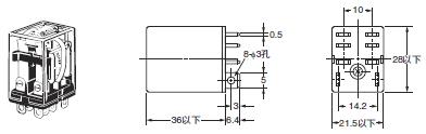
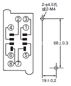
LY1-J

LYJ 外形尺寸 2

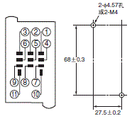
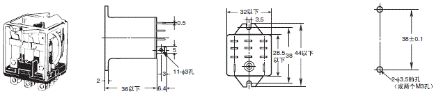
LY2-J/LY2N-J

LYJ 外形尺寸 3

注:DC型号具有极性。

LY3-J/LY3N-J

LYJ 外形尺寸 4

注:DC型号具有极性。

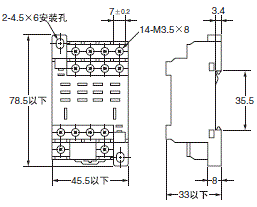
LY4-J/LY4N-J

LYJ 外形尺寸 5

注:DC型号具有极性。

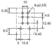
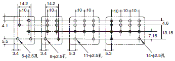
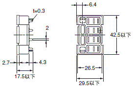
PCB端子继电器

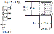
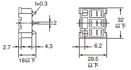
LY1-0J/LY2-0J

LYJ 外形尺寸 7

注1. 上列型号为LY2-0J。
 2. 此形状为6.4适用于LY1-0J。

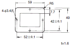
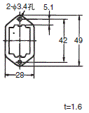
PCB开孔
(底视图)

LYJ 外形尺寸 8

注1. 上列形式的公差为0.1mm。
 2. 除端子外,LY1-0J一些部件也带电。
   当安装LU1-0J到双面PC板上时应予注意。

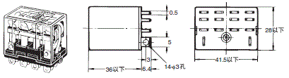
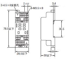
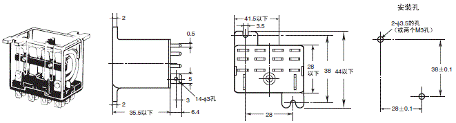
上端安装继电器

LY2FJ

LYJ 外形尺寸 10

注:LY2FJ为8个φ3孔。

LY3FJ

LYJ 外形尺寸 11

LY4FJ

LYJ 外形尺寸 12

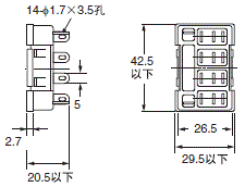
附件

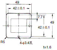
导轨安装插座(UL File No.E87929)(CSA Report No.LR31928)

PTF08A

LYJ 外形尺寸 15

PTF08A-E

LYJ 外形尺寸 16

端子配置/安装孔
(顶视图)

LYJ 外形尺寸 17

PTF11A

LYJ 外形尺寸 18

端子配置/安装孔
(顶视图)

LYJ 外形尺寸 19

导轨安装插座(UL File No. E87929)(CSA Report No.LR31928)

PTF14A

LYJ 外形尺寸 21

PTF14A-E

LYJ 外形尺寸 22

端子配置/安装孔
(顶视图)

LYJ 外形尺寸 23

带插座的继电器安装高度
(适用于所有的PTF□A插座)

LYJ 外形尺寸 24

背面连接插座(UL File No. E87929)(CSA Report No.LR31928)

PT08

LYJ 外形尺寸 25

端子配置
(底视图)

LYJ 外形尺寸 26

PT11

LYJ 外形尺寸 27

端子配置
(底视图)

LYJ 外形尺寸 28

背面连接插座(UL File No. E87929)(CSA Report No.LR31928)

PT14

LYJ 外形尺寸 30

端子配置
(底视图)

LYJ 外形尺寸 31

带插座的继电器安装高度
(适用于所有的PTF□A插座)

LYJ 外形尺寸 32

背面连接插座(UL File No. E87929)(CSA Report No.LR31928)

PT08-0
端子配置与PT08相同

LYJ 外形尺寸 34

安装孔
(底视图)

LYJ 外形尺寸 35

PT11-0
端子配置与PT11相同

LYJ 外形尺寸 36

安装孔
(底视图)

LYJ 外形尺寸 37

背面连接插座(UL File No. E87929)(CSA Report No.LR31928)

PT14-0
端子配置与PT14相同

LYJ 外形尺寸 39

安装孔
(底视图)

LYJ 外形尺寸 40

继电器固定支架

PYC-A1
带PTF□A插座

LYJ 外形尺寸 42

PYC-S
继电器安装片
(安装片仅适用于类型PYP-1和PYP-18的插座)

LYJ 外形尺寸 43

PYC-P
带PT□插座

LYJ 外形尺寸 44

背面连接插座的安装片

PYP-1

LYJ 外形尺寸 46

PYP-1-3

LYJ 外形尺寸 47

PTP-1

LYJ 外形尺寸 48

PYP-18

LYJ 外形尺寸 49

PTP-10

LYJ 外形尺寸 50

PTP-12

LYJ 外形尺寸 51