Page top

V680S系列

RFID系统

V680S系列

集天线、放大器、控制器于一身的3合1型

(单位:mm)

读写器

EtheNet/IP型,PROFINET型

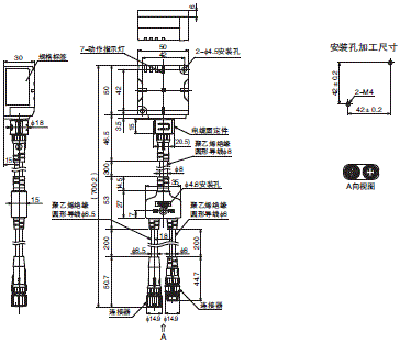
V680S-HMD63-EIP
V680S-HMD63-PNT

V680S系列 外形尺寸 3

V680S-HMD64-EIP
V680S-HMD64-PNT

V680S系列 外形尺寸 4

V680S-HMD66-EIP
V680S-HMD66-PNT

V680S系列 外形尺寸 5

Modbus TCP型

V680S-HMD63-ETN

V680S系列 外形尺寸 7

V680S-HMD64-ETN

V680S系列 外形尺寸 8

V680S-HMD66-ETN

V680S系列 外形尺寸 9

RF标签

V680S-D2KF67/-D2KF67M
V680S-D8KF67/-D8KF67M

V680S系列 外形尺寸 11

V680S-D2KF68/-D2KF68M
V680S-D8KF68/-D8KF68M

V680S系列 外形尺寸 12

V680-D1KP54T

V680S系列 外形尺寸 13

V680-D1KP66T/-D1KP66MT

V680S系列 外形尺寸 14

V680-D1KP66T-SP

V680S系列 外形尺寸 15

V680-D1KP58HTN

V680S系列 外形尺寸 16

RF标签用附件

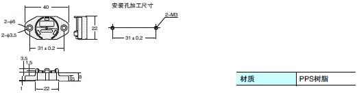
V680-D1KP66T用附件
V600-A86

V680S系列 外形尺寸 18

V680-D1KP58HTN用附件
V680-A80

V680S系列 外形尺寸 19

V680-D1KP54T用附件
V700-A80

V680S系列 外形尺寸 20

电缆(Modbus TCP型用)

V680S-A41 □M
专用连接器-RJ45连接器型

V680S系列 外形尺寸 22

V680S-A42 □M
专用连接器-散线型

V680S系列 外形尺寸 23

延长电缆(Modbus TCP型用)

V680S-A40 □M
专用连接器-专用连接器型

V680S系列 外形尺寸 25

Ethernet电缆(推荐产品)

插头两侧带连接器电缆(M12 直型/RJ45)
XS5W-T421-□MC-K

V680S系列 外形尺寸 27

插头两侧带连接器电缆(M12 L型/RJ45)
XS5W-T422-□MC-K

V680S系列 外形尺寸 28

注. 详情请参阅《工业用以太网连接器产品目录》(样本编号:CDJC-CN5-006)。

电源电缆(EtherNet/IP型用) (推荐产品)

XS5F-D42□-□80-□

V680S系列 外形尺寸 30

注1 . 阻燃性、机器人电缆产品(XS5F-D42□-□80-F)护套颜色为暖灰色。
 2 . 详情请参阅《工业用连接器产品目录》(样本编号:CDJC-011)。