Page top

E3JK (NEW)

AC/DC自由电源型光电传感器

E3JK (NEW)

AC/DC电源都适用的长距离光电传感器

(单位:mm)

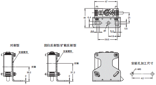
本体

对射型
E3JK-T□1□

E3JK (NEW) 外形尺寸 2

<投光器>
E3JK-T□1□-L

E3JK (NEW) 外形尺寸 3

<受光器>
E3JK-T□1□-D

E3JK (NEW) 外形尺寸 4

回归反射型/扩散反射型
E3JK-R□1□
E3JK-D□1□

E3JK (NEW) 外形尺寸 5
E3JK (NEW) 外形尺寸 6

附件

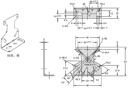
金属安装配件(另售)

安装配件
E39-L40

E3JK (NEW) 外形尺寸 9

安装金属配件时

E3JK (NEW) 外形尺寸 10

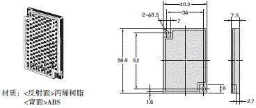
反射板(另售)

E39-R1
E39-R1S

E3JK (NEW) 外形尺寸 12

E39-R2

E3JK (NEW) 外形尺寸 13