Page top

3G3MX2-ZV1

多功能小型变频器 MX2-ZV1系列

3G3MX2-ZV1

协调一致的电机和机器控制 支持开放式网络

(单位:mm)

变频器

3G3MX2-AB002-ZV1
3G3MX2-AB004-ZV1
3G3MX2-A2001-V1
3G3MX2-A2002-V1
3G3MX2-A2004-V1
3G3MX2-A2007-V1

3G3MX2-ZV1 外形尺寸 2

3G3MX2-AB007-ZV1
3G3MX2-AB015-ZV1
3G3MX2-AB022-ZV1
3G3MX2-A2015-ZV1
3G3MX2-A2022-ZV1
3G3MX2-A4004-ZV1
3G3MX2-A4007-ZV1
3G3MX2-A4015-ZV1
3G3MX2-A4022-ZV1

3G3MX2-ZV1 外形尺寸 3

3G3MX2-A2037-ZV1
3G3MX2-A4040-ZV1

3G3MX2-ZV1 外形尺寸 4

3G3MX2-A2055-ZV1
3G3MX2-A2075-ZV1
3G3MX2-A4055-ZV1
3G3MX2-A4075-ZV1

3G3MX2-ZV1 外形尺寸 5

3G3MX2-A2110-V1
3G3MX2-A4110-ZV1
3G3MX2-A4150-ZV1

3G3MX2-ZV1 外形尺寸 6

3G3MX2-A2150-V1

3G3MX2-ZV1 外形尺寸 7

通信单元

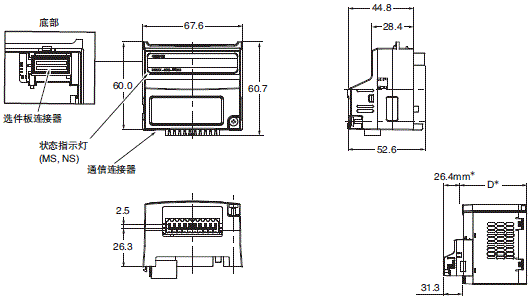
MX2系列EtherCAT通信单元

3G3AX-MX2-ECT

3G3MX2-ZV1 外形尺寸 10

* 安装EtherCAT通信单元后,变频器相关尺寸D会增大26.4mm。
(变频器的尺寸D因容量而异。 详情请参阅“MX2系列用户手册”(样本编号:I585))

MX2系列CompoNet通信单元

3G3AX-MX2-CRT-E

3G3MX2-ZV1 外形尺寸 12

* 安装CompoNet通信单元后,变频器的尺寸D会增大26.4mm。
(变频器的尺寸D因容量而异。 详情请参阅“MX2系列用户手册”(样本编号:I585))

MX2系列DeviceNet通信单元

3G3AX-MX2-DRT-E

3G3MX2-ZV1 外形尺寸 14

* 安装DeviceNet通信单元后,变频器的尺寸D会增大26.4mm。
(变频器的尺寸D因容量而异。 详情请参阅“MX2系列用户手册”(样本编号:I585))

MX2系列I/O单元

3G3AX-MX2-EI015-E

3G3MX2-ZV1 外形尺寸 16

* 安装I/O单元后,变频器的尺寸D会增大26.4mm。
(变频器的尺寸D因容量而异。 详情请参阅“MX2系列用户手册”(样本编号:I585))

选装件

再生制动单元3G3AX-RBU□□

3G3AX-RBU21/-RBU22/-RBU41

3G3MX2-ZV1 外形尺寸 19

制动电阻 3G3AX-RBA/-RBB/-RBC□□□□

3G3AX-RBA

3G3MX2-ZV1 外形尺寸 21

3G3AX-RBB

3G3MX2-ZV1 外形尺寸 22

3G3AX-RBC4001

3G3MX2-ZV1 外形尺寸 23

3G3AX-RBC6001

3G3MX2-ZV1 外形尺寸 24

3G3AX-RBC12001

3G3MX2-ZV1 外形尺寸 25

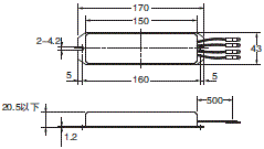
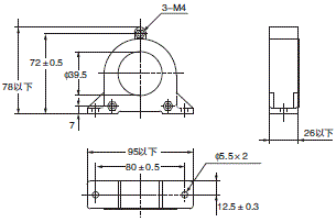
无线电噪声滤波器 3G3AX-ZCL□

3G3AX-ZCL1

3G3MX2-ZV1 外形尺寸 27

3G3AZ-ZCL2

3G3MX2-ZV1 外形尺寸 28

输入测噪声滤波器 3G3AX-NFI□□

3G3AX-NFI21
3G3AX-NFI22

3G3MX2-ZV1 外形尺寸 30

3G3AX-NFI25/3G3AX-NFI26
3G3AX-NFI45/3G3AX-NFI46

3G3MX2-ZV1 外形尺寸 31

3G3AX-NFI23/3G3AX-NFI24
3G3AX-NFI41/3G3AX-NFI42
3G3AX-NFI43/3G3AX-NFI44

3G3MX2-ZV1 外形尺寸 32

3G3AX-NFI27/3G3AX-NFI28

3G3MX2-ZV1 外形尺寸 33

输出侧噪声滤波器 3G3AX-NFO□□

3G3AX-NFO01
3G3AX-NFO02

3G3MX2-ZV1 外形尺寸 35

3G3AX-NFO03/3G3AX-NFO04/3G3AX-NFO05

3G3MX2-ZV1 外形尺寸 36
3G3MX2-ZV1 外形尺寸 37

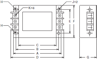
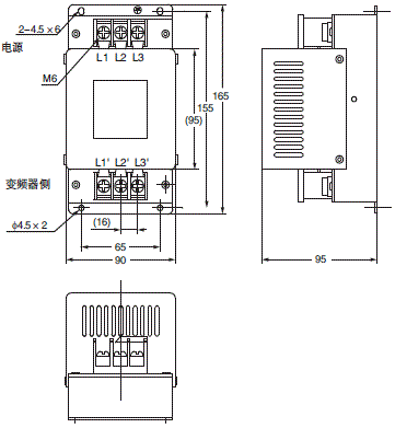
直流电抗器 3G3AX-DL□□□□

3G3MX2-ZV1 外形尺寸 39
3G3MX2-ZV1 外形尺寸 40
3G3MX2-ZV1 外形尺寸 41

注:请根据重载和轻载额定条件下适用电机的最大容量来选择选装件。
* 仅可在CT额定条件下使用。

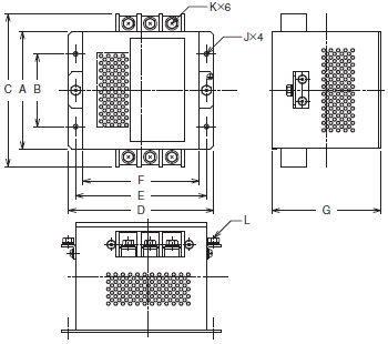
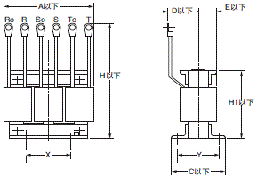
交流电抗器 3G3AX-AL□□□□

3G3AX-AL2025
3G3AX-AL2055

3G3MX2-ZV1 外形尺寸 43

3G3AX-AL2110/3G3AX-AL2220
3G3AX-AL2330

3G3MX2-ZV1 外形尺寸 44

3G3AX-AL4025/3G3AX-AL4055
3G3AX-AL4110

3G3MX2-ZV1 外形尺寸 45

3G3AX-AL4220/3G3AX-AL4330

3G3MX2-ZV1 外形尺寸 46
3G3MX2-ZV1 外形尺寸 47

注:请根据重载和轻载额定条件下适用电机的最大容量来选择选装件。
* 仅在CT额定条件下使用。