Page top

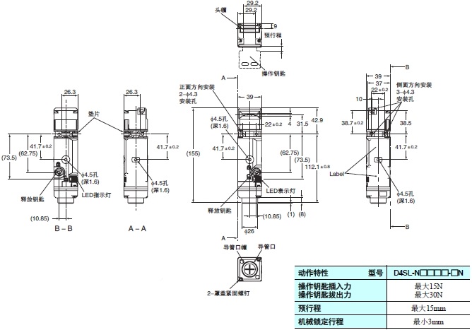
D4SL-N

小型电磁锁定安全门开关

D4SL-N

让安全门更可靠

(单位:mm)

本体

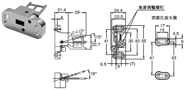
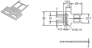
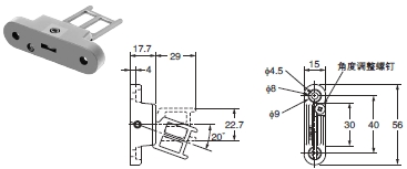
D4SL-N□□□□-□N(连接器型)

D4SL-N 外形尺寸 2

* 若将销钉等突起形状插入φ4.5孔中固定,可安装得更牢固。
详情请参阅样本的“关于本体、操作钥匙的安装”。

D4SL-N□□□□-□(端子台型)

D4SL-N 外形尺寸 3

* 若将销钉等突起形状插入φ4.5孔中固定,可安装得更牢固。
详情请参阅样本的“关于本体、操作钥匙的安装”。

注. 本体外形尺寸图中,未注尺寸公差为±0.4mm。

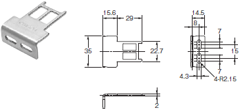
操作钥匙

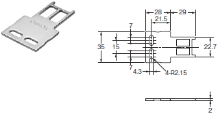
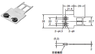
D4SL-NK1

D4SL-N 外形尺寸 6

D4SL-NK1S

D4SL-N 外形尺寸 7

D4SL-NK1G

D4SL-N 外形尺寸 8

D4SL-NK2

D4SL-N 外形尺寸 9

D4SL-NK2G

D4SL-N 外形尺寸 10

D4SL-NK3

D4SL-N 外形尺寸 11

D4SL-NK5

D4SL-N 外形尺寸 12

注. 操作钥匙外形尺寸图中,未注尺寸公差为±0.4mm。

连接器电缆

D4SL-CN□

D4SL-N 外形尺寸 15

滑动钥匙单元

D4SL-NSK10-LK

D4SL-N 外形尺寸 17

D4SL-NSK10-LKH

D4SL-N 外形尺寸 18

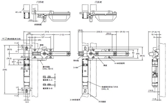
操作钥匙安装时

D4SL-N+D4SL-NK1

D4SL-N 外形尺寸 20

D4SL-N+D4SL-NK1S

D4SL-N 外形尺寸 21

D4SL-N+D4SL-NK1G

D4SL-N 外形尺寸 22

D4SL-N+D4SL-NK2

D4SL-N 外形尺寸 23

*插入半径的值为操作钥匙旋转中心点位于头部正面或上面的延长线上时的值。

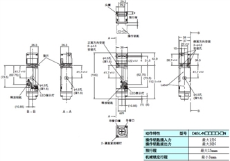
D4SL-N+D4SL-NK2G

D4SL-N 外形尺寸 24

D4SL-N+D4SL-NK3

D4SL-N 外形尺寸 25

D4SL-N+D4SL-NK5

D4SL-N 外形尺寸 26

*1. 插入半径的值为操作钥匙旋转中心点位于头部正面或上面的延长线上时的值。
*2. 将D4SL-NK5上下颠倒使用时,操作钥匙安装位置为60.3min. 61.2max.。