Page top

E3X-CRT

传感器通信单元

E3X-CRT

CompoNet传感器通信单元,简化传感器的设置和管理

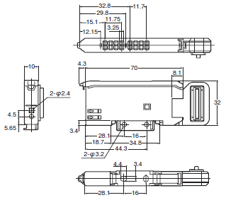
(单位:mm)

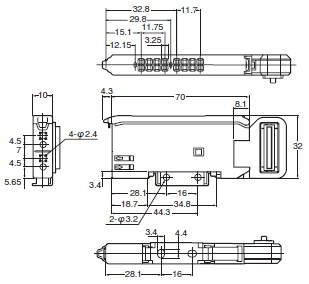
E3X-CRT

E3X-CRT 外形尺寸 2

E3X-HD0

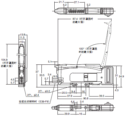
E3X-CRT 外形尺寸 4

E3X-LDA0

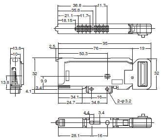
E3X-CRT 外形尺寸 6

E3X-MDA0

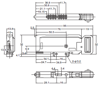
E3X-CRT 外形尺寸 8

E3X-EDA0

E3X-CRT 外形尺寸 10

E3X-DA0-S

E3X-CRT 外形尺寸 12