Page top

E5EC / E5EC-B

温控器(数字调节仪)

E5EC / E5EC-B

48×96mm尺寸。使用大字体白色PV显示,提高可视性。选择、操作及设定简便。实现输入输出功能。应用范围广。

E5EC系列抽出型预定于2022年7月底订货截止。

解决现场的温度控制课题

利用“E5□C”דThermac Simulator”,提供电脑上的控制开云app登录入口。

(单位:mm)

本体

E5EC

E5EC / E5EC-B 外形尺寸 2

E5EC-B

E5EC / E5EC-B 外形尺寸 3

• 标配设定工具用端口,用于连接计算机与温控器。上面端口的连接需使用专用的USB-串行转换电缆(E58-CIFQ2),前面端口的连接需使用专用的USB-串行转换电缆(E58-CIFQ2)+转换电缆(E58-CIFQ2-E)(无法在长时间连接状态下使用)。

E5EC / E5EC-B 外形尺寸 4

・安装面板的厚度为1~8mm。
・请注意,上下方向无法紧密安装。(请保持安装间隔)
・若需要防水,安装时请向本体插入防水垫。
・安装使用多台温控器时,请避免使温控器的环境温度超过规格值。

* E5EC上控制输出1、2的选择:QQ、QR、RR、CC、PR、CQ
选装件No.选择:选择011、012、013、014的组合机型并以紧密安装方式使用时,
环境温度请控制在45℃以下。
在55℃的环境温度下安装多台使用时,请按以下间隔进行安装。

E5EC / E5EC-B 外形尺寸 5

选装件(另售)

USB-串行转换电缆
E58-CIFQ2

E5EC / E5EC-B 外形尺寸 7

转换电缆
E58-CIFQ2-E

E5EC / E5EC-B 外形尺寸 8

注:请务必与E58-CIFQ2组合使用。

端子盖
E53-COV24(3个装)

E5EC / E5EC-B 外形尺寸 9

防水垫
Y92S-P9[DIN48×96用]

E5EC / E5EC-B 外形尺寸 10

产品随附。
防水垫遗失、损坏时,请另行订购。
使用防水垫时,保护构造为IP66。
此外,请确保E5EC/E5EC-B/E5AC的正面设定工具用端口罩盖已切实关闭。(为确保达到IP66 的防水等级,防水垫和正面设定工具用端口罩盖会因使用环境发生老化、收缩或硬化,因此建议定期更换。定期更换时期因使用环境而异。请用户自行确认。大致以3年以下为更换标准。)

正面设定工具用端口罩盖
Y92S-P7

E5EC / E5EC-B 外形尺寸 11

正面设定工具用端口罩盖遗失、损坏时,请另行订购。
防水密封垫会因使用环境发生劣化、收缩或硬化,因此建议定期更换。

安装适配器
Y92F-51(2个装)

E5EC / E5EC-B 外形尺寸 12

产品随附一组。
遗失、损坏时,请另行订购。

防水盖
Y92A-49N(48×96用)

E5EC / E5EC-B 外形尺寸 13

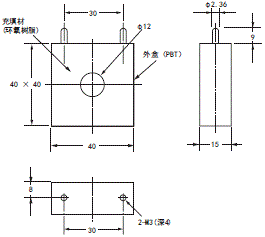
电流检测器

E54-CT1

E5EC / E5EC-B 外形尺寸 15

E54-CT1L

E5EC / E5EC-B 外形尺寸 16

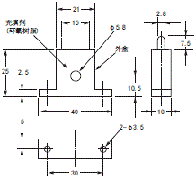
E54-CT3

E5EC / E5EC-B 外形尺寸 17

E54-CT3附件

E5EC / E5EC-B 外形尺寸 18

E54-CT3L

E5EC / E5EC-B 外形尺寸 19

贯通电流(Io)与输出电压(Eo)特性(参考值)
E54-CT1,E54-CT1L

E5EC / E5EC-B 外形尺寸 20

加热器最大连续电流:50A(50/60Hz)
匝数:400±2匝
绕线电阻:18±2Ω

贯通电流(Io)与输出电压(Eo)特性(参考值)
E54-CT3,E54-CT3L

E5EC / E5EC-B 外形尺寸 21

加热器最大连续电流:120A(50/60Hz)
(但是,开云(中国)温控器的连续最高加热器电流值为50A。)
匝数:400±2匝
绕线电阻:8±0.8Ω