Page top

E5CC / E5CC-B / E5CC-U

温控器(数字调节仪)

E5CC / E5CC-B / E5CC-U

48×48mm尺寸。使用大字体白色PV显示,提高可视性。选择、操作及设定简便。实现输入输出功能。应用范围广。

E5CC系列抽出型预定于2022年7月底订货截止。

解决现场的温度控制课题

利用“E5□C”דThermac Simulator”,提供电脑上的控制开云app登录入口。

(单位:mm)

本体

E5CC

E5CC / E5CC-B / E5CC-U 外形尺寸 2

E5CC-B

E5CC / E5CC-B / E5CC-U 外形尺寸 3

设定工具用端口位于本产品的顶面。
使用设定工具时,用于连接计算机与温控器。
连接时,需要专用的USB-串行转换电缆(E58-CIFQ2)。
详细的连接方法请参阅USB-串行转换电缆的使用说明书。
注:请勿在连接USB-串行转换电缆的状态下使用本产品。

E5CC / E5CC-B / E5CC-U 外形尺寸 4

• 安装面板的厚度为1~5mm。
• 请注意,上下方向无法紧密安装。(请保持安装间隔)
• 若需要防水,安装时请向本体插入防水垫。
• 安装使用多台温控器时,请避免使温控器的环境温度超过规格值。
• 组合使用Y92A-48N和USB-串行转换电缆时,请将控制柜的厚度控制在1~3mm以内。

E5CC-U

E5CC / E5CC-B / E5CC-U 外形尺寸 5

设定工具用端口位于本产品的顶面。
使用设定工具时,用于连接计算机与温控器。
连接时,需要专用的USB-串行转换电缆(E58-CIFQ2)。
详细的连接方法请参阅USB-串行转换电缆的使用说明书。
注:请勿在连接USB-串行转换电缆的状态下使用本产品。

E5CC / E5CC-B / E5CC-U 外形尺寸 6

・安装面板的厚度为1~5mm。
・请注意,上下方向无法紧密安装。(请保持安装间隔)
・安装使用多台温控器时,请避免使温控器的环境温度超过规格值。
・组合使用Y92A-48N和USB-串行转换电缆时,请将控制柜的厚度控制在1~3mm以内。

选装件(另售)

USB-串行转换电缆

E58-CIFQ2

E5CC / E5CC-B / E5CC-U 外形尺寸 9

端子盖

E53-COV17

E5CC / E5CC-B / E5CC-U 外形尺寸 11

端子盖

E53-COV23(3个装)

E5CC / E5CC-B / E5CC-U 外形尺寸 13

端子盖(背面连接插座 P3GA-11用)

Y92A-48G

E5CC / E5CC-B / E5CC-U 外形尺寸 15

注:通过在背面连接插座(P3GA-11)的安装、使用,实现指触保护。

防水垫

Y92S-P8〔DIN48×48用〕

E5CC / E5CC-B / E5CC-U 外形尺寸 17

E5CC/E5CC-B与产品随附。
E5CC/E5CC-B与产品随附。
防水垫遗失、损坏时,请另行订购。
E5CC/E5CC-B使用防水垫时,保护构造为IP66。(为确保达到IP66的防水等级,防水垫会因使用环境发生老化、收缩或硬化,因此建议定期更换。定期更换时期因使用环境而异。请用户自行确认。大致以3年以下为更换标准。)
此外,对于E5CC-U,即使安装防水垫也无法防水。

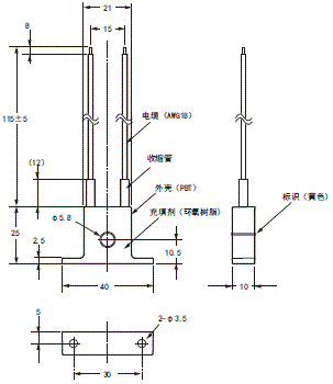
电流检测器

E54-CT1

E5CC / E5CC-B / E5CC-U 外形尺寸 19

E54-CT1L

E5CC / E5CC-B / E5CC-U 外形尺寸 20

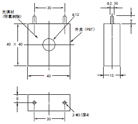
E54-CT3

E5CC / E5CC-B / E5CC-U 外形尺寸 21

E54-CT3附件

E5CC / E5CC-B / E5CC-U 外形尺寸 22

E54-CT3L

E5CC / E5CC-B / E5CC-U 外形尺寸 23

贯通电流(Io)与输出电压(Eo)特性(参考值)E54-CT1,E54-CT1L

E54-CT1

E5CC / E5CC-B / E5CC-U 外形尺寸 25

加热器最大连续电流:50A (50/60Hz)
匝数:400±2匝
绕线电阻:18±2Ω

贯通电流(Io)与输出电压(Eo)特性(参考值)E54-CT3,E54-CT3L

E54-CT3

E5CC / E5CC-B / E5CC-U 外形尺寸 27

加热器最大连续电流:120A(50/60Hz)
(但是,开云(中国)温控器的连续最高加热器电流值为50A。)
匝数:400±2匝
绕线电阻:8±0.8Ω

适配器

Y92F-45

注1.请在面板加工为E5B□尺寸(72×72mm)时使用。
2. 适配器的颜色为黑色。
3. 使用Y92F-45时,无法使用USB-串行转换电缆 E58-CIFQ2。
通过USB-串行转换电缆进行设定时,请在安装面板前进行设定。
4.无法组合使用本体随附的Y92F-49。

E5CC / E5CC-B / E5CC-U 外形尺寸 29

<E5CC安装示例>

E5CC / E5CC-B / E5CC-U 外形尺寸 30

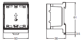
DIN导轨安装适配器

Y92F-52

E5CC / E5CC-B / E5CC-U 外形尺寸 32

注1:不能与端子盖并用。
  请拆下端子盖后再使用。
注2:不能用于E5CC-B。
用于将E5CC安装到DIN导轨上的适配器。
无需用于柜内安装的钣金和用于后装的柜表面孔加工。

E5CC / E5CC-B / E5CC-U 外形尺寸 33

防水盖

Y92A-48N

E5CC / E5CC-B / E5CC-U 外形尺寸 35

安装适配器

Y92F-49

E5CC / E5CC-B / E5CC-U 外形尺寸 37

产品随附。
遗失、损坏时,请另行订购。

前盖

Y92A-48D

E5CC / E5CC-B / E5CC-U 外形尺寸 39

注:无法在安装了防水垫的状态下使用。

软质型前盖。
可在装有罩盖的状态下操作产品。

前盖

Y92A-48H

E5CC / E5CC-B / E5CC-U 外形尺寸 41

硬质型前盖。
请用于防止误操作等。

E5CC-U接线用连接插座

正面连接插座

P2CF-11

E5CC / E5CC-B / E5CC-U 外形尺寸 44

注1. 还提供防指触型(P2CF-11-E)。
    2. 无法组合使用P2CF-11 (P2CF-11-E)和Y92F-45。

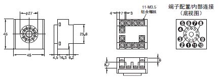
背面连接插座

P3GA-11

E5CC / E5CC-B / E5CC-U 外形尺寸 46

注1. 其它型号的插座会影响精度,因此请勿使用。
    2. 还提供指触保护用端子盖(Y92A-48G)。
    3. 无法组合使用P3GA-11和Y92F-45。