Page top

TP70

触须型开关

TP70

轻松现场运动中输入

(单位:mm)

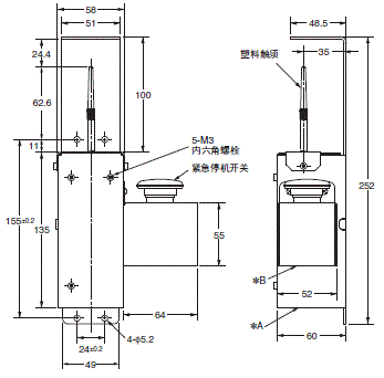
TP70-1A1

TP70 外形尺寸 1

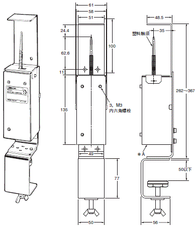
TP70-1A2

TP70 外形尺寸 2

TP70-1A3

TP70 外形尺寸 3

TP70-1S1

TP70 外形尺寸 4

作为正面安装的代表记录。

注: 上述各机型的外形尺寸中的未注公差为±4mm。
* 在A部、B部没有底座。

动作特性

TP70 外形尺寸 7 TP70_动作特性