Page top

2025/03 生产终止

E5AN-HT, E5EN-HT

温控器(数字调节仪)程序型

E5AN-HT, E5EN-HT

新增程序型! 采用最大256段程序容量,较高性价比的 新型液晶,可视角度、对比度得以提升

该页面所登载的内容是基于生产终止以前的产品样本制作而成的参考信息,产品的特点/种类/规格/配件等可能与现在所使用的不同。请在使用时确认系统的兼容性及安全性。

(单位:mm)

本体

E5AN-HT

E5AN-HT, E5EN-HT 外形尺寸 2 E5AN-HT_Dim

E5EN-HT

E5AN-HT, E5EN-HT 外形尺寸 4 E5EN-HT_Dim

选装件(另售)

USB-红外线转换电缆
E58-CIFIR

E5AN-HT, E5EN-HT 外形尺寸 7 E58-CIFIR_Dim

USB-串行转换电缆
E58-CIFQ1

E5AN-HT, E5EN-HT 外形尺寸 9 E58-CIFQ1_Dim

端子盖
E53-COV16(装6个)

E5AN-HT, E5EN-HT 外形尺寸 11 E53-COV16_Dim

安装支架
Y92H-9(两个装)

E5AN-HT, E5EN-HT 外形尺寸 12

产品包装中附有一套。丢失、损坏时请另行购买。

防水垫

Y92S-P4〔DIN96×96用〕

E5AN-HT, E5EN-HT 外形尺寸 14 Y92S-P4_Dim

Y92S-P5〔DIN48×96用〕

E5AN-HT, E5EN-HT 外形尺寸 15 Y92S-P5_Dim

防水垫遗失、损坏时,请按以下型号进行订购。
使用防水垫时,保护结构为IP66。(使用防水垫可以达到IP66 的防水效果,根据使用环境,防水垫会产生老化、收缩、变硬 等,建议定期更换。定期更换时期因使用环境而异。请用户自 行确认。大致以1年以下为更换标准。此外,对没有进行定期 更换的防水等级,本公司概不负责。)
不采用防水构造时,无需安装防水垫。

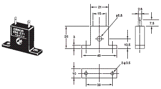
电流检测器

E54-CT1

E5AN-HT, E5EN-HT 外形尺寸 18 E54-CT1_Dim

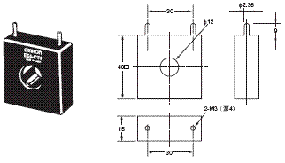
E54-CT3

E5AN-HT, E5EN-HT 外形尺寸 19 E54-CT3_Dim

E54-CT3附件

E5AN-HT, E5EN-HT 外形尺寸 20 E54-CT3 Accessory_Dim