Page top

H3DK-F

固态定时器

H3DK-F

DIN22.5mm宽度的控制柜内用 标准定时器系列

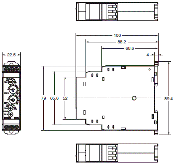
(单位:mm)

本体

H3DK-F

H3DK-F 外形尺寸 2