Page top

TZ

高温标准型开关

TZ

在环境温度400°C的稳定操作

(单位:mm)

针状柱塞型
TZ-1G

TZ 外形尺寸 2

*陶瓷按钮

摆杆型
TZ-1GV

TZ 外形尺寸 5 TZ-1GV_Dim

*不锈钢摆杆型

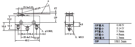
滚珠短摆杆型
TZ-1GV22

TZ 外形尺寸 8

*1.不锈钢滚珠
*2.不锈钢摆杆型

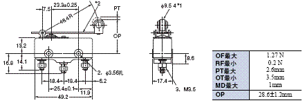
滚珠摆杆型
TZ-1GV2

TZ 外形尺寸 11

*1.不锈钢滚珠
*2.不锈钢摆杆型

注: 每个尺寸的公差都为 ±0.4mm,除非另有说明。