Page top

DZ

特殊用标准型开关

DZ

用于两个独立电路控制的DPDT标准型开关

部分型号预定于2020年3月底订货截止。

(单位:mm)

端子

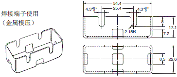
焊接端子(-1A)

DZ 外形尺寸 2

焊接端子(-1B)

DZ 外形尺寸 3

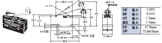
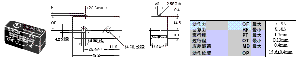
外形尺寸和动作特性

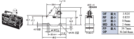
焊接端子型在其型号中有一个后缀“-1A”,且其省略的尺寸与针状柱塞型的相应尺寸相同。

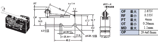
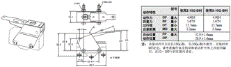
针状柱塞型
DZ-10G-1B

DZ 外形尺寸 5

* 不锈钢针状柱塞型

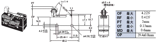
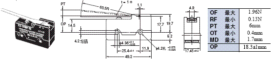
摆杆型
DZ-10GW-1B

DZ 外形尺寸 7

* 不锈钢针状柱塞型

DZ-10GV-1B

DZ 外形尺寸 9

* 不锈钢针状柱塞型

滚珠短摆杆型
DZ-10GW22-1B

DZ 外形尺寸 11

* 不锈钢针状柱塞型

DZ-10GV22-1B

DZ 外形尺寸 13

* 不锈钢针状柱塞型

滚珠摆杆型
DZ-10GW2-1B

DZ 外形尺寸 15

* 不锈钢针状柱塞型

DZ-10GV2-1B

DZ 外形尺寸 17

* 不锈钢针状柱塞型
注:上述各机型的外形尺寸中的未注公差为±0.4mm

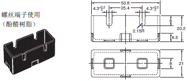
附件(另售)

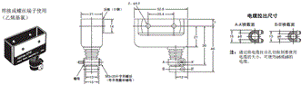
端子保护盖

AP-A

DZ 外形尺寸 21

注: 罩盖有五个薄的易于撕开的部位,以便轻松连接导线。

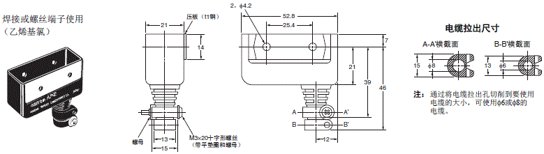
AP-B

DZ 外形尺寸 22

注: 罩盖有六个薄的易于撕开的部位,以便轻松连接导线。

AP1-A

DZ 外形尺寸 23

注: 罩盖有五个孔,以便轻松连接导线。

AP1-B

DZ 外形尺寸 24

注: 罩盖有六个孔,以便轻松连接导线。

AP-Z

DZ 外形尺寸 25

注: 每个尺寸的公差都为 ±0.4mm,除非另有说明。(±0.8mm,对于AP-Z)

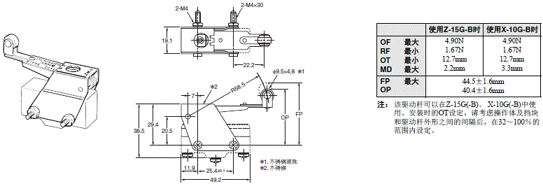
驱动杆(另售)

动作特性 注:请注意,各型号只包含驱动杆,而不包含开关部分。

铰链摆杆型
XAA-1

DZ 外形尺寸 27

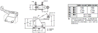
铰链滚珠摆杆型
ZAA-2

DZ 外形尺寸 28

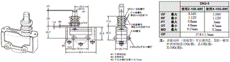
面板安装按钮型(短)
ZAQ-3

DZ 外形尺寸 29

面板安装按钮型(中)
ZAQ-2

DZ 外形尺寸 30

面板安装按钮型(长)
ZAQ-1

DZ 外形尺寸 31

面板安装滚珠按钮型
ZAQ-22

DZ 外形尺寸 32

注: 上述各机种外形尺寸图中未注公差为±0.4mm。

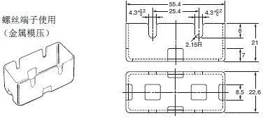
分离器

DZ 外形尺寸 33

注1. 每个尺寸的公差都为 ±0.4mm,除非另有说明。
 2. 材料为EAVTC (环氧醇酸树脂漆玻璃布),耐热温度为130°C。