Page top

X

一般用基本开关

X

带内置磁吹灭弧的直流开关

X-10GM2-AO-1-MLF、X-10GM59-B已于2023年3月底订货截止。X系列部分产品预定于2025年3月底订货截止。

(单位:mm)

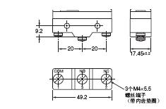
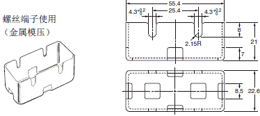
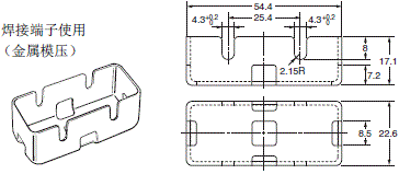
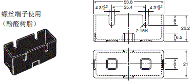
端子

螺丝端子 (-B)

X 外形尺寸 3 螺丝端子 (-B)_Dim

焊接端子 (-A)

(型号中省略了“-A”)

X 外形尺寸 6 焊接端子 (-A) _Dim

注1. 将端子螺丝拧紧至0.78~1.18N·m。
2. 上述各机型的外形尺寸中的未注公差为±0.4mm。
3. 对于DC电压, 请将COM端子设置到正极。

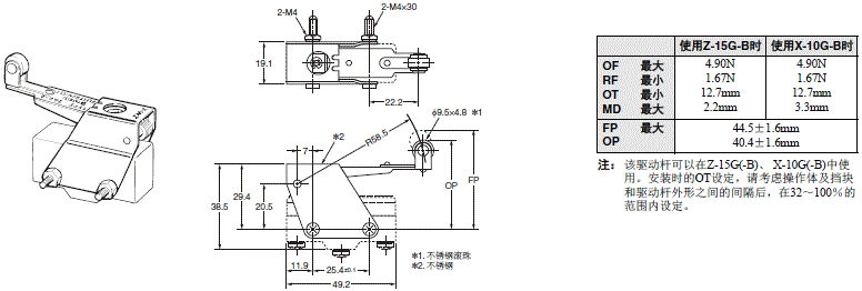
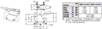
安装

使用带平垫圈或弹簧垫圈的M4安装螺钉,牢固安装开关。将端子 螺丝拧紧至1.18~1.47N·m。

X 外形尺寸 10 X_mounting holes_Dim

开关可以安装在板上, 前提是用2.94~4.9N·m的紧固转矩拧紧驱 动杆的六角螺母。

X 外形尺寸 12

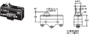
外形尺寸和动作特性

这些型号、图解、图纸用于螺丝端子。(此处省略的型号的尺寸与针状柱塞型的尺寸相同。)

针状柱塞型
X-10G-B

X 外形尺寸 15

弹簧细柱塞型
X-10GS-B

X 外形尺寸 16

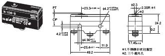
弹簧短柱塞型
X-10GD-B

X 外形尺寸 18 X-10GD-B_Dim

面板安装柱塞型
X-10GQ-B

X 外形尺寸 20 X-10GQ-B_Dim

注:请不要同时使用M12安装螺纹和外壳上的安装孔。这样会对开关造成应 力, 可能损坏外壳和罩盖。

面板安装滚珠柱塞型
X-10GQ22-B

X 外形尺寸 24 X-10GQ22-B_Dim

注:请不要同时使用M12安装螺纹和外壳上的安装孔。这样会对开关造成应 力, 可能损坏外壳和罩盖。

面板安装横向滚珠柱塞型
X-10GQ21-B

X 外形尺寸 27 X-10GQ21-B_Dim

注:请不要同时使用M12安装螺纹和外壳上的安装孔。这样会对开关造成应 力, 可能损坏外壳和罩盖。

板簧型
X-10GL-B

X 外形尺寸 30 X-10GL-B_Dim

注:上述各机型的外形尺寸中的未注公差为±0.4mm。

X 外形尺寸 32 X_Operating characteristics1

* 请务必在额定OT值1.6mm下使用开关。

短摆杆型
X-10GW21-B

X 外形尺寸 36 X-10GW21-B_Dim

摆杆型
X-10GW-B

X 外形尺寸 38 X-10GW-B_Dim

小型摆杆型
X-10GW4-B

X 外形尺寸 40 X-10GW4-B_Dim

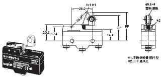
滚珠短摆杆型
X-10GW22-B

X 外形尺寸 42 X-10GW22-B_Dim

滚珠摆杆型
X-10GW2-B

X 外形尺寸 44 X-10GW2-B_Dim

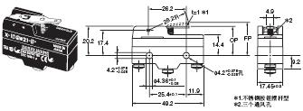
反向动作摆杆型
X-10GM-B

X 外形尺寸 46 X-10GM-B_Dim

反向短摆杆型
X-10GM22-B

X 外形尺寸 48 X-10GM22-B_Dim

反向动作滚珠摆杆型
X-10GM2-B

X 外形尺寸 50 X-10GM2-B_Dim

注:上述各机型的外形尺寸中的未注公差为±0.4mm。

X 外形尺寸 52 X_Operating characteristics2

附件(另售)

端子保护盖

AP-A

X 外形尺寸 55

注: 罩盖有五个薄的易于撕开的部位,以便轻松连接导线。

AP-B

X 外形尺寸 56

注: 罩盖有六个薄的易于撕开的部位,以便轻松连接导线。

AP1-A

X 外形尺寸 57

注: 罩盖有五个孔,以便轻松连接导线。

AP1-B

X 外形尺寸 58

注: 罩盖有六个孔,以便轻松连接导线。

AP-Z

X 外形尺寸 59

注: 每个尺寸的公差都为 ±0.4mm,除非另有说明。(±0.8mm,对于AP-Z)

分离器

X 外形尺寸 60

注1. 每个尺寸的公差都为 ±0.4mm,除非另有说明。
 2. 材料为EAVTC (环氧醇酸树脂漆玻璃布),耐热温度为130°C。

附件(另售)

动作特性 注:请注意,各型号只包含驱动杆,而不包含开关部分。

铰链摆杆型
XAA-1

X 外形尺寸 62

铰链滚珠摆杆型
ZAA-2

X 外形尺寸 63

面板安装按钮型(短)
ZAQ-3

X 外形尺寸 64

面板安装按钮型(中)
ZAQ-2

X 外形尺寸 65

面板安装按钮型(长)
ZAQ-1

X 外形尺寸 66

面板安装滚珠按钮型
ZAQ-22

X 外形尺寸 67

注: 上述各机种外形尺寸图中未注公差为±0.4mm。