Page top

2015/03 生产终止

FZM1系列

用于取放的视觉传感器

FZM1系列

高速且准确的定位

该页面所登载的内容是基于生产终止以前的产品样本制作而成的参考信息,产品的特点/种类/规格/配件等可能与现在所使用的不同。请在使用时确认系统的兼容性及安全性。

(单位:mm)

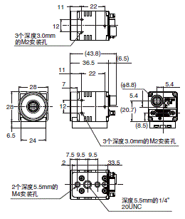
控制器

FZM1-35□-ECT

FZM1系列 外形尺寸 2

照相机

高速照相机

FZ-SH
FZ-SHC

FZM1系列 外形尺寸 5

数码照相机

30万像素照相机
FZ-S
FZ-SC

FZM1系列 外形尺寸 7

200万像素照相机
FZ-S2M
FZ-SC2M

FZM1系列 外形尺寸 8

小型数码照相机

摄像头

平板照相机
FZ-SF
FZ-SFC

FZM1系列 外形尺寸 11

笔形照相机
FZ-SP
FZ-SPC

FZM1系列 外形尺寸 12

摄像机放大器

可用于平板照相机和笔形照相机

FZM1系列 外形尺寸 14

智能照相机

FZ-SLC100

FZM1系列 外形尺寸 16

电缆

照相机电缆

照相机电缆
FZ-VS

FZM1系列 外形尺寸 19

长距离照相机电缆
FZ-VS2

FZM1系列 外形尺寸 20

耐弯曲电缆
FZ-VSB

FZM1系列 外形尺寸 21

长距离直角照相机电缆
FZ-VSL2

FZM1系列 外形尺寸 22

直角照相机电缆
FZ-VSL

FZM1系列 外形尺寸 23

注1. 电缆按2m/5m/10m提供。 FZ-VS、FZ-VSB和FZ-VSL 还提供3.5m的电缆长度。
2. 每根照相机电缆均有极性。 请确保将电缆的商标侧连接 到控制器。
3. 电缆按15m提供。

并联电缆

FZ-VP

FZM1系列 外形尺寸 26

FZ-VPX

FZM1系列 外形尺寸 27

 

注1. 电缆按2m/5m提供。

注1. 电缆按2m/5m提供。

显示器电缆

FZ-VM

FZM1系列 外形尺寸 32

注1. 电缆按2m/5m提供。

液晶显示器

FZ-M08

FZM1系列 外形尺寸 34

照相机电缆扩展单元

FZ-VSJ

FZM1系列 外形尺寸 36

小型照相机用镜头

FZ-LES系列

FZM1系列 外形尺寸 38
FZM1系列 外形尺寸 39

小型照相机用伸缩管

FZ-LESR

FZM1系列 外形尺寸 41