Page top

OS32C

安全激光扫描器

OS32C

小巧、轻量、易用的安全激光扫描器

(单位:mm)

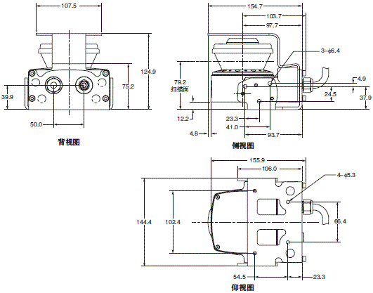
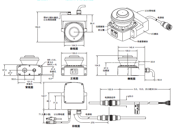
安全激光扫描器(背面导线连接型/支持EtherNet/IP的背面导线连接型)

OS32C-BP
OS32C-BP-DM
OS32C-BP-4M
OS32C-BP-DM-4M

OS32C 外形尺寸 2

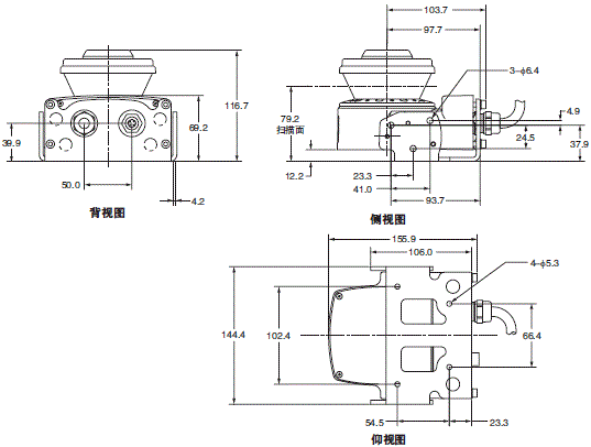
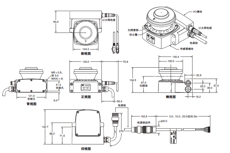
安全激光扫描器(左侧导线连接型/支持EtherNet/IP的左侧导线连接型)

OS32C-SP1
OS32C-SP1-DM
OS32C-SP1-4M
OS32C-SP1-DM-4M

OS32C 外形尺寸 4

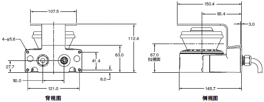
安全激光扫描器+扫描窗防护盖板

OS32C-BP/OS32C-BP-DM/OS32C-BP-4M/OS32C-BP-DM-4M +OS32C-BKT4

OS32C 外形尺寸 6

安全激光扫描器+底部/侧面安装配件

OS32C-BP/OS32C-BP-DM/OS32C-BP-4M/OS32C-BP-DM-4M +OS32C-BKT1

OS32C 外形尺寸 8

安全激光扫描器+简易安装配件

OS32C-BP/OS32C-BP-DM/OS32C-BP-4M/OS32C-BP-DM-4M +OS32C-BKT3

OS32C 外形尺寸 10

*为了使OS32C符合IEC61496-3(4.2.16)标准,将OS32C安装在安装位置可能会因振动冲击等而变化的场所时,请采取使用齿形垫圈对安装配件进行固定等措施。

安全激光扫描器+底部/侧面安装配件+扫描窗防护盖板

OS32C-BP/OS32C-BP-DM/OS32C-BP-4M/OS32C-BP-DM-4M +OS32C-BKT1+OS32C-BKT4

OS32C 外形尺寸 12

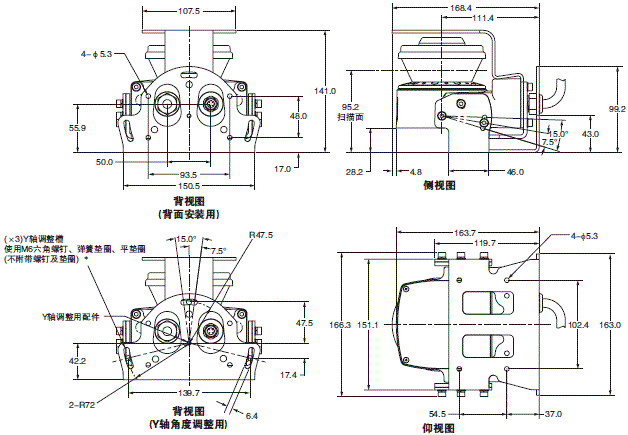
安全激光扫描器+底部/侧面安装配件+XY轴旋转配件

OS32C-BP/OS32C-BP-DM/OS32C-BP-4M/OS32C-BP-DM-4M +OS32C-BKT1+OS32C-BKT2

OS32C 外形尺寸 14

*为了使OS32C符合IEC61496-3(4.2.16)标准,将OS32C安装在安装位置可能会因振动冲击等而变化的场所时,请采取使用齿形垫圈对安装配件进行固定等措施。

安全激光扫描器+底部/侧面安装配件+

OS32C-BP/OS32C-BP-DM/OS32C-BP-4M/OS32C-BP-DM-4M +OS32C-BKT1+OS32C-BKT2+OS32C-BKT4

OS32C 外形尺寸 16

*为了使OS32C符合IEC61496-3(4.2.16)标准,将OS32C安装在安装位置可能会因振动冲击等而变化的场所时,请采取使用齿形垫圈对安装配件进行固定等措施。

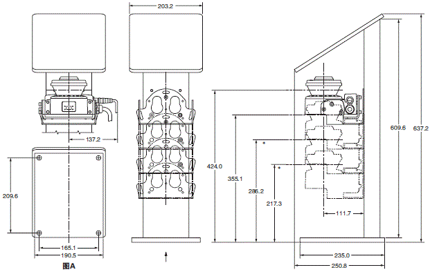
安全激光扫描器+底部/侧面安装配件+XY轴旋转配件+安装支架+安装支架用五金套件

OS32C-SP1/OS32C-SP1-DM/OS32C-BP-4M/OS32C-BP-DM-4M +OS32C-BKT1+OS32C-BKT2+OS32C-MT+OS32C-HDT

OS32C 外形尺寸 18

*OS32C的最小检测物体直径设定成70mm时不建议使用。

电源线

OS32C-CBL-□□M

OS32C 外形尺寸 20

以太网电缆

OS32C-ECBL-□□M

OS32C 外形尺寸 22