Page top

XS5 / XS6

工业以太网电缆

XS5 / XS6

对应EtherCAT®等以太网为基础的工业用网络

(单位:mm)

小型(RJ45接插件)

两端都带有接插件的电缆 (RJ45/RJ45)

XS6W-6LSZH8SS□□□□CM-□
XS6W-5PUR8SS□□□□CM-G

XS5 / XS6 外形尺寸 2

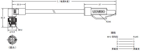
带有牢固型RJ45接插件的电缆和带有M12接插件的电缆

插头一端带有接插件的电缆(M12直线型)

XS5H-T421-□M0-K

XS5 / XS6 外形尺寸 4

插头两端都带有接插件的电缆(M12直线型/M12直线型)

XS5W-T421-□M2-K
XS5W-T421-□M2-KR

XS5 / XS6 外形尺寸 5

插头两端都带有接插件的电缆(M12直线型/RJ45)

XS5W-T421-□MC-K
XS5W-T421-□MC-KR

XS5 / XS6 外形尺寸 6

插座/插头两端都带有接插件的电缆(M12直线型/M12 直线型)

XS5W-T421-□M1-K
XS5W-T421-□M1-KR

XS5 / XS6 外形尺寸 7

插座/插头两端都带有接插件的电缆(M12直线型/RJ45)

XS5W-T421-□ME-K

XS5 / XS6 外形尺寸 8

插头一端带有接插件的电缆(M12直角型)

XS5H-T422-□M0-K

XS5 / XS6 外形尺寸 9

插头两端都带有接插件的电缆(M12直角型/M12直角型)

XS5W-T422-□M2-K

XS5 / XS6 外形尺寸 10

插头两端都带有接插件的电缆(M12直角型/RJ45)

XS5W-T422-□MC-K

XS5 / XS6 外形尺寸 11

插头两端都带有接插件的电缆 (RJ45/RJ45)

XS5W-T421-□MD-K
XS5W-T421-□MD-KR

XS5 / XS6 外形尺寸 12

插头两端都带有接插件的电缆(M12直线型/M12 直线型)

屏蔽强化电缆接插件规格
XS5W-T421-□M2-SS

XS5 / XS6 外形尺寸 13

插头两端都带有接插件的电缆(M12直线型/RJ45)

屏蔽强化电缆接插件规格
XS5W-T421-□MC-SS

XS5 / XS6 外形尺寸 14

RJ45组合式接插件

XS6G-T421-1

XS5 / XS6 外形尺寸 16

适用导线
被覆外径: φ6.1~6.9mm
芯线尺寸: AWG22~AWG24 (绞线)
     AWG22~AWG23 (单线)
被覆外径 :φ1.6mm以下

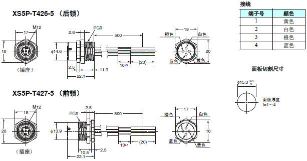
适用于面板安装的M12接插件

XS5P-T42□-5

XS5 / XS6 外形尺寸 18

注1. 前锁和后锁接插件的面板切割尺寸相同。
 2. 接插件旋转不能使用旋转定位。

面板安装PCB直型端子 (M12)

XS5P-T426-1

XS5 / XS6 外形尺寸 19