Page top

R88M-K, R88D-KN□-ML2

G5系列通信内置型AC伺服电机/驱动器

R88M-K, R88D-KN□-ML2

高速、高精度 G5系列控制器通信型

(单位:mm)

AC伺服电机

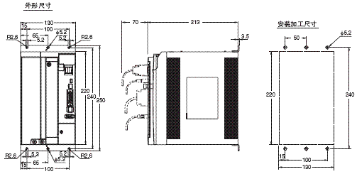
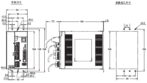
<墙壁安装>

单相100VAC R88D-KNA5L-ML2/-KN01L-ML2 (50 t~ 100 W)
单相/三相200VAC R88D-KN01H-ML2/-KN02H-ML2 (100 t~ 200 W)

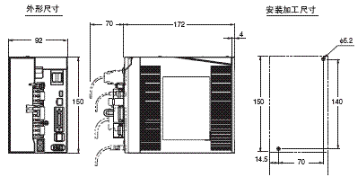
R88M-K, R88D-KN□-ML2 外形尺寸 3

单相/三相100VAC R88D-KN02L-ML2 (200 W)
单相/三相 200VAC R88D-KN04H-ML2 (400 W)

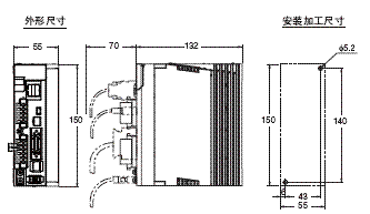
R88M-K, R88D-KN□-ML2 外形尺寸 4

单相/三相100VAC R88D-KN04L-ML2 (400 W)
单相/三相200VAC R88D-KN08H-ML2 (750 W)

R88M-K, R88D-KN□-ML2 外形尺寸 5

单相/三相200VAC R88D-KN10H-ML2/-KN15H-ML2 (900 ~1.5 kW)

R88M-K, R88D-KN□-ML2 外形尺寸 6

三相200VAC R88D-KN20H-ML2 (2 kW)

R88M-K, R88D-KN□-ML2 外形尺寸 7

三相200VAC R88D-KN30H-ML2/-KN50H-ML2 (3 ~ 5 kW)

R88M-K, R88D-KN□-ML2 外形尺寸 8

三相 400VAC R88D-KN06F-ML2/-KN10F-ML2 (600~1.0 kW)
三相 400VAC R88D-KN15F-ML2 (1.5 kW)

R88M-K, R88D-KN□-ML2 外形尺寸 9

三相 400VAC R88D-KN20F-ML2 (2 kW)

R88M-K, R88D-KN□-ML2 外形尺寸 10

三相400VAC R88D-KN30F-ML2/-KN50F-ML2 (3 ~ 5 kW)

R88M-K, R88D-KN□-ML2 外形尺寸 11

AC驱动器

注: 标准型轴形状为直轴。型号后带“S2”为带按键和阀门的直轴的型号。
型号后带“O”为带油封的型号。电机尺寸不变。

<圆柱型>

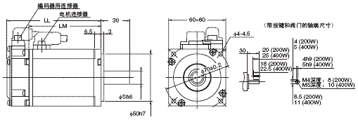
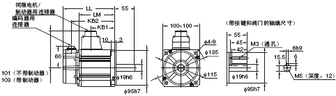
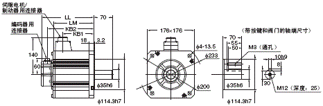
3,000r/min电机(AC100/200V)

50 W/100 W

R88M-K, R88D-KN□-ML2 外形尺寸 16

不带制动器 
R88M-K05030H(-S2)/-K10030□(-S2) [INC] 
R88M-K05030T(-S2)/-K10030□(-S2) [ABS]

R88M-K, R88D-KN□-ML2 外形尺寸 17
R88M-K, R88D-KN□-ML2 外形尺寸 18

带制动器
R88M-K05030H-B(S2)/-K10030□-B(S2) [INC] 
R88M-K05030T-B(S2)/-K10030□-B(S2) [ABS]

R88M-K, R88D-KN□-ML2 外形尺寸 19

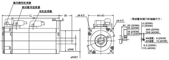
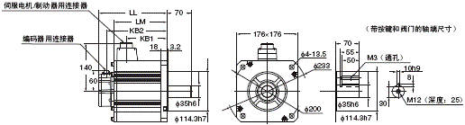
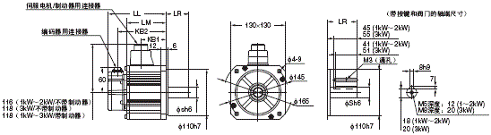
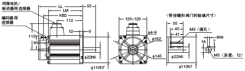
200 W/400 W

R88M-K, R88D-KN□-ML2 外形尺寸 21

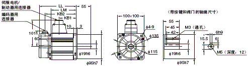
不带制动器
R88M-K20030□(-S2)/-K40030□(-S2) [INC] 
R88M-K20030□(-S2)/-K40030□(-S2) [ABS]

R88M-K, R88D-KN□-ML2 外形尺寸 22
R88M-K, R88D-KN□-ML2 外形尺寸 23

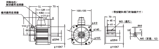
带制动器
R88M-K20030□-B(S2)/-K40030□-B(S2) [INC] 
R88M-K20030□-B(S2)/-K40030□-B(S2) [ABS]

R88M-K, R88D-KN□-ML2 外形尺寸 24

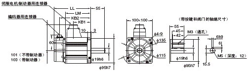
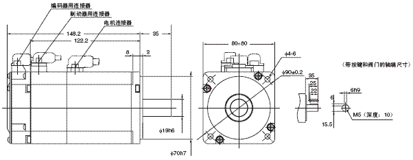
750 W

不带制动器
R88M-K75030H(-S2) [INC]
R88M-K75030T(-S2) [ABS]

R88M-K, R88D-KN□-ML2 外形尺寸 26

带制动器
R88M-K75030H-B(S2) [INC]
R88M-K75030T-B(S2) [ABS]

R88M-K, R88D-KN□-ML2 外形尺寸 27

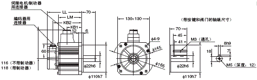
1 kW/1.5 kW/2 kW

不带制动器
R88M-K1K030H(-S2)/-K1K530H (-S2)/-K2K030H(-S2) [INC]
R88M-K1K030T (-S2)/-K1K530T(-S2)/-K2K030T(-S2) [ABS]


带制动器
R88M-K1K030H-B(S2)/-K1K530H-B(S2)/-K2K030H-B(S2) [INC]
R88M-K1K030T-B(S2)/-K1K530T-B(S2)/-K2K030T-B(S2) [ABS]

R88M-K, R88D-KN□-ML2 外形尺寸 29
R88M-K, R88D-KN□-ML2 外形尺寸 30

3 kW

R88M-K, R88D-KN□-ML2 外形尺寸 32

不带制动器
R88M-K3K030H(-S2) [INC] 
R88M-K3K030T(-S2) [ABS] 

带制动器
R88M-K3K030H-B(S2) [INC] 
R88M-K3K030T-B(S2) [ABS]

R88M-K, R88D-KN□-ML2 外形尺寸 33

4 kW/5 kW

R88M-K, R88D-KN□-ML2 外形尺寸 35

不带制动器
R88M-K4K030H(-S2)/-K5K030H(-S2) [INC] 
R88M-K4K030T(-S2)/-K5K030T(-S2) [ABS] 

带制动器
R88M-K4K030H-B(S2)/-K5K030H-B(S2) [INC] 
R88M-K4K030T-B(S2)/-K5K030T-B(S2) [ABS]

R88M-K, R88D-KN□-ML2 外形尺寸 36

3,000r/min电机 (AC400V)

750 W/1 kW/1.5 kW/2 kW

不带制动器
R88M-K75030F(-S2)/-K1K030F(-S2)/-K1K530F(-S2)/-K2K030F(-S2) [INC]
R88M-K75030C(-S2)/-K1K030C(-S2)/-K1K530C(-S2)/-K2K030C(-S2) [ABS]


带制动器
R88M-K75030F-B(S2)/-K1K030F-B(S2)/-K1K530F-B(S2)/-K2K030F-B(S2) [INC]
R88M-K75030C-B(S2)/-K1K030C-B(S2)/-K1K530C-B(S2)/-K2K030C-B(S2) [ABS]

R88M-K, R88D-KN□-ML2 外形尺寸 39
R88M-K, R88D-KN□-ML2 外形尺寸 40

3 kW

R88M-K, R88D-KN□-ML2 外形尺寸 42

不带制动器
R88M-K3K030F(-S2) [INC] 
R88M-K3K030C(-S2) [ABS] 

带制动器
R88M-K3K030F-B(S2) [INC] 
R88M-K3K030C-B(S2) [ABS]

R88M-K, R88D-KN□-ML2 外形尺寸 43

4 kW/5 kW

R88M-K, R88D-KN□-ML2 外形尺寸 45

不带制动器 
R88M-K4K030F(-S2)/-K5K030F(-S2) [INC] 
R88M-K4K030C(-S2)/-K5K030C(-S2) [ABS] 

带制动器
R88M-K4K030F-B(S2)/-K5K030F-B(S2) [INC] 
R88M-K4K030C-B(S2)/-K5K030C-B(S2) [ABS]

R88M-K, R88D-KN□-ML2 外形尺寸 46

1,500r/min、2,000r/min电机 (AC200V)

1 kW/1.5 kW/2 kW/3 kW

不带制动器
R88M-K1K020H(-S2)/-K1K520H(-S2)/-K2K020H(-S2)/-K3K020H (-S2) [INC]
R88M-K1K020T(-S2)/-K1K520T(-S2)/-K2K020T(-S2)/-K3K020T(-S2) [ABS]


带制动器
R88M-K1K020H-B(S2)/-K1K520H-B(S2)/-K2K020H-B(S2)/-K3K020H-B(S2) [INC]
R88M-K1K020T-B(S2)/-K1K520T-B(S2)/-K2K020T-B(S2)/-K3K020T-B(S2) [ABS]

R88M-K, R88D-KN□-ML2 外形尺寸 49
R88M-K, R88D-KN□-ML2 外形尺寸 50

4 kW/5 kW

R88M-K, R88D-KN□-ML2 外形尺寸 52

不带制动器
R88M-K4K020H(-S2)/-K5K020H(-S2) [INC] 
R88M-K4K020T(-S2)/-K5K020T(-S2) [ABS] 

带制动器
R88M-K4K020H-B(S2)/-K5K020H-B(S2) [INC] 
R88M-K4K020T-B(S2)/-K5K020T-B(S2) [ABS]

R88M-K, R88D-KN□-ML2 外形尺寸 53

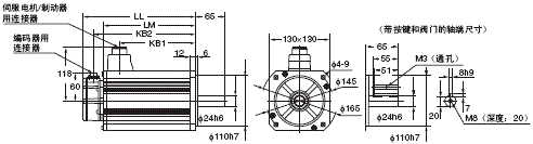
7.5 kW

R88M-K, R88D-KN□-ML2 外形尺寸 55

不带制动器
R88M-K7K515T(-S2) [ABS] 

带制动器
R88M-K7K515T-B(S2) [ABS]

R88M-K, R88D-KN□-ML2 外形尺寸 56

11 kW/15 kW

不带制动器
R88M-K11K015T(-S2)/-K15K015T(-S2) [ABS]


带制动器
R88M-K11K015T-B(S2)/R88M-K15K015T-B(S2) [ABS]

R88M-K, R88D-KN□-ML2 外形尺寸 58
R88M-K, R88D-KN□-ML2 外形尺寸 59

1,500r/min、2,000r/min电机 (AC400V)

400 W/600 W

R88M-K, R88D-KN□-ML2 外形尺寸 62

不带制动器
R88M-K40020F(-S2)/-K60020F(-S2) [INC] 
R88M-K40020C(-S2)/-K60020C(-S2) [ABS] 

带制动器
R88M-K40020F-B(S2)/-K60020F-B(S2) [INC] 
R88M-K40020C-B(S2)/-K60020C-B(S2) [ABS]

R88M-K, R88D-KN□-ML2 外形尺寸 63

1 kW/1.5 kW/2 kW/3 kW

不带制动器
R88M-K1K020F(-S2)/-K1K520F(-S2)/-K2K020F(-S2)/-K3K020F(-S2) [INC]
R88M-K1K020C(-S2)/-K1K520C(-S2)/-K2K020C(-S2)/-K3K020C(-S2) [ABS]


带制动器
R88M-K1K020F-B(S2)/-K1K520F-B(S2)/-K2K020F-B(S2)/-K3K020F-B(S2) [INC]
R88M-K1K020C-B(S2)/-K1K520C-B(S2)/-K2K020C-B(S2)/-K3K020C-B(S2) [ABS]

R88M-K, R88D-KN□-ML2 外形尺寸 65
R88M-K, R88D-KN□-ML2 外形尺寸 66

4 kW/5 kW

R88M-K, R88D-KN□-ML2 外形尺寸 68

不带制动器
R88M-K4K020F(-S2)/-K5K020F(-S2) [INC] 
R88M-K4K020C(-S2)/-K5K020C(-S2) [ABS] 

带制动器
R88M-K4K020F-B(S2)/-K5K020F-B(S2) [INC] 
R88M-K4K020C-B(S2)/-K5K020C-B(S2) [ABS]

R88M-K, R88D-KN□-ML2 外形尺寸 69

7.5 kW

不带制动器
R88M-K7K515C(-S2) [ABS]


带制动器
R88M-K7K515C-B(S2) [ABS]

R88M-K, R88D-KN□-ML2 外形尺寸 71
R88M-K, R88D-KN□-ML2 外形尺寸 72

11 kW/15 kW

不带制动器
R88M-K11K015C(-S2)/-K15K015C(-S2) [ABS]


带制动器
R88M-K11K015C-B(S2)/R88M-K15K015C-B(S2) [ABS]

R88M-K, R88D-KN□-ML2 外形尺寸 74
R88M-K, R88D-KN□-ML2 外形尺寸 75

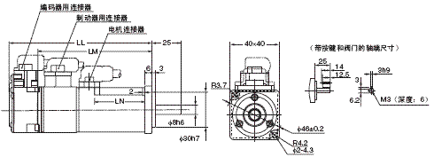
1,000r/min电机 (AC200V)

900 W

R88M-K, R88D-KN□-ML2 外形尺寸 78

不带制动器
R88M-K90010H(-S2) [INC] 
R88M-K90010T(-S2) [ABS] 

带制动器
R88M-K90010H-B(S2) [INC] 
R88M-K90010T-B(S2) [ABS]

R88M-K, R88D-KN□-ML2 外形尺寸 79

2 kW/3 kW

R88M-K, R88D-KN□-ML2 外形尺寸 81

不带制动器
R88M-K2K010H(-S2)/-K3K010H(-S2) [INC] 
R88M-K2K010T(-S2)/-K3K010T(-S2) [ABS] 

带制动器
R88M-K2K010H-B(S2)/-K3K010H-B(S2) [INC] 
R88M-K2K010T-B(S2)/-K3K010T-B(S2) [ABS]

R88M-K, R88D-KN□-ML2 外形尺寸 82

4.5 kW

不带制动器
R88M-K4K510T(-S2) [ABS]


带制动器
R88M-K4K510T-B(S2) [ABS]

R88M-K, R88D-KN□-ML2 外形尺寸 84
R88M-K, R88D-KN□-ML2 外形尺寸 85

6 kW

不带制动器
R88M-K6K010T(-S2) [ABS]


带制动器
R88M-K6K010T-B(S2) [ABS]

R88M-K, R88D-KN□-ML2 外形尺寸 87
R88M-K, R88D-KN□-ML2 外形尺寸 88

1,000r/min电机(AC400V)

900 W

R88M-K, R88D-KN□-ML2 外形尺寸 91

不带制动器
R88M-K90010F(-S2) [INC] 
R88M-K90010C(-S2) [ABS] 

带制动器
R88M-K90010F-B(S2) [INC] 
R88M-K90010C-B(S2) [ABS]

R88M-K, R88D-KN□-ML2 外形尺寸 92

2 kW/3 kW

R88M-K, R88D-KN□-ML2 外形尺寸 94

不带制动器
R88M-K2K010F(-S2)/-K3K010F(-S2) [INC]
R88M-K2K010C(-S2)/-K3K010C(-S2) [ABS]


带制动器
R88M-K2K010F-B(S2)/-K3K010F-B(S2) [INC]
R88M-K2K010C-B(S2)/-K3K010C-B(S2) [ABS]

R88M-K, R88D-KN□-ML2 外形尺寸 95

4.5 kW

不带制动器
R88M-K4K510C(-S2) [ABS]


带制动器
R88M-K4K510C-B(S2) [ABS]

R88M-K, R88D-KN□-ML2 外形尺寸 97
R88M-K, R88D-KN□-ML2 外形尺寸 98

6 kW

不带制动器
R88M-K6K010C(-S2) [ABS]


带制动器
R88M-K6K010C-B(S2) [ABS]

R88M-K, R88D-KN□-ML2 外形尺寸 100
R88M-K, R88D-KN□-ML2 外形尺寸 101