Page top

F3SR-B

安全光幕

F3SR-B

直观可识别,轻扫一眼即可读懂指示灯

(单位:mm)

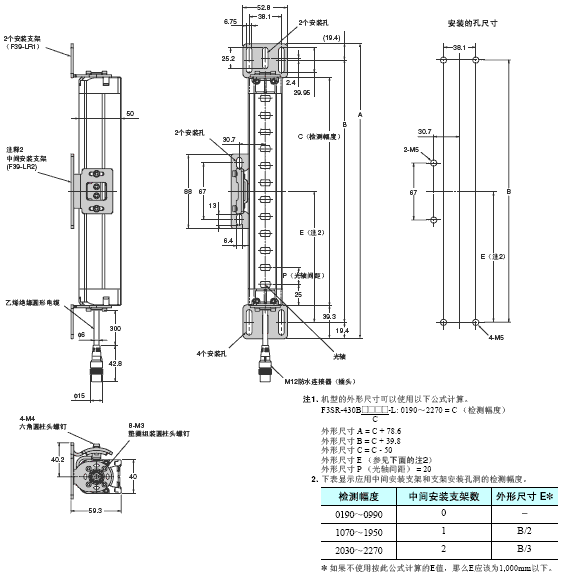
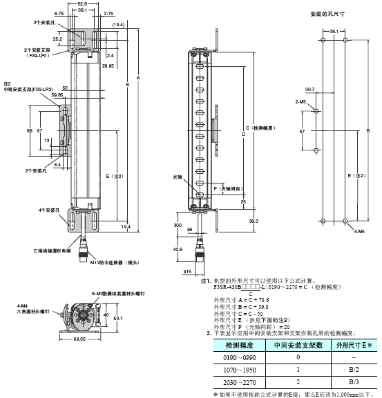
主体

使用标准安装支架时

背面安装时

F3SR-B 外形尺寸 3 Backside mounting_Dim

侧面安装时

F3SR-B 外形尺寸 4 Side mounting_Dim

附件(另售)

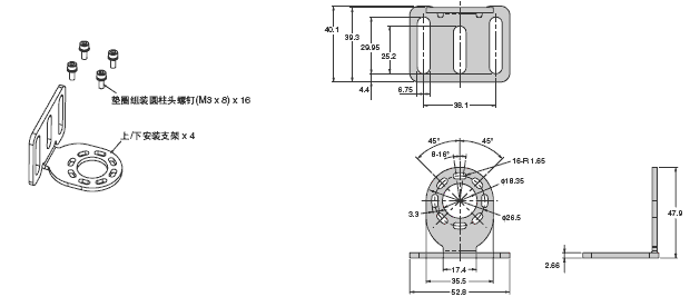
上/下安装支架
F39-LR1

F3SR-B 外形尺寸 6 F39-LR1_Dim

材质:不锈钢(上/下安装支架,六角圆柱头螺钉)
注:不包括将上/下安装支架安装到墙壁的螺钉。需要顾客自己准备。

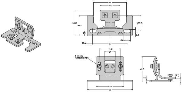
中间安装支架
F39-LR2

F3SR-B 外形尺寸 8 F39-LR2_Dim

材质:不锈钢(自由定位支架(2)、(3),六角圆柱头螺钉)

背面安装时

F3SR-B 外形尺寸 9 F39-LR2_Backside mounting_Dim

侧面安装时

F3SR-B 外形尺寸 10 F39-LR2_Side mounting_Dim

自由定位安装支架
F39-LR3

F3SR-B 外形尺寸 11 F39-LR3_Dim

材质:不锈钢(自由定位支架(2)、(3),六角圆柱头螺钉)

背面安装时

F3SR-B 外形尺寸 12 F39-LR3_Backside mounting_Dim

侧面安装时

F3SR-B 外形尺寸 13 F39-LR3_Side mounting_Dim

所需安装支架数

传感器检测幅度所需的支架数如下所示:

F3SR-B 外形尺寸 14

单侧连接器电缆
F39-JD3A (L = 3m),F39-JD7A (L = 7m)
F39-JD10A (L = 10m), F39-JD15A (L = 15m)
F39-JD20A(L=20m)

F3SR-B 外形尺寸 15 F39-JD3A_Dim

电缆颜色: 投光器用灰色 受光器用黑色

双侧连接器导线
F39-JDR5B (L = 0.5m),F39-JD1B (L = 1m)
F39-JD3B (L = 3m), F39-JD5B (L = 5m)
F39-JD7B (L = 7m) ,F39-JD10B (L = 10m)
F39-JD15B (L = 15m), F39-JD20B (L = 20m)

F3SR-B 外形尺寸 16 F39-JDR5B_Dim

电缆颜色: 投光器用灰色 受光器用黑色

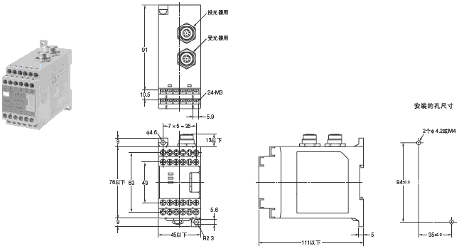
控制单元 F3SP-B1P

F3SR-B 外形尺寸 17 F3SP-B1P_Dim

激光指针F39-PTR

F3SR-B 外形尺寸 18 F39-PTR_Dim

防溅保护罩
F39-HRB□□□□

F3SR-B 外形尺寸 19 F39-HRB[][][][]_Dim