Page top

61F-AN

交互运转继电器

61F-AN

延长电机的寿命,在清扫水槽时、 泵故障时可采用单侧运转*紧急对应

61F-APN2系列预定于2023年6月底订货截止。

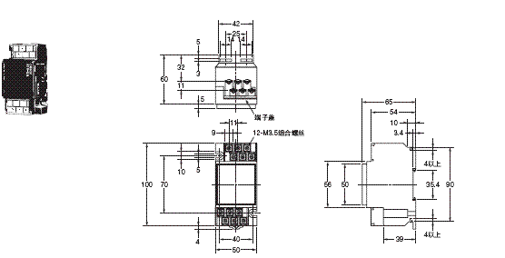
(单位:mm)

61F-AN

61F-AN 外形尺寸 2 61F-AN_Dim

注: 这是DIN导轨安装滑块插入时的尺寸。

61F-APN2

61F-AN 外形尺寸 5 61F-APN2_Dim

安装在表面连接插座PF083A上时,请使用附带的PFC-N8。

PFC-N8

61F-AN 外形尺寸 6

注: 固定支架PFC-N8 (附属于本体)