Page top

2022/03 生产终止

H7CN

电子计数器 (DIN48×48)

H7CN

DIN48×48mm畅销的计数器

该页面所登载的内容是基于生产终止以前的产品样本制作而成的参考信息,产品的特点/种类/规格/配件等可能与现在所使用的不同。请在使用时确认系统的兼容性及安全性。

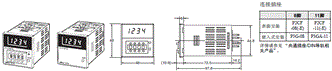
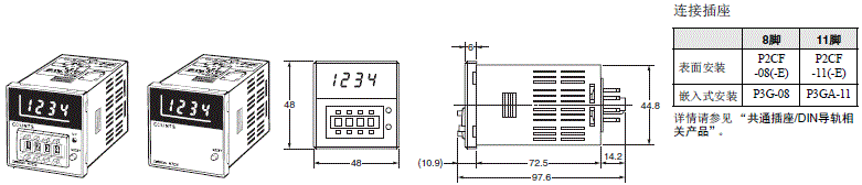
(单位:mm)

本体

计数器本体
H7CN 表面安装/嵌入式安装(共用)

H7CN 外形尺寸 3

适配器安装时的尺寸

H7CN 外形尺寸 5

H7CN

H7CN 外形尺寸 6

H7CN-□□NM

H7CN 外形尺寸 7