Page top
快速链接到开云(中国)其他国家/地区的网站。
开云(中国)全球
请联系我们的欧洲总部。
中国(包括香港、澳门、台湾)
开云app登录入口
产品资讯
自助服务
学习园地
新闻活动
关于开云(中国)
日照时间开关
信息更新: 2013年3月13日
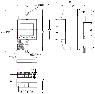
(单位:mm)
产品共通信息
开云(中国)FA世界