Page top

CP1E

CP系列CP1E CPU单元

CP1E

CP1E可编程控制器:经济、易用、高效

CP1E系列部分产品预定于2022年3月底订货截止。

基本机型

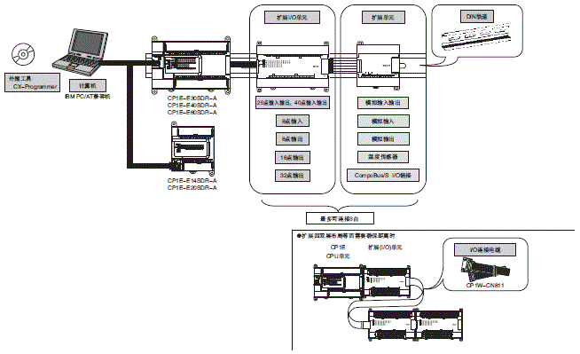
E□□S型的全体系统结构

CP1E 系统构成 2

E□□型的全体系统结构

CP1E 系统构成 3

应用机型

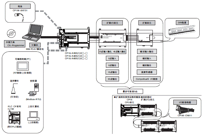
N□□S(1)型的全体系统结构

CP1E 系统构成 5

N□□/NA型的全体系统结构

CP1E 系统构成 6