| 名称 | 8点接点输出单元(带端子块, 独立继电器) |
|---|---|
| 型号 | CJ1W-OC201 |
| 最大开关容量 | 2A AC250V (cosφ = 1), 2A AC250V (cosφ = 0.4), 2A DC24V (16A/单元) |
| 最小开关容量 | 1mA DC5V |
| 继电器 | NY-24W-K-IE (Fujitsu Takamizawa Components, Ltd.), 不能替换。 |
| 继电器的寿命 | 电气的: 150,000次操作(DC24V, 电阻负载) /100,000次操作(AC240V, cosφ = 0.4, 感性负载)
机械的: 20,000,000次操作 根据连接负载不同继电器寿命有所不同。 |
| ON响应时间 | 15ms以下 |
| OFF响应时间 | 15ms以下 |
| 回路数 | 8独立接点 |
| 绝缘电阻 | 20MΩ, 在外部端子和GR端子之间(DC500V) |
| 耐电压 | AC2,000V, 在外部端子和GR端子间并且一分钟内的最大漏电流为10mA |
| 内部电流消耗 | 最大90mA DC5V
最大48mA DC24V (6mA × ON点数) |
| 质量 | 140g以下 |
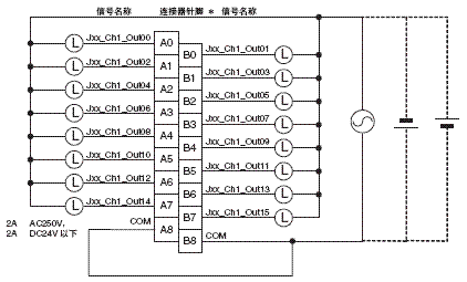
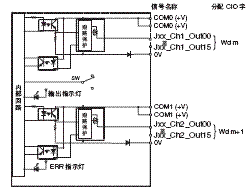
| 回路配置 |
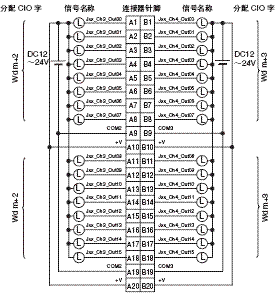
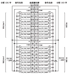
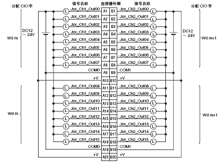
端子的信号名称是设备的变量名称。 设备变量名称是将“Jxx” 用作设备名称的名称。 |
| 外部连接和端子-设备变量图 |
端子的信号名称是设备的变量名称。设备变量名称是将“Jxx” 用作设备名称的名称。 可以任意方向连接输入电源的正负极。 |














400-820-4535


沪公网安备 31011502002231号