| 名称 | 8点DC输入单元(带端子块) |
|---|---|
| 型号 | CJ1W-ID201 |
| 额定输入电压 | DC12~24V |
| 额定输入电压范围 | DC10.2V~DC26.4V |
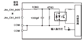
| 输入阻抗 | 2.4kΩ |
| 输入电流 | 在DC24V时典型值为10mA |
| ON电压/ON电流 | DC8.8V以上/3mA以上 |
| OFF电压/OFF电流 | DC3V以下/1mA以下 |
| ON响应时间 | 8.0ms以下(可设定为0~32ms之间的任意数值。) *1 |
| OFF响应时间 | 8.0ms以下(可设定为0~32ms之间的任意数值。) *1 |
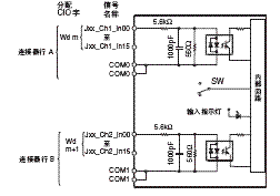
| 回路数 | 8独立回路 |
| 并发ON点数 | 100%同时ON |
| 绝缘电阻 | 外部端子和GR端子间20MΩ 以上(DC100V) |
| 耐电压 | 外部端子和GR端子间1 分钟AC1,000V,漏电流10mA以下 |
| 内部电流消耗 | 80mA以下 |
| 质量 | 110g以下 |
| 回路配置 |
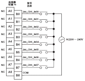
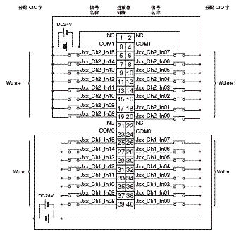
• 端子的信号名称是设备的变量名称。 设备变量名称是将“Jxx”用作设备名称的名称。 |
| 外部连接和端子-
设备变量图 |
![]() • 输入电源的极性用两种方式均可连接。 • 端子的信号名称是设备的变量名称。 设备变量名称是将“Jxx”用作设备名称的名称。 |
*2. 在外部连接和端子-设备变量图中使用端子号A0~A8和B0~B8。它们未印在单元上。
注: 虽然分配了16位(1字) I/O,但是只有8位可用于外部I/O。

400-820-4535


沪公网安备 31011502002231号