Page top

2019/06 生产终止

UM, MC3

安全垫/安全垫控制器

UM, MC3

易于安装和保养的安全垫

该页面所登载的内容是基于生产终止以前的产品样本制作而成的参考信息,产品的特点/种类/规格/配件等可能与现在所使用的不同。请在使用时确认系统的兼容性及安全性。

(单位:mm)

安全垫控制器
MC3

UM, MC3 外形尺寸 2 MC3_Dim

带黄色PVC盖的斜压边
UMRT□

UM, MC3 外形尺寸 3 UMRT[]_Dim

成型外部边角
UMOC

UM, MC3 外形尺寸 4 UMOC_Dim

连接处压边
UMJS□

UM, MC3 外形尺寸 5 UMJS[]_Dim

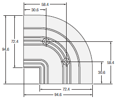
成型内部边角
UMIC

UM, MC3 外形尺寸 6 UMIC_Dim

铝质斜压边
UMAL

UM, MC3 外形尺寸 7 UMAL_Dim

安全垫

UM, MC3 外形尺寸 8 Safety Mat_Dim

附件

分配盒
UMDB-6

UM, MC3 外形尺寸 11 UMDB-6_Dim

“Y”连接器
UM-Y-2-1

UM, MC3 外形尺寸 12 UM-Y-2-1_Dim

面板安装型连接器
UMPMC

UM, MC3 外形尺寸 13 UMPMC_Dim

延长电缆
UMEC-03、UMEC-05
UMEC-10、UMEC-15

UM, MC3 外形尺寸 15 UMEC-03_Dim

位于电缆一端带插口的连接器
XS2F-D421-C80-F
XS2F-D421-D80-F
XS2F-D421-G80-F
XS2F-D421-J80-F

UM, MC3 外形尺寸 17 XS2F-D421-C80-F_Dim