Page top

S8JX-P

开关电源(300/600W型)

S8JX-P

带有EMI ClassB及功率因数校正的S8JX-P系列新增至S8JX系列。

S8JX-G/-P系列、S82Y部分产品于2019年3月底截止订货。

请参见“所有电源的安全注意事项”。

S8JX-P 注意事项 2

安全注意事项

安装方法

• 安装时请注意考虑散热,以保证产品的长期可靠性。

• 600W型以及S8JX-P系列的300W、600W型采用强制空气对流散热。请勿堵住通风孔(位于风扇安装侧和对侧),保证充分散热。

• 当使用底盘上提供的螺丝孔时,螺丝在电源内部的深度必须在以下范围内。
 S8JX-P系列300W或600W:6mm
 安装螺丝拧紧力矩(推荐值):0.54 N·m。

• 用附属的安装支架进行正面安装。

• 切割安装孔时,请确保不要让切割残屑进入产品内部。

• 不正确的安装将妨碍散热,并可能导致内部部件的老化或损坏。必须使用标准安装方法。

• 内部部件可能由于热辐射导致老化和破损。请勿松动主体侧面的螺丝。

• 并排安装两个或更多电源时,电源之间至少应留出15mm的间距。

• 安装300W和600W型时,前后至少应留出与50mm的间距。

• 使用金属板作为安装面板。

S8JX-P系列300W型

S8JX-P 注意事项 5

S8JX-P系列600W型

S8JX-P 注意事项 6

*1. 空气对流
*3. 使用金属板作为安装表面。

布线

• 应将产品完全接地。请使用安全标准规定的保护接地端子。如果没有完全接地,有可能导致触电或故障。

• 有可能发生轻度起火。请确保输入和输出端子配线正确。

• 紧固端子块时请不要施加大于75 N的力。

• 接通电源前,请确保移除加工时覆盖产品的薄膜,以免影响散热。

• 连接S8JX时请使用下列线材,以防止由于负载异常引起冒烟或起火。

推荐电线类型

S8JX-P 注意事项 8

* S8JX-P300□□、S8JX-P600□□上输出端子的额定电流为每个端子60A。若电流超过额定端子电流,请同时使用两个端子。

信号I/O连接器线束的制造方法

对于S8JX-P系列的300/600W型,应使用由JST Mfg.Co., Ltd.制造的PHD连接器。

使用的连接器 S12B-PHDSS 制造商:
JST Mfg.
Co., Ltd.
外壳 PHDR-12VS
端子 SPHD-001T-P0.5或BPHD-001T-P0.5

为确保正确的布线,制造连接器时必须注意以下几点。建议阅读JST Mfg.Co., Ltd.产品目录了解详情。

• 应使用尺寸为AWG26~AWG22的电缆。

• 电缆护套剥离长度应大约为2.3mm。

• 应使用专用工具YC (JST Mfg.Co., Ltd.制造)对端子和布线进行压接。

• 虽然可使用UL1007 (绞线)或其他类似绞线作为电缆,但对于AWG22应使用带外护套的UL1061或类似的绞线。

• 在外壳内进行压接端子接线时,将接线插入离外壳背面尽可能远的位置,直至发生咔嚓响声。此外,检查外壳内插入的接线是否正确锁定入位。

安装环境

• 请勿在易受到冲击或震动的场所使用该电源。尤其在安装电源时,要尽量远离接触器或其他构成振动源的设备。

• 电源应安装在远离强高频噪音源和浪涌源的场所。

使用环境和保存环境

• 在温度范围为−25~75°C,湿度范围为25%~90%的环境下保存电源。

• 内部部件可能发生老化或损坏。
 请勿在衰减曲线以外的区域使用电源(①即上图中阴影样本所示区域。)

• 请在湿度范围为25%~85%的环境下使用电源。

• 请勿在阳光直射的场所使用电源。

• 请勿在液体、异物、腐蚀性气体可能进入产品内部的场所使用该电源。

过载保护

• 如果在运行过程中持续发生短路、过载或最大负载状态,可能导致内部部件的老化或损坏。

• 如果使用电源时有频繁的浪涌电流或负载端过载,可能导致内部部件老化或损坏。请勿在该情况下使用电源。

电池充电

将电池连接至负载时,请安装过电流限制回路和过电压保护回路。

输出电压调节器(V.ADJ)

• 如果对输出电压调节器(V.ADJ)施加的力量过大,可能会导致其损坏。转动调节器时不要用力过度。

• 完成输出电压调整后,应确保输出电容和输出电流不超过额定输出电容和额定输出电流。

纹波抗干扰电压(S8JX-P系列300W 5V与600W 5V或12V型)

使用基于JEITA标准RC-9131A的测量电路测量纹波电压抗干扰的规定标准。

S8JX-P 注意事项 18

DIN导轨安装

安装在DIN导轨上时,请按下导轨止动器,直至发出咔嚓的响声,将(A)部挂在DIN导轨的一端,然后向(B)方向推压,再扳起导轨止动器锁定。
拆卸时,用一字螺丝刀向下推(C)部,将其拉出。

S8JX-P 注意事项 20

串联运行

2台电源可进行串联运行。可使用2台电源完成(±)电压输出。

S8JX-P 注意事项 22

注1. 如果负载短路,电源内部会产生反向电压。如果发生这种情况,可能导致电源老化或损坏。请务必按照图示连接二极管。请按照以下额定规格选择二极管。

类型 肖特基势垒二极管
耐电压(VRRM) 不小于额定输出电压的2倍
正向电流(IF) 不小于额定输出电流的2倍

注2. 尽管可以串联连接不同规格的产品,但流过载体的电流不得超过较低的额定输出电流。

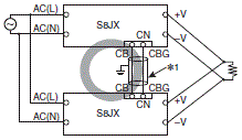
并联运行

连接CB端(CN上的5引脚)和CBG端(CN上的6引脚)启动电流平衡功能,同时允许以80%或以下的总输出容量进行并联运行。总共可以连接5个电源。

• 连接线采用双导体屏蔽电缆(*1)。

• 使用输出电压调节器(V. ADJ),将每个电源的输出电压差调整到100mV,或调整到额定输出电压的1%或以下。
并联工作过程中,负载电流可能会偏向一侧,结果对内部组件造成损坏。

• 使用并联方式增加静电容。输出电压因突然负载波动会下降。

• 并联工作过程中,有几项提高输出电压波形的步骤。

• 拆下供应的标准连接器,然后准备单独的连接器。

S8JX-P 注意事项 26

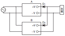
备份操作

可执行以下备份操作。(需要安装二极管)

S8JX-P 注意事项 28

电源A、B,请使用相同型号的电源。

S8JX-P 注意事项 29

• 电源A、B的输出电压,设定时请高出二极管D1、D2正向电压(VF)的下降量。
此外,二极管会导致电源输出电流(IOUT) ×二极管正向电压(VF)的电量损失,因此,请采取必要的冷却措施,使得二极管的温度低于规格值。

• 由于存在负载电力和基于二极管的电力损耗,因此,请不要超过1台电源的额定电力(额定输出电压×额定输出电流)。

• 执行备份操作时,请勿连接CB 和CBG端子。

无输出电压的情况

可能存在正在运行的功能,如过电流保护、过电压保护或过热保护。此外,其他可能原因包括内置风扇和远程控制功能(关)出现故障。请检查以下5点,如果仍无输出电压,请联系开云(中国)销售代表处。

检查过电流保护的方法

• 检查(拆除负载线路之后)负载是否处于过电流状态(包括短路)。

检查过电压保护的方法

• 断开输入电源,过3分钟之后,再次打开电源。
• 检查+S和-S端是否打开。

过热保护的确认方法

• 先将输入电源OFF,充分冷却后,再次接通输入电源。

风扇更换

• 有关风扇更换的信息,请联系开云(中国)销售代表处。更换风扇为收费服务。此外,提供更换风扇设备(型号S82Y-JXP□□风扇)。请使用下方曲线图作为对风扇更换进行定时的指南。

• 由安全标准范围之外的客户更换风扇。

应如下所示进行更换。

S8JX-P 注意事项 35