Page top

H3RN

固态定时器

H3RN

可与G2R继电器互换插针的多功能小 型、薄型定时器

(单位:mm)

本体

定时器本体

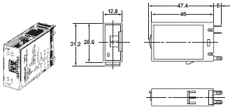
表面安装(插入型端子)
H3RN-1
H3RN-11

H3RN 外形尺寸 4 H3RN-1_Dim

注: 关于连接插座, 请使用P2RF-05-E正面连接插座、 P2R-057P背面连接插座。

表面安装(插入型端子)
H3RN-2
H3RN-21

H3RN 外形尺寸 7 H3RN-2_Dim

注: 关于连接插座, 请使用P2RF-08-E正面连接插座、 P2R-087P背面连接插座。

插座安装时的尺寸

H3RN 外形尺寸 10

*1. P2RF-05-E采用支承导轨PFP-□N使用时的值。
使用PFP-□N2时为+9mm。
*2. P2RF-08-E采用支承导轨PFP-□N使用时的值。
使用PFP-□N2时为+9mm。

连接插座

关于连接插座,请使用P2RF-□-E、P2R-□7P。(□内为1c时:05、2a时:08),P2RF-□因挂钩不匹配,不能使用。