Page top

R88M-G, R7D-BP

AC伺服电机和SMARTSTEP2系列脉冲串输入型伺服驱动器

R88M-G, R7D-BP

超小型尺寸, 凝聚高功能与优性能

(单位:mm)

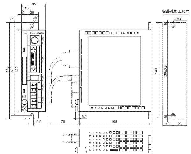
伺服驱动器

・50W/100W/200W
R7D-BPA5L
R7D-BP01L
R7D-BP01H
R7D-BP02H

R88M-G, R7D-BP 外形尺寸 2

・200W/400W
R7D-BP02L
R7D-BP02HH
R7D-BP04H

R88M-G, R7D-BP 外形尺寸 3

伺服电机

圆柱型伺服电机用(3,000r/min)

・50W/100W

R88M-G, R7D-BP 外形尺寸 6

*1. 带制动器伺服电机的型号。
*2. 在方形空格处填入“L” 或“H”。
注:标准型轴形状为直轴。订购直轴带按键的伺服电机时, 在型号后加上“S2”。

R88M-G, R7D-BP 外形尺寸 7

・200W/400W

R88M-G, R7D-BP 外形尺寸 9

*1. 在方形空格处填入“L” 或“H”。
*2. 带制动器伺服电机的型号。
*3. 订购直轴带按键的伺服电机时,在型号后加上“S2”。
注:标准型轴形状为直轴

R88M-G, R7D-BP 外形尺寸 10

扁平型伺服电机(3,000r/min)

・100W/200W/400W

R88M-G, R7D-BP 外形尺寸 12

*1. 在方形空格处填入“L” 或“H”。
*2. 带制动器伺服电机的型号。
*3. 订购直轴带按键的伺服电机时, 在型号后加上“S2”。
注:标准型轴形状为直轴。

R88M-G, R7D-BP 外形尺寸 13

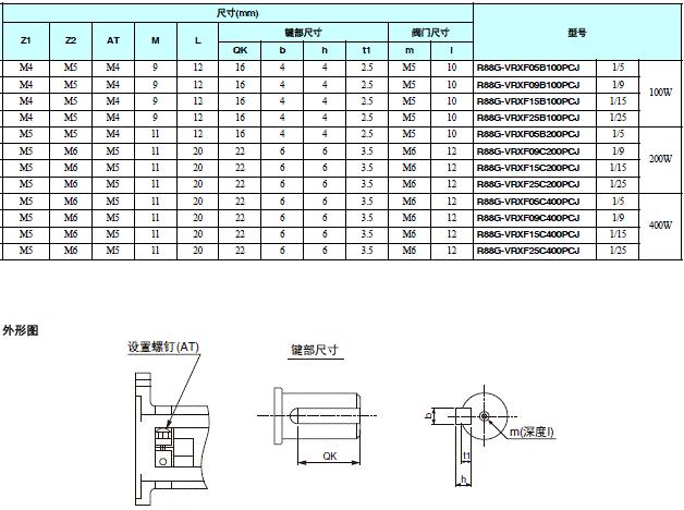
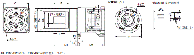
减速机

齿隙:3分以内

<圆柱型>

3,000r/min伺服电机(50~400W)

R88M-G, R7D-BP 外形尺寸 16
R88M-G, R7D-BP 外形尺寸 17

注1. 标准型轴形状为直轴。
 2. 订购直轴带键带阀门的减速机时, 在型号后方形空格指示的位置加上“J”。(例: R88G-HPG11A05100BJ)
 3. 电机轴插入部分的直径与相对应的电机轴直径相同。
 4. 如果按键被拆下, 应使用带按键的伺服电机。
 5. 本资料中的尺寸图仅表示主要尺寸, 不一定符合产品的具体形状。
*1. 为设置螺钉。

R88M-G, R7D-BP 外形尺寸 18
R88M-G, R7D-BP 外形尺寸 19

齿隙:3分以内

<扁平型伺服电机>

3,000r/min伺服电机(100~400W)

R88M-G, R7D-BP 外形尺寸 21
R88M-G, R7D-BP 外形尺寸 22

注1. 标准型轴形状为直轴。订购直轴带按键的减速机时,在型号后方形空格指示的位置加上“J”。
 2. 电机轴插入部分的直径与相对应的电机轴直径相同。
 3. 如果按键被拆下,应使用带按键的伺服电机。
*1. 为设置螺钉。

R88M-G, R7D-BP 外形尺寸 23

齿隙:15分以内

<圆柱型>

3,000r/min伺服电机(50~400W)

R88M-G, R7D-BP 外形尺寸 25
R88M-G, R7D-BP 外形尺寸 26

齿隙:15分以内

<扁平型伺服电机>

3,000r/min伺服电机(100~400W)

R88M-G, R7D-BP 外形尺寸 28
R88M-G, R7D-BP 外形尺寸 29

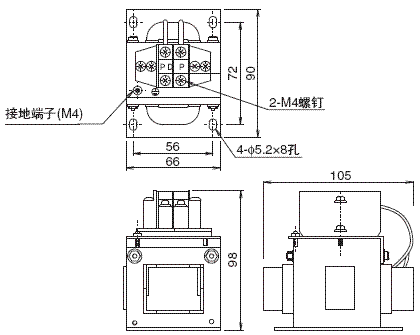
● 参数单元

R88A-PR02G

R88M-G, R7D-BP 外形尺寸 30

● DIN轨道安装单元

R7A-DIN01B

R88M-G, R7D-BP 外形尺寸 31

●外部再生电阻

R88A-RR22047S1

R88M-G, R7D-BP 外形尺寸 32

R88A-RR08050S/-RR080100S

R88M-G, R7D-BP 外形尺寸 33

●电抗器

3G3AX-DL2002
3G3AX-DL2004

R88M-G, R7D-BP 外形尺寸 34

3G3AX-DL2007

R88M-G, R7D-BP 外形尺寸 35

3G3AX-AL2025

R88M-G, R7D-BP 外形尺寸 36