Page top

R88M-G, R88D-GT

AC伺服电机/驱动器

R88M-G, R88D-GT

丰富的品种、充分实现伺服所要求的功能/性能

R88A-CCG0□□P4已于2021年3月底订货截止。R88D-GT75H-Z已于2021年12月21日订货截止。

(单位:mm)

伺服驱动器

单相 AC100V (50~100W)
R88D-GTA5L
R88D-GT01L
单相 AC200V (50~200W)
R88D-GT01H
R88D-GT02H

R88M-G, R88D-GT 外形尺寸 2

单相 AC100V (200W)
R88D-GT02L
单相 AC200V (400W)
R88D-GT04H

R88M-G, R88D-GT 外形尺寸 3

单相 AC100V (400W)
R88D-GT04L
单相/三相 AC200V (750W)
R88D-GT08H

R88M-G, R88D-GT 外形尺寸 4

单相/三相 AC200V (900W~1.5kW)
R88D-GT10H
形R88D-GT15H

R88M-G, R88D-GT 外形尺寸 5

三相 AC200V (2kW)
形R88D-GT20H

R88M-G, R88D-GT 外形尺寸 6

三相 AC200V (2kW~5kW)
R88D-GT30H
R88D-GT50H

R88M-G, R88D-GT 外形尺寸 7

三相 AC200V (7.5kW)
形R88D-GT75H
前面板安装时(使用安装支架)

R88M-G, R88D-GT 外形尺寸 8

伺服电机

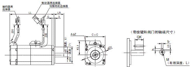
圆柱型伺服电机用(3,000r/min电机)

50W/100W

【INC】
R88M-G05030H(-S2)
R88M-G10030L(-S2)
R88M-G10030H(-S2)
R88M-G05030H-B(-S2)
R88M-G10030L-B(-S2)
R88M-G10030H-B(S2)

【INC】
R88M-G05030T(-S2)
R88M-G10030S(-S2)
R88M-G10030T(-S2)
R88M-G05030T-B(-S2)
R88M-G10030S-B(-S2)
R88M-G10030T-B(S2)

R88M-G, R88D-GT 外形尺寸 13

* 方形空格中为显示L、H、T、S。
注:标准型轴形状为直轴。
型号后带“S2” 为带按键和阀门的直轴的型号。

R88M-G, R88D-GT 外形尺寸 15

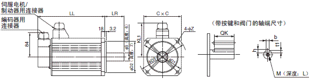
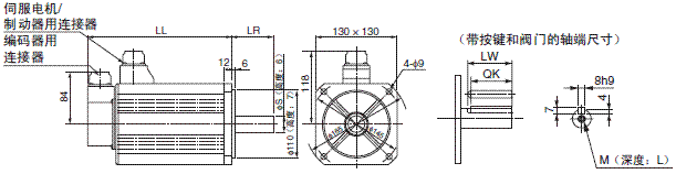
200W/400W/750W

【INC】
R88M-G20030L(-S2)
R88M-G40030L(-S2)
R88M-G20030H(-S2)
R88M-G40030H(-S2)
R88M-G75030H(-S2)
R88M-G20030L-B(S2)
R88M-G40030L-B(S2)
R88M-G20030H-B(S2)
R88M-G40030H-B(S2)
R88M-G75030H-B(S2)

【ABS】
R88M-G20030S(-S2)
R88M-G40030S(-S2)
R88M-G20030T(-S2)
R88M-G40030T(-S2)
R88M-G75030T(-S2)
R88M-G20030S-B(S2)
R88M-G40030S-B(S2)
R88M-G20030T-B(S2)
R88M-G40030T-B(S2)
R88M-G75030T-B(S2)

R88M-G, R88D-GT 外形尺寸 19

* 方形空格中为显示L、H、T、S。
注:标准型轴形状为直轴。型号后带“S2” 为带按键和阀门的直轴的型号。

R88M-G, R88D-GT 外形尺寸 21

1kW/1.5kW/2kW

【ABS】
R88M-G1K030T(-S2)
R88M-G1K530T(-S2)
R88M-G2K030T(-S2)
R88M-G1K030T-B(S2)
R88M-G1K530T-B(S2)
R88M-G2K030T-B(S2)

R88M-G, R88D-GT 外形尺寸 24

注:标准型轴形状为直轴。型号后带“S2” 为带按键和阀门的直轴的型号。

R88M-G, R88D-GT 外形尺寸 26

3kW

【ABS】
R88M-G3K030T(-S2)
R88M-G3K030T-B(S2)

R88M-G, R88D-GT 外形尺寸 29

注:标准型轴形状为直轴。型号后带“S2” 为带按键和阀门的直轴的型号。

R88M-G, R88D-GT 外形尺寸 31

4kW/5kW

【ABS】
R88M-G4K030T(-S2)
R88M-G5K030T(-S2)
R88M-G4K030T-B(S2)
R88M-G5K030T-B(S2)

R88M-G, R88D-GT 外形尺寸 34

注:标准型轴形状为直轴。型号后带“S2” 为带按键和阀门的直轴的型号。

R88M-G, R88D-GT 外形尺寸 36

扁平型伺服电机(3,000r/min)

100W/200W/400W

【INC】
R88M-GP10030L(-S2)
R88M-GP20030L(-S2)
R88M-GP40030L(-S2)
R88M-GP10030H(-S2)
R88M-GP20030H(-S2)
R88M-GP40030H(-S2)
R88M-GP10030L-B(S2)
R88M-GP20030L-B(S2)
R88M-GP40030L-B(S2)
R88M-GP10030H-B(S2)
R88M-GP20030H-B(S2)
R88M-GP40030H-B(S2)

【ABS】
R88M-GP10030S(-S2)
R88M-GP20030S(-S2)
R88M-GP40030S(-S2)
R88M-GP10030T(-S2)
R88M-GP20030T(-S2)
R88M-GP40030T(-S2)
R88M-GP10030S-B(S2)
R88M-GP20030S-B(S2)
R88M-GP40030S-B(S2)
R88M-GP10030T-B(S2)
R88M-GP20030T-B(S2)
R88M-GP40030T-B(S2)

R88M-G, R88D-GT 外形尺寸 41

注:标准型轴形状为直轴。型号后带“S2” 为带按键和阀门的直轴的型号。

R88M-G, R88D-GT 外形尺寸 43

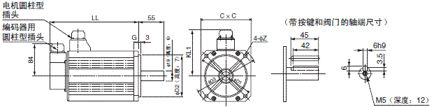
圆柱型伺服电机用(2,000r/min电机)

AC200V:1kW/1.5kW

【ABS】
R88M-G1K020T(-S2)
R88M-G1K520T(-S2)
R88M-G1K020T-B(S2)
R88M-G1K520T-B(S2)

R88M-G, R88D-GT 外形尺寸 47

注:标准型轴形状为直轴。型号后带“S2” 为带按键和阀门的直轴的型号。

R88M-G, R88D-GT 外形尺寸 49

AC200V:2kW/3kW

【ABS】
R88M-G2K020T(-S2)
R88M-G3K020T(-S2)
R88M-G2K020T-B(S2)
R88M-G3K020T-B(S2)

R88M-G, R88D-GT 外形尺寸 52

注:标准型轴形状为直轴。型号后带“S2” 为带按键和阀门的直轴的型号。

R88M-G, R88D-GT 外形尺寸 54

AC200V:4kW/5kW

【ABS】
R88M-G4K020T(-S2)
R88M-G5K020T(-S2)
R88M-G4K020T-B(S2)
R88M-G5K020T-B(S2)

R88M-G, R88D-GT 外形尺寸 57

注:标准型轴形状为直轴。型号后带“S2” 为带按键和阀门的直轴的型号。

R88M-G, R88D-GT 外形尺寸 59

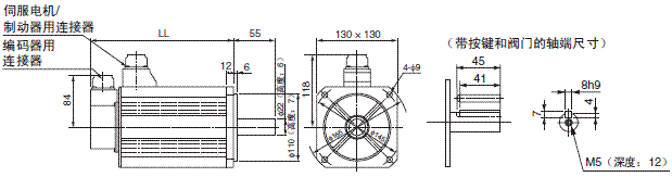
圆柱型伺服电机用(1,500r/min电机)

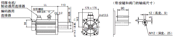
7.5kW

【ABS】
R88M-G7K515T(-S2)
R88M-G7K515T-B(S2)

R88M-G, R88D-GT 外形尺寸 63

注:标准型轴形状为直轴。型号后带“S2” 为带按键和阀门的直轴的型号。

R88M-G, R88D-GT 外形尺寸 65

圆柱型伺服电机用(1,000r/min电机)

900W/2kW

【ABS】
R88M-G90010T(-S2)
R88M-G2K010T(-S2)
R88M-G90010T-B(S2)
R88M-G2K010T-B(S2)

R88M-G, R88D-GT 外形尺寸 69

注:标准型轴形状为直轴。型号后带“S2” 为带按键和阀门的直轴的型号。

R88M-G, R88D-GT 外形尺寸 71

3kW

【ABS】
R88M-G3K010T(-S2)
R88M-G3K010T-B(S2)

R88M-G, R88D-GT 外形尺寸 74

注:标准型轴形状为直轴。型号后带“S2” 为带按键和阀门的直轴的型号。

R88M-G, R88D-GT 外形尺寸 76

4.5kW

【ABS】
R88M-G4K510T(-S2)
R88M-G4K510T-B(S2)

R88M-G, R88D-GT 外形尺寸 79

注:标准型轴形状为直轴。型号后带“S2” 为带按键和阀门的直轴的型号。

R88M-G, R88D-GT 外形尺寸 81

6kW

【ABS】
R88M-G6K010T(-S2)
R88M-G6K010T-B(S2)

R88M-G, R88D-GT 外形尺寸 84

注:标准型轴形状为直轴。型号后带“S2” 为带按键和阀门的直轴的型号。

R88M-G, R88D-GT 外形尺寸 86

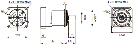
减速机

齿隙:3分以内

<圆柱型>

• 3,000r/min伺服电机(50~750W)

R88M-G, R88D-GT 外形尺寸 90
R88M-G, R88D-GT 外形尺寸 91

注1. 标准型轴形状为直轴。
 2. 订购直轴带键带阀门的减速机时, 在型号后方形空格指示的位置加上“J”。(例:R88G-HPG11A05100BJ)
 3. 电机轴插入部分的直径与相对应的电机轴直径相同。
 4. 如果按键被拆下, 应使用带按键的伺服电机。
 5. 本资料中的尺寸图仅表示主要尺寸,不一定符合产品的具体形状。
*1. 为设置螺钉。

R88M-G, R88D-GT 外形尺寸 92
R88M-G, R88D-GT 外形尺寸 93

• 3,000r/min伺服电机(1~5kW)

R88M-G, R88D-GT 外形尺寸 94
R88M-G, R88D-GT 外形尺寸 95

注1. 标准型轴形状为直轴。
 2. 订购直轴带键带阀门的减速机时, 在型号后方形空格指示的位置加上“J”。(例:R88G-HPG11A05100BJ)
 3. 电机轴插入部分的直径与相对应的电机轴直径相同。
 4. 如果按键被拆下, 应使用带按键的伺服电机。
 5. 本资料中的尺寸图仅表示主要尺寸,不一定符合产品的具体形状。
*1. 为设置螺钉。

R88M-G, R88D-GT 外形尺寸 96
R88M-G, R88D-GT 外形尺寸 97

齿隙:3分以内

<扁平型伺服电机>

• 3,000r/min伺服电机(100~400W)

R88M-G, R88D-GT 外形尺寸 100
R88M-G, R88D-GT 外形尺寸 101

注1. 标准型轴形状为直轴。
  型号后带“J”为带按键和阀门的直轴的型号。
 2. 如果按键被拆下,应使用带按键的伺服电机。
*1. 为设置螺钉。

R88M-G, R88D-GT 外形尺寸 102

齿隙:3分以内

<圆柱型>

• 2,000r/min伺服电机(1~7.5kW)

R88M-G, R88D-GT 外形尺寸 105
R88M-G, R88D-GT 外形尺寸 106

注1. 标准型轴形状为直轴。
 2. 订购直轴带键带阀门的减速机时, 在型号后方形空格指示的位置加上“J”。(例:R88G-HPG11A05100BJ)
 3. 电机轴插入部分的直径与相对应的电机轴直径相同。
 4. 如果按键被拆下, 应使用带按键的伺服电机。
 5. 资料中的尺寸图仅表示主要尺寸,不一定符合产品的具体形状。
*1. 为设置螺钉。

R88M-G, R88D-GT 外形尺寸 107
R88M-G, R88D-GT 外形尺寸 108

• 1,000r/min伺服电机(900W~6kW)

R88M-G, R88D-GT 外形尺寸 109
R88M-G, R88D-GT 外形尺寸 110

注1. 标准型轴形状为直轴。
 2. 订购直轴带键带阀门的减速机时, 在型号后方形空格指示的位置加上“J”。(例:R88G-HPG11A05100BJ)
 3. 电机轴插入部分的直径与相对应的电机轴直径相同。
 4. 如果按键被拆下, 应使用带按键的伺服电机。
 5. 资料中的尺寸图仅表示主要尺寸,不一定符合产品的具体形状。
*1. 为设置螺钉。

R88M-G, R88D-GT 外形尺寸 111

齿隙:15分以内

<圆柱型>

• 3,000r/min伺服电机(50~750W)

R88M-G, R88D-GT 外形尺寸 114
R88M-G, R88D-GT 外形尺寸 115

注1. 标准型轴形状为直轴带按键,带阀门。
2. 电机轴插入部分的直径与相对应的电机轴直径相同。
3. 如果按键被拆下,应使用带按键的伺服电机。
4. 本手册记载的外形尺寸仅为主要尺寸,非产品详细形状。

R88M-G, R88D-GT 外形尺寸 116
R88M-G, R88D-GT 外形尺寸 117

齿隙:15分以内

<扁平型伺服电机>

• 3,000r/min伺服电机(100~400W)

R88M-G, R88D-GT 外形尺寸 119
R88M-G, R88D-GT 外形尺寸 120

注1. 标准型轴形状为直轴带按键,带阀门。
2. 电机轴插入部分的直径与相对应的电机轴直径相同。
3. 如果按键被拆下,应使用带按键的伺服电机。
4. 本手册记载的外形尺寸仅为主要尺寸,非产品详细形状。

R88M-G, R88D-GT 外形尺寸 121
R88M-G, R88D-GT 外形尺寸 122

参数单元

R88A-PR02G

R88M-G, R88D-GT 外形尺寸 124

外部再生电阻

R88A-RR22047S1

R88M-G, R88D-GT 外形尺寸 126

R88A-RR08050S/-RR080100S

R88M-G, R88D-GT 外形尺寸 127

R88A-RR50020S

R88M-G, R88D-GT 外形尺寸 128

电抗器

3G3AX-DL2002
3G3AX-DL2004

R88M-G, R88D-GT 外形尺寸 130

3G3AX-AL2025
3G3AX-AL2055

R88M-G, R88D-GT 外形尺寸 131

3G3AX-DL2007
3G3AX-DL2015

R88M-G, R88D-GT 外形尺寸 132

3G3AX-AL2110
3G3AX-AL2220

R88M-G, R88D-GT 外形尺寸 133

3G3AX-DL2022

R88M-G, R88D-GT 外形尺寸 134