Page top

2015/03 生产终止

V400-R1

超小的多功能读码器

V400-R1

自动识别常见纸张/标签的一维和二维条码的多功 能读码器

该页面所登载的内容是基于生产终止以前的产品样本制作而成的参考信息,产品的特点/种类/规格/配件等可能与现在所使用的不同。请在使用时确认系统的兼容性及安全性。

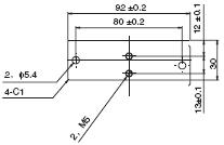
(单位:mm)

多功能读码器

前视景型
V400-R1CF

V400-R1 外形尺寸 3 V400-R1CF_Dim

侧视景型
V400-R1CS

V400-R1 外形尺寸 5 V400-R1CS_Dim

安装支架

V400-R1 外形尺寸 6 Mounting Bracket_Dim

安装基座

V400-R1 外形尺寸 7 Mounting Base_Dim