Page top

E5CN-H

温控器(数字调节仪)高性能型

E5CN-H

通用温控器新增高性能(高分辨率、高速、高精度输入)型产品。 支持简易运算、预防维护,采用新型液晶, 可视角度、对比度得以提升

E5CN-H系列预定于2027年3月底订货截止。

(单位:mm)

本体

E5CN-H

E5CN-H 外形尺寸 2

选装件(另售)

USB-串行转换电缆

E58-CIFQ1

E5CN-H 外形尺寸 5

端子盖

E53-COV17

E5CN-H 外形尺寸 7

防水垫

Y92S-29〔DIN48×48用〕

E5CN-H 外形尺寸 9

防水垫遗失、损坏时,请按以下型号进行订购。
使用防水垫时,保护结构为IP66。(使用防水垫可以达到IP66 的防水效果,根据使用环境,防水垫会产生老化、收缩、变硬 等,建议定期更换。定期更换时期因使用环境而异。请用户自 行确认。大致以1年以下为更换标准。此外,对没有进行定期 更换的防水等级,本公司概不负责。)
不采用防水构造时,无需安装防水垫。

电流检测器

E54-CT1

E5CN-H 外形尺寸 11

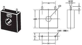
E54-CT3

E5CN-H 外形尺寸 12

E54-CT3附件

E5CN-H 外形尺寸 13

贯通电流(Io)对输出电压(Eo)特性(参考值)
E54-CT1

E5CN-H 外形尺寸 14

连续最高峰值电流:50A (50/60Hz)
缠绕数:400±2圈
线圈电阻:18±2Ω

贯通电流(Io)对输出电压(Eo)特性(参考值)
E54-CT3

E5CN-H 外形尺寸 15

连续最高峰值电流:120A (50/60Hz)
(但,开云(中国)的温控器连续最高峰值电流值为 50A。)
缠绕数:400±2圈
线圈电阻:8±0.8Ω

适配器

Y92F-45

注1.请在E5B□用面板已经加工的情况下使用。
2.适配器只有黑色。

E5CN-H 外形尺寸 17

〈E5CN-H安装例子〉

E5CN-H 外形尺寸 18

装有DIN导轨的适配器

Y92F-52

注:不能与端子盖并用。 请将端子盖卸下后再使用。

E5CN-H 外形尺寸 20

〈E5CN-H安装例子〉

E5CN-H 外形尺寸 21