Page top

H3CR-F

固态定时器

H3CR-F

将双定时器、星形三角形定时器、电源断电延时定时器系列化

H3CR系列部分产品预定于2022年3月底订货截止

(单位:mm)

H3CR-F 外形尺寸 1

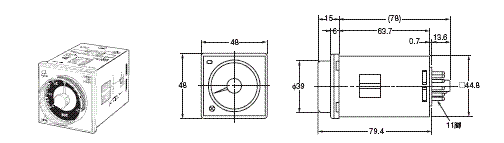
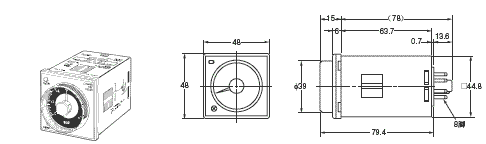
本体

定时器本体

H3CR-F
H3CR-FN

H3CR-F 外形尺寸 4

H3CR-F8
H3CR-F8N

H3CR-F 外形尺寸 5

适配器安装时的尺寸

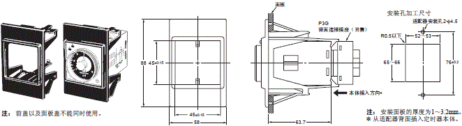
Y92F-30 嵌入式安装适配器(另售)

H3CR-F 外形尺寸 8 Y92F-30_Dim

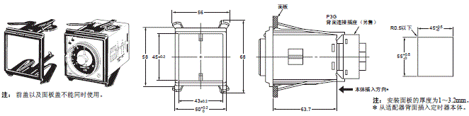
Y92F-73 嵌入式安装适配器(另售)

H3CR-F 外形尺寸 9

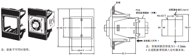
Y92F-74 嵌入式安装适配器(另售)

H3CR-F 外形尺寸 11 Y92F-74_Dim

插座安装时的尺寸

H3CR-F 外形尺寸 12
H3CR-F 外形尺寸 13

本体

定时器本体

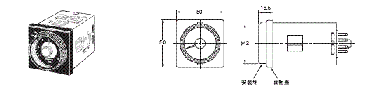
H3CR-G8L、H3CR-G8EL
H3CR-G8L-30、H3CR-G8EL-31

H3CR-F 外形尺寸 16

安装环以及面板盖的安装尺寸

Y92S-27、Y92S-28(另售)

H3CR-F 外形尺寸 18

适配器安装时的尺寸

Y92F-30 嵌入式安装用适配器(另售)

H3CR-F 外形尺寸 20

Y92F-70 嵌入式安装适配器(另售)

H3CR-F 外形尺寸 21

Y92F-71 嵌入式安装适配器(另售)

H3CR-F 外形尺寸 22

插座安装时的尺寸

H3CR-F 外形尺寸 23
H3CR-F 外形尺寸 24

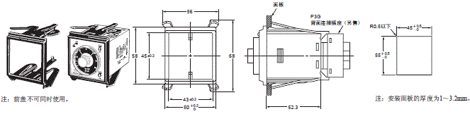
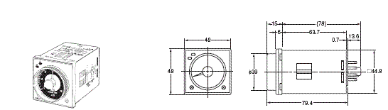
本体

定时器本体

H3CR-HRL

H3CR-F 外形尺寸 27

H3CR-H8L
H3CR-H8RL

H3CR-F 外形尺寸 28

适配器安装时的尺寸

详细请参见H3CR-G的“外形尺寸”。

插座安装时的尺寸

H3CR-F 外形尺寸 30