Page top

F3W-E

拣选传感器

F3W-E

机身小巧、指示灯醒目,是小部件拣 选系统的理想选择。

F3W-E032系列、F39-LE系列预定于2025年6月底订货截止。

(单位:mm)

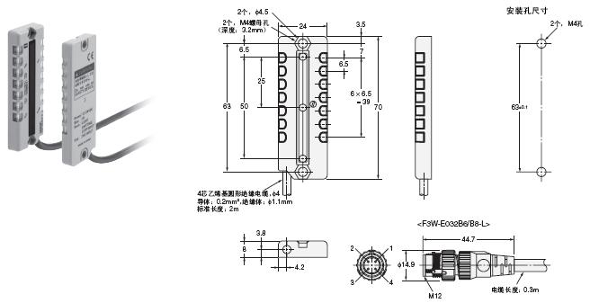
传感器

F3W-E

投光器
F3W-E032A6/A8-L
F3W-E032B6/B8-L

F3W-E 外形尺寸 4 F3W-E032A6/A8-L_Dim

受光器
F3W-E032A6/A8-D
F3W-E032B6/B8-D

F3W-E 外形尺寸 6 F3W-E032A6/A8-D_Dim

附件(另售)

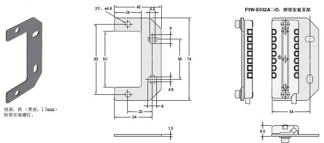
安装支架
F39-LE2 (L型)

F3W-E 外形尺寸 9 F39-LE2(L-shaped)_Dim

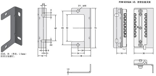
安装支架
F39-LE1 (平板型)

F3W-E 外形尺寸 11 F39-LE1(Flat)_Dim

保护支架
F39-LE3

F3W-E 外形尺寸 13 F39-LE3_Dim