Page top

H3CR-A

固态定时器

H3CR-A

时间范围、动作模式的多样化。DIN48×48mm的多功能

H3CR系列部分产品预定于2022年3月底订货截止

(单位:mm)

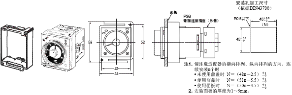
本体

定时器本体

H3CR-A、H3CR-AP
H3CR-AS、H3CR-A-301

H3CR-A 外形尺寸 3

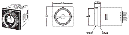
H3CR-A8、H3CR-A8S
H3CR-A8E、H3CR-A8-301

H3CR-A 外形尺寸 4

安装环以及面板盖的安装尺寸

Y92S-27、Y92S-28(另售)

H3CR-A 外形尺寸 6

适配器安装时的尺寸

Y92F-30 嵌入式安装适配器(另售)

H3CR-A 外形尺寸 8

Y92F-73 嵌入式安装适配器(另售)

H3CR-A 外形尺寸 9

Y92F-74 嵌入式安装适配器(另售)

H3CR-A 外形尺寸 10

插座安装时的尺寸

H3CR-A 外形尺寸 11